Armas On-Line

Seu Portal sobre Armas, Tiro e Colecionismo na WEB

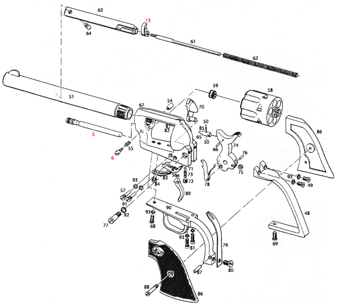
Revólveres Colt de Ação Simples » colt-saa-bpframe