Revólveres Colt de Ação Simples
xfdsd
William P. Elliot levantou os olhos e se deparou com um rapaz alto e magro, por volta de 18 anos de idade, de pé em sua frente carregando uma pasta com papéis e alguns objetos. Neste ano de 1832, Elliot é funcionário atendente do Escritório de Patentes dos Estados Unidos, sediado em Washington. De forma animada, o rapaz alto se desdobrou em apresentar à ele desenhos relativos à sua invenção, bem como uma rústica e mal acabada pistola operada por um sistema de tambor rotativo.
Quando recebe de William Elliot as instruções do que ainda deveria fazer, principalmente quanto à melhorias em seu protótipo apresentado, o rapaz, que atendia pelo nome de Samuel Colt, estava bem longe de ser desencorajado. Saiu dali determinado a retornar o mais breve possível com tudo o que seria necessário. Afinal, gás hilariante (óxido nitroso) não havia deixado ninguém muito rico nos últimos anos, mas era o que, até então, levava o rapaz a atravessar vários estados do país, sob a alcunha de Dr. Coult, demonstrando à sua clientela os maravilhosos efeitos causados pelo gás e assim, angariando fundos para o que realmente importava; sua invenção.
Samuel Colt dispendeu cerca de 3 anos aperfeiçoando seu invento e finalmente conseguiu, com a ajuda de alguns armeiros de Baltimore, produzir alguns rifles e pistolas utilizando seu sistema de tambor rotativo. Levantando âncoras em direção ao país que muitos ainda chamavam de “Mãe Pátria”, Samuel desembarca em Londres em pleno inverno de 1835, sendo que em 18 de dezembro consegue finalmente registrar sua primeira patente.
A patente britânica de Nº 6909 descreve a sua invenção, que resumidamente seria o seguinte: “o que causa o cilindro de câmeras (tambor) se mover é um conjunto com alavancas e uma trava, que acionando uma engrenagem dentada faz girar e travar o cilindro na posição correta de disparo. Um anteparo é usado para proteger tanto o mecanismo como o atirador, de faíscas, fumaça e fuligem. O eixo de cada câmara se alinha perfeitamente ao eixo do cano, em cada movimento de armar.”
Parte dos desenhos esquemáticos da patente de Samuel Colt; esta reprodução se refere à patente requerida em Paris, França, em 27 de abril de 1836, depois da obtenção da patente inglesa de 1835. Os originais estão hoje no Metropolitan Museum of Art, de Nova York.
Muitos questionam o porque de Colt ter registrado sua patente na Europa, antes de fazê-lo nos Estados Unidos. Ocorre que pela lei de patentes britânicas, não eram aceitos registros de patentes que antes já haviam sido feitos fora da Inglaterra. Além disso, o mercado europeu ainda era, na época, extremamente interessante para o mercado de armas de fogo. Por essa razão, em 27 de abril de 1836 Samuel Colt registra sua patente no Departamento de Patentes do Sena, em Paris, França. Segundo anotações feitas pelo secretário do departamento, Samuel Colt requeria o certificado de sua invenção com duração de 15 anos. Os desenhos a “bico de pena” estavam dispostos em 11 folhas e as peças que seriam feitas em metal eram coloridas em azul, enquanto as peças que seriam de madeira eram coloridas em marrom.
Exultante e de volta à terra natal, Samuel Colt consegue sua patente norte-americana em 25 de fevereiro de 1836, com alguns dos principais detalhes que se seguem:
1 – Bigornas (nipples) centrados, rosqueados e posicionados na parte traseira do cilindro, podendo ser desmontados e trocados usando-se uma chave de seção quadrada;
2 – Cada um dos nipples é isolado dos demais, dentro de seu próprio alojamento, prevenindo a ignição acidental das câmaras vizinhas;
3- A rotação do cilindro se dá pelo ato de armar o martelo (cão);
4- Travamento do movimento do cilindro e apropriado alinhamento com o cano se dá com o armar do martelo e destravamento na ocasião da queda do martelo, após o disparo.
Nesta época Colt assumiu que era de sua invenção o uso de canais, dentro dos nipples (conhecidos no Brasil como ouvidos), de forma cônica, iniciando com um furo maior na entrada do que na saída, o que em tese concentraria a queima do fulminato da espoleta com mais pressão dentro da câmara. Posteriormente, ele próprio assume que apesar de ter sido o primeiro a usar esse sistema em uma arma, não era realmente de sua criação. A bem da verdade, tambores rotativos com câmaras separadas para cada carga já estavam em uso antes de Colt, como nas pistolas de pederneira do tipo “Pepperboxes” e mais recentemente as de sistema de percussão, como as de Benjamin Darling e Nichols & Childs. Em 1814, 22 anos antes de Colt, Elisha Collier patenteou e produziu seu revólver de tambor rotativo, utilizando-se também de um só cano fixo, tal qual a idéia de Colt, porém com ignição à pederneira. Pode-se até afirmar que esse seja o primeiro revólver de repetição comercialmente produzido; no entanto, o tambor tinha que ser girado manualmente a cada tiro
Samuel Colt nasceu em Hartford, estado de Connecticut em 1815, tornou-se milionário com 42 anos e faleceu em janeiro de 1862, com 47 anos, em plena Guerra Civil americana, mas a tempo de ver o sucesso de seu revólver Colt modelo Army de 1860, nas mãos no Exército da União. Muito se tem especulado sobre sua vida, em várias de suas biografias. Segundo o historiador e especialista em armas Colt, Dixon Larson, Sam Colt não foi o inventor de uma arma utilizando cilindro rotativo; mas foi quem “cunhou” o termo revólver e o desenvolveu como ninguém.
Não era nenhum gênio da mecânica, como foram posteriormente seus conterrâneos Browning ou Maxim, mas foi um lider cativante e soube organizar e reunir homens necessários ao seu empreendimento. Tampouco foi militar, como a patente de Coronel que alguns autores insistem em dar à ele; amigo de militares, conhecedor de assuntos militares e granjeando de muito prestígio junto à eles, recebeu o título de forma honorária de seus amigos do Exército. Casou-se tarde, aos 41 anos, com Elizabeth Jarvis e viveram juntos por somente seis anos, com a morte dele aos 47.
Os primeiros protótipos funcionais haviam sido feitos em Hartford em 1831 e 1832, a maioria com muitos problemas. Após a patente, gente competente como Winthrop, Hanson e Pearson ajudaram em muito no desenvolvimento do projeto. O ano de 1836 foi atribulado para o jovem Colt de 22 anos. Funda-se então a Patent Arms Manufacturing Co., na cidade de Paterson, New Jersey, com Elias Ogden como presidente, o primo de Colt, Dudley Selden como gerente geral e John Ehlers, experiente homem de negócios de Nova York.
Reprodução da Carta Patente da Patent Arms Manufacturing Company
Baseado em seus conhecimentos obtidos com Whitney e nas experiências no Arsenal de Springfield, Colt privilegia o maquinário industrial para executar a maior parte possível das operações, visando assim a intercambiabilidade de peças. Portanto, as armas seriam fabricadas parte à mão e parte usinadas em maquinário específico. Em 1836, com a chegada de Andrew Jackson à presidência dos Estados Unidos, Colt prontamente o presenteou com um modelo finamente trabalhado, provavelmente o primeiro “Presentation Colt” da história.
A patente obtida dava a Colt a exclusividade de produção de revólveres até 1857. A arma tornou-se assim o primeiro revólver realmente prático, de repetição, e utilizando todas as vantagens do então novo sistema de percussão, desenvolvido anos antes pelo Reverendo John Forsyth. O invento contribuiu por desenvolver sobremaneira a tecnologia de guerra, ironicamente personificada pelo nome que recebeu, futuramente, um de seus revólveres: Peacemaker (Pacificador).
Esse artigo pretende mostrar a evolução do revólver de ação simples idealizado por Colt em 1836, até o último e mais famoso modelo da fábrica, o Colt Single Action de 1873. Seria impossível e até incômodo para a leitura se nos aprofundássemos demais na história dessa fascinante arma, o que transformaria esse artigo em um livro, tamanha a oferta de informações que dispomos. Dessa forma, descreveremos os modelos mais importantes e indicamos aos leitores que desejam se aprofundar na história da Colt, a leitura de algumas obras bastante detalhadas: “The Book of Colt Firearms” de Wilson, “Colt, an American Legend” de Wilson e Lathan, e finalmente “Colt Firearms from 1836” de James Serven.
O MODELO PATERSON 1836
O Paterson era um revólver com capacidade de cinco tiros; cada câmara do tambor era carregada individualmente, pela parte frontal, com uma carga de pólvora negra e um projétil de chumbo maciço. Depois, cada câmara tinha o seu nipple (ouvido) coberto com uma espoleta de latão, que se encaixava com certa pressão para não se soltar. Ao se armar o cão externo para iniciar os disparos, o gatilho retrátil em forma de lingueta saía de seu alojamento e se escamotava para baixo, na posição de ser pressionado pelo dedo indicador. O revólver não dispunha, portanto, de um guarda-mato. Os modelos básicos não possuíam uma alavanca de carregamento, articulada sob o cano, tal como foi depois fornecida em todos os modelos. Essa alavanca facilitava a introdução do projétil para dentro da câmara, na qual ele entrava com certa pressão.
Uma característica marcante desses revólveres, que os acompanhou até a chegada do modelo 1873 de cartucho metálico, foi o desenho de armação aberta na parte superior, ou seja, o tambor não era totalmente envolvido pela armação. Isso tinha seu motivo, de certa forma, que era de facilitar a remoção do tambor. Todos os revólveres que se seguiram ao Paterson possuem uma chaveta, posicionada na porção dianteira do tambor. Soltando-se um parafuso do lado esquerdo, essa chaveta era removida, deslizando-a para fora. Sem a chaveta, a parte dianteira da arma podia ser totalmente separada da parte traseira e o tambor ficava livre para ser retirado.
Acima, os três modelos básicos do Colt Paterson, de cima para baixo: calibre .36 para coldre grande, chamado de Texas Paterson; no centro, pistola de cinto, em calibre .34 e .31; embaixo, o modelo de bolso, em calibre .31. As alavancas de carregamento eram opcionais.
O ano de 1837 traria os primeiros problemas; a receita ainda não era suficiente para investir em maquinários necessários à produção em série. Colt saiu a campo e bateu nas portas da Casa Branca, onde o presidente Andrew Jackson aprovou o projeto da nova arma para uso nos órgãos do governo. Mesmo com esse aval, Colt não conseguiu progressos na negociação com os militares. Um ato datado de 1808 afirmava que qualquer arma adquirida por milícias estaduais já deveria estar também em uso padrão nas forças federais. Com os negócios piorando, a empresa foi repentinamente salva pela guerra contra os Seminoles, na Flórida.
Acima, o Colt Texas Paterson, em calibre .36 e com capacidade para 5 disparos – a tecla do gatilho permanecia recolhida na armação até o momento do engatilhamento do cão.
Colt conseguiu, com ajuda de militares amigos, introduzir suas armas no conflito, tanto os rifles como os revólveres. Esses últimos caíram no agrado dos militares, mas os rifles, que possuíam um sistema de cão embutido, caíram em desgraça junto aos soldados não familiarizados com esse mecanismo. Além disso, devido a diversos outros fatores, Colt leva um calote do governo, que não o reembolsa devidamente, levando a Patent Arms à falência e consequentemente à leilão, em Nova York, com valor baseado somente sobre os seus ativos líquidos.
O Colt Ring Lever Rifle, da Patent Arms, fornecido ao Exército para uso no conflito contra os seminoles; por não ter o cão externo, os soldados não se adaptaram à ele e sua utilização foi um desastre. Após cada disparo, o anel frontal deveria ser puxado para traz, movimento que fazia o tambor girar e armar o cão interno.
Com a falência da Patent Arms Mfg. Co., Colt se enveredou por outros caminhos, fabricando minas e detonadores à prova d’água e, em parceria com o amigo Samuel Morse (inventor do telégrafo e do código que leva seu nome), procurou fundos do governo para a produção de cabos telegráficos submarinos. Usando as baterias usadas nas minas explosivas de Colt, Morse transmitiu uma mensagem de Manhattan à Governors Island, em certa ocasião. Colt chegou a submeter suas minas submersas ao governo do então presidente Tyler, porém, os artefatos foram tremendamente rechaçados pelo congresso oposicionista, alegando que as mesmas não poderiam participar de uma guerra “honesta”, ou que eram artefatos que contrariavam os mais básicos princípios cristãos.
Colt Texas Paterson cal. 36, engatilhado, com o seu gatilho escamoteável à mostra
Com o que conseguiu de recursos, a idéia de Colt era ressucitar a Patent Arms, desta vez sem necessitar de fundos oriundos de estranhos. Com a ajuda de um armeiro de Nova York, Colt lança um revolver melhorado em relação ao modelo anterior, desta vez com um gatilho aparente e oferecendo calibres maiores. Essa nova arma é submetida por Colt ao Departamento de Guerra Norte-Americano, como sendo um revólver de coldre, ou seja, de porte grande.
O MODELO WALKER 1847
Em 1847, o destino faria com que um homem, com o mesmo nome de Samuel, cruzasse seu caminho para mudar um pouco o rumo dos negócios. O Capitão Samuel Hamilton Walker era um oficial do Exército dos Estados Unidos, nascido em Maryland em 1817, homem íntegro e de hábitos refinados, que já havia participado de diversos conflitos militares. Walker chegou ao México em 1842, fazendo parte do grupo liderado pelo General Adrian Woll, na contra-invasão mexicana. Liderou uma companhia dos Rangers na guerra contra o México, nos Exércitos dos generais Taylor e Winfield Scott. Walker foi morto em 1847 na batalha de Huamantla.
Walker já havia experimentado os revólveres Paterson durante as batalhas contra os Seminoles e presenciou um ataque de cerca de 70 índios Comanches a uma guarnição de 15 de seus homens, às margens do Rio Pedernales, que deram conta desse ataque com sucesso. Entusiasmado com o desempenho da arma de Colt nas mãos de bem treinados soldados, Walker entra em contato com Colt e o visita em 1847, pouco antes de sua morte em combate, fechando uma aquisição de 1.000 revólveres. Entretanto, essa compra visava algumas modificações: aumentar a capacidade do tambor de 5 para 6 câmaras, potência suficiente para matar um homem e até um cavalo, com um só tiro, e ser bem rápido de se recarregar.
O negócio era tão promissor que Colt contratou Eli Whitney Blake para ajudá-lo na tarefa de desenvolver e produzir a arma. Esse primeiro lote de 1.000 peças foi produzido por Blake. Em seguida, Colt recebe uma segunda ordem de mais 1.000 armas, para suprir as companhias do United States Mounted Rifle. Com cerca de 10 dólares de lucro em cada arma vendida e com a ajuda de seu primo banqueiro, Elisha Colt, Samuel adquire o maquinário e ferramental de Blake e monta seu próprio negócio: nasce finalmente a Colt’s Patent Firearms Manufacturing Company, com sede em Hartford, sua cidade natal.
Um dos revólveres modelo Walker fornecidos ao Exército em 1847; não havia no mundo, na época, arma curta de repetição mais potente que esse revólver. Note a alavanca de carregamento sem um retém na sua extremidade, que permitia seu movimento involuntário. O guarda mato era do tipo quadrado. Note o parafuso lateral que fixa a chaveta de desmontagem e a inscrição U.S. 1847.
O modelo Walker era um revólver enorme e até hoje, nenhuma arma similar que utilizou pólvora negra rivalizou com ele em potência. Pesava cerca de 2,o Kg e media quase 40 cm. de comprimento. Suas câmeras podiam ser carregadas com 55 a 60 grains de pólvora negra e utilizavam projéteis de calibre .44, cerca de 11,2 mm de diâmetro. O antigo modelo Paterson era um revólver anêmico quando comparado ao Walker. Apesar de seu tamanho e peso, foi algo muito comum a ruptura de seus tambores, por excesso de pressão. A metalurgia arcaica também era responsável por esse tipo de fadiga no material. Cerca de 300 revólveres dos 1000 contratados voltaram à fábrica para troca de tambores. Colt também recomendou que as cargas fossem reduzidas à, no máximo, 50 grains. A energia na boca do cano desse revólver, carregado com 60 grains de pólvora negra e projétil de 145 grains de peso era equivalente ao que se obtém hoje em um revólver .357 Magnum, o que é, realmente, impressionante.
A alavanca de carregamento dos primeiros modelos não possuía um retém, o que fazia com que se dobrasse sozinha com o recuo da arma, e interferisse com os orifícios de entrada das câmaras, travando o movimento do tambor. O modelo Walker foi o primeiro modelo da Colt com a silhueta típica desses revólveres, que se tornaria a “marca registrada” por mais de meio século.
OS MODELOS DRAGOON 1848
Segundo alguns autores, os dragones ou dragões eram regimentos de infantaria montada, comum em vários países da Europa a partir do século 18. Até mesmo na I Guerra a França dispunha de regimentos de dragões. O nome pode ter sido oriundo de uma arma do sistema de rodete (wheel-lock) , curta, e que era ornamentada com a cabeça de um dragão. Segundo o historiador Adler Homero da Fonseca, e só como curiosidade, os nossos “Dragões da Independência” não receberam esse nome oriundo desses regimentos similares existentes na Europa, e sim, trata-se de um apelido proveniente do grifo da Casa de Bragança, que aparece em destaque em seus capacetes, que é o desenho de um dragão, ou uma serpente alada.
Após a Guerra do México e devido aos problemas ocorridos com o modelo Walker, e atendendo uma demanda dos “Dragoon Regiments” do Exército, Colt decide modificar o revólver e em 1848 idealiza o modelo denominado de Whitneyville Dragoon, um revólver baseado no Walker mas com cano mais curto e tambor com câmaras mais curtas, para 6 tiros, e carregadas com no máximo 50 grains de pólvora. Foi acrescentado um retém dianteiro para manter a alavanca de carregamento fixa e paralela ao cano quando não utilizada. O peso da arma caiu para 1.900 gramas e o comprimento do cano era de 7 1/2″. O Whitneyville foi a transição do modelo Walker para o modelo Dragoon definitivo.
Segundo consenso entre colecionadores, há 3 modelos básicos de revólveres Colt Dragoon, a saber:
O 1st (first) Model – As travas do cilindro são ovais, mola principal em forma de V e guarda-mato com a parte posterior quadrada; 7.000 foram produzidos de 1848 a 1850.
O 2nd (second) Model – As travas do cilindro são retangulares e até o serial 10.000 a mola principal era em V, posteriormente modificada para lâmina simples; guarda-mato continua com a seção posterior quadrada; 2.550 armas produzidas até 1851.
O 3rd (terceiro) Model – produzido até 1860; alguns modelos possuíam dois engates para montagem de uma coronha de madeira usinados na “meia-lua” atrás do tambor; guarda-matos arredondados e travamento horizontal da alavanca de carregamento.
No centro da foto,detalhe do rasgo usinado para o encaixe da parte superior da coronha opcional
Colt Dragoon do terceiro modelo, com a coronha de madeira e alça de mira graduada
Colt Dragoon do 2º modelo, especialmente trabalhado e acabado para a Grande Exposição de Londres, em 1851 – Samuel Colt levou essas armas, pessoalmente, para exibí-las aos visitantes. Uma arma como essa, que se sabe da existência de apenas seis, tem valor estimado nos Estados Unidos entre US$ 35.000 a US$ 45.000.
O modelo Dragoon foi o primeiro Colt de percussão a se tornar realmente popular. Após a Guerra, o seu uso por pessoal civil, vaqueiros, fazendeiros e exploradores, tornou-se comum. Pela primeira vez tinha-se em mãos uma arma que, uma vez carregada, possibilitava seis disparos contínuos. Hoje em dia isso pode parecer uma bobagem, mas em uma época que nem se havia abandonado as pistolas de percussão de um só tiro, isso era uma tremenda vantagem. Com a popularização da arma, abriu-se um novo nicho de mercado que procurava uma arma com as mesmas características, porém, menor e mais leve. Em 1848 a Colt apresenta o que se chamou na época de “Baby Dragoons”.
O Colt “Baby Dragoon”
Essa linha de revólveres oferecia um custo menor aos interessados, além do menor tamanho. A maioria deles não era fornecida com a alavanca de carregamento, e o calibre era menor, o .31″, com canos de 6″ de comprimento. Porém, como uma arma de coldre para civis, era sem dúvida muito mais prática e leve de transportar. Entretanto, paralelamente à produção dos Dragoon e dos Baby Dragoon, Samuel Colt desenvolveu um ano depois, em 1849, outro revólver de tamanho menor, do que podia se chamar na época de pistola de bolso.
O MODELO POCKET 1849
O Pocket oferecia o mesmo calibre do Baby Dragoon, porém com alavanca de carregamento como padrão. Recebeu posteriormente a alcunha de Colt Wells Fargo em virtude dessa famosa companhia de transportes da época ter equipado seus cocheiros com centenas dessas armas. Essas armas fizeram um enorme sucesso e ficaram em uso durante vários anos, só começando a perder a popularidade quanto da chegada dos revólveres da Colt utilizando cartuchos metálicos, em 1873.
Colt Pocket Model de 1849 em cal. 31 de 5 tiros
Os Pockets eram oferecidos com canos que variavam de 3 a 6 polegadas de comprimento e foram produzidos cerca de 325.000 em calibre .31, 19.000 do modelo Pocket Navy em calibre .36 e por volta de 20.000 do modelo Pocket Police.
MODELO NAVY 1851
Em 1851, Colt resolve estabelecer uma fábrica de armas na Inglaterra. Aproveitando-se da Grande Exposição daquele ano, ocorrida no Hyde Park, em Londres, um Samuel Colt muito entusiasmado apresentou pessoalmente vários modelos de seus revólveres, a maioria deles finamente trabalhados e ornamentados, e passou a proferir palestras sobre seus métodos de produção em série para a Instituição de Engenheiros Civis em Londres, recebendo deles a Medalha de Telford. Colt se instalou em Vauxhall Bridge, à beira do Tâmisa, em 1 de janeiro de 1853. Seu maquinário e ferramental próprio para produção de peças padronizadas e intercambiáveis causou uma revolução nos meios industriais londrinos, principalmente nos seus concorrentes diretos, os fabricantes de armas britânicos, ainda praticantes de um método de fabricação quase que artesanal.
Acima, o Colt modelo Navy (Colt da Marinha), de 1861, em calibre .36, cano octogonal, talvez o mais elegante e esteticamente atraente dos Colts de percussão.
Provavelmente a denominação de Colt Navy 1851, utilizada pelos colecionadores, é oriunda de seu nome “oficial” que era “Colt Revolving Belt Pistol of Naval Caliber“, ou Revólver Colt de “cinto”, de calibre Naval. Como em quase todos os modelos de percussão da Colt, o tambor é decorado com uma cena em baixo relevo, geralmente imagens de caça, de índios, soldados em batalha, etc. Neste caso, a cena é a Batalha de Campeche, de 1843. Apesar da denominação, a arma foi principalmente utilizada por civís e forças militares terrestres.
O modelo Navy parcialmente desmontado, operação que podia ser feita com facilidade para limpeza
A arma pesava 1,200Kg, comprimento de 33 cm com cano de 7″, com capacidade de 6 tiros. Como quase todos os Colts, a alça de mira situava-se na extremidade do próprio cão da arma, ficando em posição quando o mesmo era armado. Estima-se sua produção total em mais de 270.000 armas. Colt trabalhou muito para difundir essa arma, e conseguiu negócios bem interessantes com vários países, como Canadá, Império Austro-Húngaro, Brasil, Rússia, Império Otomano, Polônia e Prússia. O projétil media de .375 a .380 de polegada, pesando 80 grains e com sua carga recomendada, equivalia hoje à potência de um cartucho .380 ACP.
Raríssimo e fenomenal exemplar de um Navy, totalmente trabalhado, bem como sua coronha
Os anos de 1851 e 1852 foram turbulentos para Samuel Colt e sua empresa. Sua patente original expiraria em cinco anos, mas em 1852 o fabricante de armas de Massachussets, James Warner, infringiu a patente com um modelo similar de revólver. Os advogados de Colt acionaram a empresa e a justiça deu-lhe ganho de causa, obrigando Warner a cessar a produção da arma imediatamente. Em seguida Colt decide processar a Allen & Thurber por causa de seu revólver tipo pimenteira (Pepperbox). Através de um acordo de US$ 15.000,00, a Allen & Thurber pode continuar produzindo as armas até o final da patente, em 1857.
Estojo original de um Colt modelo Navy 1851, com moldeiras, polvorinho e lata de espoletas (exemplar de coleção particular)
Desde 1854 que Colt tentava uma prorrogação de sua patente junto ao Congresso e iniciaram-se investigações sobre alguns subornos praticados por Colt à membros daquela casa legislativa. Praticamente, Colt tinha um monopólio na fabricação de revólveres. O mercado europeu crescia de vento em popa, devido à diversos e iminentes conflitos nas relações internacionais. Colt contava com um experiente e hábil advogado, Edward Dickerson, que era um especialista em direito de patentes. Com isso, manteve-se em posição bastante confortável em relação a seus produtos. Entretanto, cometeu um erro grave ao descartar uma idéia de um de seus armeiros, Rollin White, de utilizar cilindros para permitir o uso de cartuchos metálicos. Com a recusa, White deixou a Colt e vendeu sua idéia para a concorrente Smith & Wesson. Colt pagou caro por esse erro pois, com a patente de White de posse da Smith & Wesson, a Colt permaneceu cerca de 20 anos impedida de utilizar qualquer tipo de cartucho metálico.
Colt Navy 1851, armação com acabamento “case-hardened” e coronha
Em 1855 Colt montou uma fábrica nova em um novo terreno vizinho à sua fábrica original, ao lado do Rio Connecticut, que denominou de Colt Armory. Nesta nova obra, havia alojamentos para os empregados que desejavam residir no local, e até uma área de laser denominada de Charter Oak Hall, com sala de jogos, jornais, revistas e salas para bate-papo. Estabeleceu jornada de trabalho de 10 horas diárias com uma hora de almoço, mas a disciplina que exigia era quase militar e não admitia atrasos nos horários. Entretanto, era seu costume ouvir e incentivar seus funcionários a darem sugestões que envolviam melhorias de projetos.
OS MODELOS ROOT “SIDEHAMMER” 1855
Em 1856 Colt casou-se com Elizabeth Jarvis, que era filha do conhecido Reverendo William Jarvis. O casamento foi muito luxuoso e contou com uma cerimônia em um navio a vapor ancorado no rio, com vista para a fábrica, bem como queima de fogos de artifício e até salvas de tiros. O casal teve quatro filhos: duas filhas e dois filhos, um deles falecido ainda na infância. Também em 1856, depois de quatro anos e de também ter vendido cerca de 23.000 armas para o Exército e a Marinha Britânicos, Colt resolve fechar a sua fábrica estabelecida em Londres, transferindo quase todo o ativo ainda útil para a sua fábrica de Hartford, tais como maquinários, ferramental e armas inacabadas.
Nesta mesma época, uma das decisões mais acertadas tomadas por Colt foi a contratação de Elisha K. Root, para ser seu engenheiro chefe e coordenar a linha de produção e equipamentos, experiência que Root já possuía e na qual era muito bem sucedido. Root foi tão importante para a Colt Firearms que Samuel Colt declarou que “o sonho da Colt Firearms, quanto ao sucesso de sua produção em série, jamais teria sido realizado sem ele.” Elisha Root nasceu em 1808 e faleceu em 1865, tres anos após a morte de Colt. Em 1855 ele apresenta à Colt um projeto de revólver e rifle, utilizando um tambor similar aos dos revólveres Colt mas com o cão (martelo) montado na parte externa da arma, do lado direito. O gatilho era semi-escamoteável; ficava incluso em uma protuberância abaixo do cão e era exposto parcialmente com o ato de se armar o cão. O mecanismo interno era bem diferente dos Colts e Root utilizava uma espécie de roda dentada solidária ao eixo do tambor para executar seu giro e travamento no momento do disparo. O Sidehammer possuía uma alavanca de carregamento abaixo do cano, similar aos demais modelos da Colt. A alavanca projetada por Root seria base para o projeto do Colt Army 1860 que seria lançado cinco anos mais tarde. Uma das maiores diferenças estruturais era o uso de uma armação totalmente fechada, que envolvia totalmente o tambor, oferecendo uma rigidez maior ao conjunto.
Acima um rifle Colt “Root” Sidehammer e abaixo, o revólver em calibre .31
Colt gostou de projeto e autorizou sua produção, nas variações de revólver, carabina e rifle. Os revólveres eram em calibres .28 e .31. Com pequenas alterações, os modelos de revólveres foram o Nº 1, Nº 1A e Nº 2, terminando a produção em 1860 com cerca de 25.000 armas produzidas. Entretanto, o revólver não obteve a mesma popularidade dos demais modelos da Colt. Inicialmente as armas apresentaram problemas e a falta de confiança na arma foi um dos motivos de que as vendas não alavancaram.
Nas versões longas, Colt produziu os modelos sidehammer nas seguintes variações:
- Colt Model 1855 “First Model” Sporting Rifle (rifle esportivo)
- Colt Model 1855 Half Stock Sporting Rifle (rifle esportivo curto)
- Colt Model 1855 Full Stock Sporting Rifle (rifle esportivo longo)
- Colt Model 1855 Military Rifle and Rifled Musket (rifle e mosquete militares)
- Colt Model 1855 Revolving Carbine (carabina revólver)
- Colt Model 1855 Revolving Shotgun (espingarda de caça)
Acima, uma carabina esportiva Colt Sidehammer 1855 e embaixo, o mosquete militar
As armas longas eram essencialmente similares em mecanismo aos revólveres, com opções de 5 ou 6 tiros e uma variedade de calibres entre o .31 e o .64, mas se popularizou mesmo nos calibres .36, .44 e .56. O comprimento dos canos eram de 15, 18, 21 e 24 polegadas. A versão de 5 tiros era utilizada no calibre .56, somente. Os modelos oferecidos ao Exército e utilizados durante um certo tempo não agradaram os militares. Além de problemas mecânicos por excesso de sujeira e falta de lubrificação constante, ocorreram vários e sérios casos de detonação espontânea das câmaras vizinhas, o que chegava a ferir e queimar os braços e mãos dos soldados.
O MODELO ARMY DE 1860
A eclosão da Guerra Civil em abril de 1861 trouxe de volta à Colt Firearms um cliente que qualquer fabricante de armas do país sonhava em ter; o Exército dos Estados Unidos. Em 1860, Colt havia lançado um novo modelo de revólver utilizando a mesma armação do seu modelo Navy de 1851, porém, com novo desenho e novo sistema de alavanca, baseado no modelo de Root. O cano era redondo e mantinha uma linha esguia com o alojamento da trava e da articulação da alavanca de carregamento. O calibre foi aumentado de .36 para .44 e foi o primeiro Colt a ter o tambor usinado em duas dimensões diferentes, ou seja, o diâmetro de sua parte posterior era um pouco menor do que o da parte frontal, solução que foi necessária para a utilização do mesmo frame do Navy.
O Colt modelo Army de 1860
O Colt Army era um revólver de 6 tiros, utilizando um projétil de .454″ de diâmetro e uma carga de pólvora negra de 30 grains. Nesta época já era comum o uso de cartuchos de papel, contendo a carga de pólvora e o projétil, devidamente embrulhados. O atirador fazia um pequeno rasgo no fundo desse invólucro, inseria-o no tambor até que o projétil oferecesse uma resistência para entrar, visto ser ele mais largo que o invólucro. Daí entrava em ação a alavanca de armar, que pressionava o conjunto projetil e invólucro para dentro do tambor.
Comparação entre o Army de 1860, acima, e o Navy de 1851, embaixo.
Acima, moldeira, projéteis de chumbo fundidos, caixa de espoletas e invólucros prontos para uso – fabricantes ofereciam caixas, como as da foto, com munição já pronta e “à prova d’água”, com projéteis devidamente lubrificados em suas ranhuras.
A partir de 1861, a Colt passou a ser a única fornecedora de revólveres para o Exército e Marinha durante a Guerra Civil, suprindo as necessidades dessas forças federais tanto na infantaria como na cavalaria e artilharia. O governo americano adquiriu aproximadamente 130.000 revólveres desse modelo e ele se tornou a arma de porte individual de oficiais das tropas federalistas. Diversos modelos Army também supriram as forças confederadas, porém não em caráter oficial; a maior parte delas eram armas particulares dos combatentes. Até 1873, coma introdução do cartucho metálico, a Colt produziu cerca de 200.000 revólveres modelo Army. Samuel Colt nunca subestimou nenhum mercado e nenhum cliente, e na Europa ele já havia negociado armas com beligerantes de um lado, ou de ambos os lados de um conflito, sem restrições. A bem da verdade, não havia nenhuma proibição oficial que impedisse indústrias do “norte” negociarem qualquer tipo de mercadoria com os estados do “sul”. Seu agente sulista John Forsyth havia adquirido mais de 2.000 revólveres da Colt em 1861.
O maior rival do modelo Army, e que também era utilizado pelos Exércitos da União, mas em menor escala, era o revólver da Remington, o modelo 1858., também de ação simples. Sob vários aspectos, e não se tratava realmente de uma cópia do Colt, o revólver da Remington podia ser considerado melhor que o Colt, principalmente pela sua construção bem mais robusta, que já utilizava uma armação totalmente fechada, dando muito mais rigidez à arma, principalmente com o passar do tempo. Ironicamente, o futuro Colt de ação simples que seria lançado em 1873 se parecia muito com essa arma.
O revólver Remington modelo 1858, um rival à altura para os Colt Army
A maior vantagem do Remington sobre o Colt Army era a velocidade em que podia ser recarregado. O projeto foi desenvolvido para que com o movimento da alavanca de armar, o tambor era facilmente retirado através da extração do seu pino central, alojado sob a alavanca. Com isso, atiradores podiam portar cilindros extras já carregados, caso desejassem. Mesmo sem esses tambores extras, era mais fácil carregar as câmaras com essa peça fora da arma.
MODELO NAVY DE 1861 E POCKET POLICE DE 1862
Em 1861 a Colt resolve lançar o que seria uma repaginação do modelo Navy, dentro de uma estrutura de fabricação já utilizada no modelo Army. O novo revólver, denominado de Navy 1861 mantém o calibre .36 de seu antecessor, mas com as linhas do Army, com cano arredondado e o mesmo estilo mais esguio na armação. O cano era de 7,5″ e estima-se a produção total em 38.000 armas. Unidades de cavalaria do Exército gostaram e passaram a preferir o Navy ao invés do Army por ter um recuo menor e mais facilmente controlável, principalmente com o soldado montado.
Modelo Navy de 1861, baseado no modelo Army mas em calibre .36
No ano seguinte, em 1862, a Colt introduz o revólver Police Model de 1862, pertencente à família dos Colt Pocket, oferecendo tambor com cinco tiros e o mesmo calibre do Navy, o .36. O cilindro era do tiplo “flautado”, ou seja, para alívio de peso ranhuras eram usinadas nos espaços entre as câmaras, uma solução que acabou se tornando quase que padrão em todos os revólveres posteriores, e isso até os dias de hoje. Cerca de 20.000 modelos Police foram fabricados, e a maior intenção era prover o pessoal da área policial com uma arma menor e melhor dissimulada, para portar no interior de paletós ou sob os ombros.
Acima, o Colt Pocket Police Model de 1862 em calibre .36
O ano de 1862, com a fábrica a todo vapor suprindo o Exército da União em plena guerra civil, trouxe o luto para a família e para a empresa de Samuel Colt. Em 10 de janeiro de 1862, padecendo de gota, falece Samuel em sua casa, em Hartford, sepultado posteriormente no Cesar Hill Cemetery. Estima-se que Colt tenha deixado de herança para a esposa Elizabeth algo em torno de 15 milhões de dólares, em valores da época; uma fortuna realmente impressionante. Seu cunhado Richard Jarvis toma as rédeas dos negócios, com auxílio de seu sobrinho Caldwell, que era filho do irmão de Colt, John.
COLT “CONVERSIONS” – ADAPTAÇÕES PARA CARTUCHO METÁLICO
Por uma grande ironia do destino, Samuel Colt morre em 1862, pouco mais de 10 anos antes de poder ver o lançamento do primeiro Colt, de uso militar, utilizando cartuchos metálicos, uma arma que se tornaria um ícone do oeste americano e de todos os aficionados por armas de fogo. A bem da verdade, em 1873 os cartuchos metálicos não eram novidade. Existiam desde os meados do século 19, anteriormente com os Lefaucheux franceses, da mesma época dos Colt Paterson, e depois com os concorrentes Smith & Wesson, em 1855.
Entretanto, Smith & Wesson patenteou o cartucho metálico, mais ou menos da forma como o conhecemos hoje, e a Colt não podia fabricar revólveres utilizando esse tipo de cartucho, a não ser que pagasse pesados royalties, com o que Samuel Colt nunca concordara. Porém, em abril de 1869 expirou a patente e a Colt já tinha condições de entrar em uma nova era.
A conversão de modelos da Colt originalmente do sistema de percussão, para utilizarem cartuchos metálicos, tornou-se bastante comum a partir de 1860. O Army de 1860 foi um dos modelos mais convertidos para cartuchos metálicos, conversões essas que eram executadas em várias oficinas e por armeiros experientes, a um custo acessível. Porém, os modelos Navy, bastante comuns na época, também passaram a ser convertidos.
Alexander Thuer, engenheiro da Colt Firearms foi o idealizador da “conversão oficial” dos revólveres Colt, executados na própria fábrica. Thuer entrou para a Colt em 1849, vindo da Prússia, onde havia trabalhado e desenvolvido diversos projetos em indústrias de armas. Como chegou à Colt na mesma época que Root, a junção desses dois homens criativos foi de grande valia para os negócios.
A conversão idealizada por Thuer permitia que os revólveres continuassem funcionando no sistema de percussão, simplesmente utilizando o tambor original da arma. Cartuchos metálicos, nesta época, eram muito dispendiosos e os vaqueiros e a população civil em geral não podiam gastar muito com esse tipo de munição. Os componentes para se carregar revólveres de percussão, projéteis, pólvora e espoletas, ainda eram bem mais baratos. Por isso, a chamada “Thuer Conversion” fez muito sucesso, transformando os revólveres para novos cartuchos mas sem obrigar seu proprietário a dispender mais dinheiro.
Colt Army 1860 “Thuer Convertion” – note que a alavanca de carregamento foi mantida, mas com pequena modificação na sua extremidade. A troca do tambor e do anel de comversão pelo tambor original retornava a arma às suas condições originais.
A conversão Thuer permitia o uso de cartuchos de metal, sem aro, de formato ligeiramente cônicos, que foram desenvolvidos especialmente para isso, disponível em tres calibres: .31, .36 e .44, utilizando projéteis também cônicos. O carregamento era feito pela frente do tambor. A alavanca original de pressionamento dos projéteis, ligeiramente modificada, permitia que se forçasse a entrada dos cartuchos e os mesmos eram levemente prensados no interior da câmera. Atrás do tambor havia um anel, o qual continha o percussor embutido e um sistema interessante de extração dos cartuchos. Girando-se esse anel para a posição de disparo, o mesmo permanecia fixo e só o tambor girava. Após os disparos, girava-se o anel uns 30 graus para a esquerda ou direita, para a extração dos cartuchos. Ia-se girando o tambor com a mão, câmara por câmara, e disparava-se a arma para que o impacto do cão sobre o mecanismo expulsasse os cartuchos.
Acima, esquema do mecanismo de conversão de Thuer. Nota-se a conicidade dos cartuchos e o percussor (g) montado diretamente no anel.
Na Colt, além de Thuer, William Mason e Charles Richards também trabalharam em projetos de revólveres para uso com cartuchos metálicos. Partiu de Charles Richards a opção de uma nova conversão, em resposta à várias críticas que existiam em relação à idéia de Thuer. Um dos maiores problemas da conversão de Thuer eram falhas devidas ao não correto assentamento dos cartuchos durante a carga. Richards resolveu empregar cartuchos de metal convencionais, utilizando um tambor totalmente vazado, uma vez que a patente de Rollin White havia se expirado em 1869.
Com isso, a arma não mais funcionaria opcionalmente com o tambor antigo, de percussão, como ocorria com a conversão Thuer. O cartucho mais empregado nessa conversão de Richards foi o .44 Colt, um cartucho de aro, de fogo central. Houve a eliminação total da alavanca de recarregamento, e em seu lugar foi instalado o sistema de ejeção, que adentrava as câmaras do tambor, uma a uma, e expulsava os cartuchos vazios pela mesma portinhola escamoteável traseira, que servia para a recarga. Esse sistema acabou sendo o utilizado em quase todos os revólveres Colt de ação simples que surgiram posteriormente.

Conversão de Charles Richards para cartuchos metálicos, feita sobre um Colt Army; note a vareta lateral para extração dos cartuchos, solução empregada mais tarde nos Single Action Army 1873.
William Mason já havia trabalhado na Colt por colta de 1860 e retornou à ela em 1866. Baseado na conversão de Richards, Mason elaborou uam série de mudanças, visando redução de custos e facilidade de produção. O sistema de ejeção foi bastante simplificado e melhorado, sendo essa a maior diferença entre as conversões de Richards e as agora denominadas de Richards-Mason. O sistema de disparo também foi alterado, e agora o próprio cão possuía um ressalto de disparo. Além disso, uma recente idéia de Richards de projetar um cão de podia disparar munição de fogo central ou fogo circular, foi mantida.
Diversos revólveres Colt do modelo Navy de 1851, bem como os mais recentes Navy Belt de 1861 e Pocket Police 1862, bem como os Army 1860 foram convertidos.
COLT SINGLE ACTION DE 1873
Em 1871 a Colt produziu em baixa escala o denominado Colt Open Top, ou Colt Modelo 1871, e seu cartucho era o .44 Henry Rim-Fire, considerado muito fraco pelos militares e rejeitado nos testes efetuados pelo Exército em 1872. Depois disso, e a pedido do Governo dos Estados Unidos, os dois mais influentes engeneheiros da empresa, Charles Brinckerhoff Richards e William Mason, começaram a desenvolver um revólver destinado aos testes que seriam levados a cabo pelo Exército em 1873, a fim de adotar um revólver padrão em substituição ao Army de 1860.
Acima, o Colt Open-Top de 1871, em calibre .44 Rim-Fire
Este projeto se denominou “New Model Army Metallic Cartridge Revolving Pistol“. Originalmente o cartucho que foi usado era o já conhecido .45 S&W American, usado nos Smith & Wesson Schofield, mas que se mostrou um pouco anêmico aos olhos dos militares. Posteriormente, a equipe da Colt, juntamente com a Union Metallic Cartridge Co., de Bridgeport, desenvolveram um cartucho de fogo central, com projétil de calibre .45”, com 255 grains de peso, bastante potente para os padrões da época, quase se equiparando ao poder de fogo dos antigos Colt Walker. Esse cartucho iria em breve se denominar .45 Long Colt.
Em 1873, o revólver foi adotado pelo Exército com o nome oficial de Colt Single Action Army, e fazia parceria com outro revólver adotado anteriormente, o modelo Schofield, da concorrente Smith & Wesson. Esse revólver usava um cartucho .45 mais curto que o do Colt, o calibre .45 American, e por problemas logísticos, começou a ser utilizado em ambos os revólveres. Os revólveres Colt aceitavam bem ambos os cartuchos, mas o .45 Long Colt não servia no revólver Schofield.
O Smith & Wesson modelo Schofield, de ação simples, usado pelo Exército Americano
Porém, o Colt foi claramente preferido pelos militares em relação ao concorrente, só saindo de serviço em 1892, com a adoção do modelo de dupla-ação em calibre .38 Long Colt. Os revólveres Schofield, com mais alguns anos de uso, saíram de serviço e foram vendidos à civis. Apesar disso, não era um revólver ruim. Seu sistema de abertura “top-break“, do tipo de “abrir por cima”, era muito mais rápido de descarregar e de municiar, ao invés do sistema da Colt.
O Colt Single Action Army de 1873, em calibre .45 Long Colt, “The Gun that Won the West” (A Arma que Conquistou o Oeste) – o modelo acima, com cano de 7 1/2″ era denominado de Peacemaker.
Um ano depois, em 1874, a produção do novo revólver modelo 1873 já atingia a casa de 16.000 armas, sendo que cerca de 12.500 adquiridas pelo Exército e o restante para uso da população civil. Devido a seu preço de venda, que não era nada atrativo para os padrões da época, a população continuou usando revólveres de percussão por um bom tempo.
O Colt Single Action Army era oferecido com comprimento de canos de 4¾”, 5½” bem como o padrão para a cavalaria, que era de 7½” polegadas. Os de cano mais curtos eram chamados de “civis” e os de 5½ eram os de “Artilharia”. Com o passar dos anos, a popularidade desse revólver foi crescendo exponencialmente, e pelo fato de ser a arma adotada pelo Exército, granjeou muito mais confiança do que seus concorrentes, fazendo dele o revólver mais vendido e utilizado nos Estados Unidos até a popularização dos revólveres de ação dupla, no começo do século, lançados pela própria Colt e pela arquirrival Smith & Wesson.
A carabina Winchester 1873 em calibre .44-40, a companheira constante do Colt Frontier
No mesmo ano de 1873, a Winchester havia lançado sua primeira carabina e rifle utilizando cartuchos de fogo central, onde o .44-40 WCF era o mais difundido entre a população civil. Em 1878, a Colt percebeu que um revólver em calibre .44-40, utilizando exatamente o mesmo cartucho usado nas Winchester de ação por alavanca, traria uma tremenda vantagem para os usuários, que poderiam padronizar a sua munição. Assim, em 1878 a Colt lança o Colt Frontier Six-Shooter, praticamente o mesmo revólver modelo Army mas em calibre .44-40 WCF, bem como nos demais cartuchos .38-40W e 32-20W, em bem menor escala.
Com essa alteração, o sucesso de vendas do novo revólver foi estrondoso e “cowboys” e fazendeiros podiam agora portar as duas armas, a Winchester e o Colt, sem a preocupação de se atrapalharem com a munição. O cartucho .44-40 WCF tinha quase a mesma dimensão do .45 Long Colt e mais ou menos a mesma potência, detalhe que não fazia diferença alguma no uso prático. A situação inversa, o que aliás não ocorreu, seria a Winchester ter lançado a modelo 1873 em calibre .45 Colt, o que seria impraticável por dois motivos: o cartucho .45 Colt possui um aro muito pequeno para ser extraído com eficiência pelo sistema de extração da Winchester, além de ser um cartucho retilíneo que, em tese, dificulta mais a extração.
Embora fora do contexto desse artigo, nesse mesmo ano a Colt lança seu primeiro modelo em ação dupla, o Modelo 1878, também denominado de Frontier ou Double Action Army, nos mesmos calibres dos modelos Single Action.
Acima, o Colt Single Action Frontier Six-Shooter em calibre .44-40 WCF, que formava a dupla perfeita com as carabinas Winchester utilizando os mesmos cartuchos.
Cabem agora algumas palavras no que tange à seu mecanismo e seus métodos de utilização. Revólveres de ação simples, hoje em dia, são considerados ultrapassados, evidentemente. Seu uso, hoje, se restringe aos saudosistas que apreciam esse tipo de arma e aos praticantes do esporte denominado Cowboy Shooting, muito em moda nos Estados Unidos.
A maior vantagem que eles possuem sobre os de dupla ação se resume ao mecanismo, bem mais simples e geralmente mais robusto, sem falar no método pouco ortodoxo e controvertido de se disparar diversos tiros em sequencia rápida, mantendo o gatilho pressionado e acionando o cão para trás diversas vezes utilizando a palma da mão (foto), bem ao estilo dos pistoleiros do velho oeste, uma forma de disparo que os revólveres de dupla ação não fazem. Nos revólveres de dupla-ação, a peça que impulsiona a catraca do tambor para fazê-lo girar à cada disparo é impulsionada pelo movimento do gatilho, e não pelo movimento do cão, como é nos modelos de ação simples.
O famoso exhibition shooter norte-americano Ed Mc Givern, falecido em 1957, que atravessava o país com seu show de tiro exibicionista, dismistificou a teoria de que esse tipo de tiro, executado nos Colt de ação simples, era muito impreciso e se errava mais o alvo do que acertava. Ed se tornou um especialista nesse tipo de tiro e até ganhou um espaço no livro de recordes Guiness.
O fato de um Colt S.A. necessitar ser engatilhado à cada disparo soa estranho nos dias de hoje e parece ser difícil de se aceitar como a arma fez tanto sucesso, visto que na mesma época já havia seu concorrente Smith & Wesson oferecendo revólveres de dupla-ação, onde cada premida do gatilho faz o tambor girar e o cão armar, caindo logo em seguida sobre o cartucho seguinte.
O carregamento do Colt S.A. se dava através de uma “porta” basculante, do lado direito do tambor. Colocava-se o cão no primeiro estágio de suas travas, o que liberava a rotação do tambor. Com a portinhola aberta, cada câmara ia sendo posicionada defronte à sua abertura e os cartuchos, um a um, iam sendo inseridos no tambor. Depois, fechava-se a portinhola e a arma estava pronta para uso.

O Colt Single Action com um dos cartuchos detonados sendo extraídos, com o uso da vareta extratora situada sob o cano – nota-se na foto a vareta extratora na posição de máxima de seu curso e o cão armado na primeira posição.
Após descarregar-se todos os seis cartuchos, a extração também era de certa forma trabalhosa; abria-se novamente a portinhola, armava-se o cão até seu primeiro estágio, e alinhavam-se os cartuchos um a um, extraindo-os com a ajuda de uma vareta de extração, vareta essa que possuía uma mola para retornar à sua posição inicial.
Em alguns casos, dependendo do estado da arma e dos cartuchos, havia a chance deles caírem de dentro das câmaras pela ação da gravidade, simplesmente apontando-se o cano para cima e girando o tambor devagar, até saírem todos os cartuchos.
Essa vareta e sua mola corriam dentro de um tubo, fixado embaixo do cano, e possuía uma pequena lingueta para ser utilizada. O tambor do Colt S.A, era fixo, apesar de que podia ser removido totalmente da arma para limpeza, desapertando-se um parafuso e retirando-se o seu eixo. Porém, não era uma operação a ser feita durante o uso normal. Mais uma vez, o concorrente Smith & Wesson oferecia em seus modelos do sistema “top-break” a praticidade de se bascular o cano para baixo, deixando o tambor totalmente exposto e dispondo de um extrator do tipo estrela, que ejetava todos os cartuchos ao mesmo tempo. Na foto, vemos um Smith & Wesson sendo aberto rapidamente pelo atirador, e todos os seus cartuchos sendo ejetados ao mesmo tempo.
Consequentemente, o carregamento dos Smith & Wesson também era mais rápido e cômodo, pois todas as câmaras ficavam expostas e os cartuchos eram “jogados” dentro delas com velocidade. Apesar de todas essas vantagens, a história nos mostra que os Colt sempre fizeram muito mais sucesso do que seus concorrentes de ação dupla, inclusive no fato de terem sido oficialmente adotados pelo Exército.
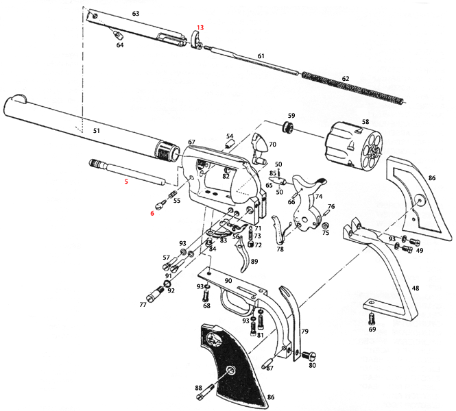
Vista explodida de um modelo do Colt Single Action – o fato de não possuir uma armação (frame) inteiriça, tal como nos revólveres mais modernos, que engloba a caixa de tambor, empunhadura e guarda-mato em uma só peça, isso implicava em uma quantidade grande de parafusos de fixação e de peças, tornando a arma desnecessariamente complicada.
Aficionados por esse revólver costumam propagar que não há som mais delicioso e agradável de se ouvir em uma arma, do que o gerado pelo ato de engatilhar um Colt Single Action: “click-click-click-click“. Posso garantir que, realmente, é um prazer de se ouvir esses quatro cliques, ligeiramente diferentes entre si quanto à “tonalidade”. Quando se arma um cão dessa arma, o primeiro clique é a posição onde o tambor é liberado para girar, ou seja, posição para carga e descarga. O segundo clique é o ruído da armadilha passando pelo ressalto do cão; o terceiro é quando a trava do tambor retorna à sua posição e engata em um dos ressaltos do cilindro; o quarto clique é o engatilhamento total do cão.
A Colt possuiu durante muitos anos uma equipe de artistas e gravadores de primeira linha; seus modelos “De Luxo” fizeram fama na época, e portar um Colt ricamente ornamentado era símbolo de status e de boa condição financeira. O modelo acima. o Peacemaker com cano de 7 1/2″ tem o tambor folheado à ouro e talas de empunhadura em marfim.
Excetuando-se os novos modelos do Colt S.A., que agora são dotados de um sistema que permite que se porte a arma seguramente com o cão baixado sobre uma câmara carregada, os modelos originais não eram realmente muito seguros. Uma queda ao chão causava, com certeza, um disparo acidental. Talvez esse procedimento descrito a seguir não era seguido na época do faroeste, mas hoje, aconselha-se fortemente a deixar uma de suas seis câmaras vazia, e repousar o cão sobre ela, no transporte. O problema disso é que, na prática, o revólver utilizará somente 5 cartuchos.
Um magnífico exemplo do que os artistas da Colt sabiam fazer (Museu da NRA)
A partir de 1890, a Colt produz cerca de 900 modelos denominados de Flat Top, onde a maior diferença era o perfil plano da parte superior da armação, permitindo que alça de mira graduada fosse instalada. A massa de mira saiu da tradicional forma arredondada para uma de rampa, mais propícia para tiro de precisão. Essa rampa podia ser removida e substituída por outras variações, em largura e desenho.
Acima o Colt Single Action “Flat Top Model”, este em calibre .44 Russian com mira fixa traseira
O modelo Bisley foi introduzido em 1894, como sendo um revólver específico para tiro ao alvo. O nome é oriundo de um famoso e concorrido torneio de tiro realizado em Bisley, na Grã Bretanha. Sua empunhadura foi alongada, o ângulo ligeiramente jogado para a frente, “orelha” do cão aumentada e a tecla do gatilho era mais larga, com uma curvatura mais acentuada e deslocada mais para trás. As miras traseiras eram reguláveis na lateral e na altura, micrometricamente. A folha da massa de mira era removível e podia ser substituída por outra de desenho diferente. Na mesma sequencia dos Single Action Army, a numeração de série dos Bisley iniciou-se em 156.300 e foi até 331.916, terminando sua produção em 1912.
Colt modelo Bisley em calibre .45 Long Colt
Mesmo com a produção total beirando cerca de 44.000 armas, o Bisley é uma arma mais raramente encontrada e seu valor, quase sempre, supera os dos Colt SA tradicionais. Os calibres mais comuns eram o 32-20 WCF, 38-40 e 44-40 WCF, .45 Colt, .41 Colt e calibres britânicos como .450 e .455 Eley.
Acima um raro Bisley com cano de 4 3/4″ , “round top”, sem mira regulável e com massa de mira do padrão normal (coleção particular)
Outro modelo que até hoje chama a atenção de colecionadores era o Buntline Special, uma série de revólveres que empregava comprimentos de canos que iam de 12″ até 18″. Sua imagem está intimamente ligada à figura lendária do famoso delegado Wyatt Earp, nascido em 1848 e falecido em 1929. Earp estava presente num dos mais famosos tiroteios da história do velho oeste, no OK Corral, ocorrido em 1881 em Tombstone, Arizona. Entretanto, fatos reais apontam que Earp utilizou nesse episódio um Smith & Wesson mod. 1869, com cano de 8″, em calibre .44 American.
O Colt Buntline Special com cano de 12″, calibre .45 Long Colt
Ned Buntline era o pseudônimo do novelista americano Edward Zane Judson, morto em 1886. O autor da biografia de Earp, Stuart Lake, acredita que Buntline tenha encomendado à Colt cinco revólveres de cano longo, em 1876, e presenteado alguns deles à figuras eminentes da Lei, como Wyatt Earp e Bat Masterson. Entretanto, não há registros dessa encomenda nos anais da Colt. A biografia de Lake, editada em 1931, exagerou demasiadamente a figura de Earp, inspirando diversos filmes e seriados de TV, como a série de 1955 intitulada The Life and Legend of Wyatt Earp e mais recentemente os filmes Tombstone, com Kurt Russel e Wyatt Earp, com Kevin Costner.
Em 1900, a Colt recebe certificação para que seus revólveres estejam aptos a aceitarem os novos cartuchos carregados om pólvora sem fumaça. Desde 1873 até meados de 1940 a produção dos Colt de ação simples atingiram a marca de 358 mil revólveres. Essa série é identificada pelos colecionadores como sendo a primeira geração dos revólveres. Os calibres empregados foram muitos, a partir do .22LR até o .476 Eley. Os principais cartuchos empregados foram o .45 Colt, .44-40 WCF, .38-40 WCF, .32-2- WCF e o .41 Colt.
A chamada segunda geração se iniciou em 1956 e perdurou até 1974, com cerca de 73 mil armas produzidas. Com o sucesso da série de TV sobre a vida de Wyatt Earp, a Colt também produziu alguns modelos Buntline neste período. De 1961 a 1975 a fábrica ofereceu os revólveres com alça de mira ajustável, conhecidos como “New Frontier”.
A chamada terceira geração iniciou-se em 1976 com algumas modificações de construção. Com a popularidade do esporte Cowboy Shooting, a produção do revólver aumentou, a partir de 1994. As armas eram oferecidas em dois tipos de acabamento, o totalmente niquelado e o oxidado em azul com armação “case-hardened“. O comprimento dos canos foram fixados em 4¾”, 5½” e 7½”; os cartuchos mais utilizados são os .32-20, 38-40 e .44-40, todos da Winchester, além de .38 Special, .357 Magnum e o tradicional .45 Colt.
A potência, precisão, confiabilidade mecânica, excelência de materiais e sua indelével associação com a história norte-americana fizeram dos revólveres Colt de ação simples a maior lenda existente sobre uma arma em se tratando de revólveres.
Na foto, Tenente General George S. Patton Jr, com seu revólver Colt New Frontier e sua inseparável câmera Leica.
Não há nenhum outro revólver no mundo que tenha alimentado tanto o imaginário popular como ele. O controvertido e grande general americano, George S. Patton Jr. foi visto e fotografado diversas vezes em sua campanha pela Europa, na II Guerra, apoiando orgulhosamente a palma da mão sobre a coronha de marfim de seu Colt New Frontier, de ação simples.
Ele havia utilizado esse revólver anteriormente, na Expedição feita ao México em 1916, onde matou dois tenentes de Pancho Villa. Patton usou esse revólver durante quase toda a sua atuação na Europa e estava com ele no dia de sua morte, quando ele se acidentou fatalmente, logo após o término da guerra. Patton viajava com seu ajudante de ordens e um sargento motorista em um Jeep do Exército Americano, fazendo reconhecimento em uma estrada da Alemanha, quando foram atingidos por um caminhão desgovernado. Com grave lesão na coluna cervical, Patton ficou paralisado do pescoço para baixo e levado a um hospital, onde veio a falecer poucos dias depois. Além de Patton, incontáveis foram os entusiastas americanos dessa arma, atiradores de exibição e esportistas, que levaram a fama dessa arma às alturas.
O revólver Taurus modelo Gaucho, produzido em calibre .45 Long Colt, dentre outros, é claramente inspirado no Colt SA, mas não idêntico.
Atualmente produzem-se dentro e fora dos USA dezenas de revólveres, cópias idênticas ou simplesmente inspiradas nessas armas, como faz a firma italiana Uberti, hoje parte do conglomerado da Beretta. A brasileira Taurus não fica para trás nesse campo, e produz o seu revólver Gaucho, com muito boa aceitação nos Estados Unidos.
EPÍLOGO
Samuel Colt era um homem tremendamente orgulhoso de tudo o que fazia, e além disso, sempre foi muito vaidoso. Como tinha constantemente contatos com gente importante e até chefes de estado estrangeiros, Colt solicitou à seu amigo, o então governador do estado de Connecticut, a torná-lo um tenente-coronel da milícia do estado. Com esta patente não oficial, ele passou a novamente excursionar pela Europa para promover seu revólver.
Par de Colt S.A. em caixa original com acessórios
Em sua época, foi um pioneiro e inovador nas técnicas de marketing. Freqüentemente presenteava versões de suas armas, finamente gravadas, trabalhadas e personalizadas para Chefes de Estado, oficiais militares e personalidades importantes, tanto nos Estados Unidos como no exterior. Foi assim com Giuseppe Garibaldi , o rei Victor Emmanuel II da Itália, o lutador húngaro Lajos Kossuth e vários presidentes norte-americanos. Em uma viagem à Turquia ele presenteou o sultão Abdulmecid I com um revólver incrustado à ouro. Seus presentes traziam invariavelmente as inscrições “Com os cumprimentos do Cel. Colt”, gravado na parte traseira da empunhadura.
Estima-se que nos primeiros 25 anos de fabricação, a companhia de Colt produziu mais de 400 mil revólveres. Além de presentes que ofertava, alguns com claras intenções de suborno, a Colt possuía um programa muito eficaz de marketing que incluía a promoção de vendas, publicidade, amostras de produtos e vários responsáveis por relações públicas. Ele usou muito a imprensa para valorizar sua própria imagem, presenteando revólveres para os editores, levando-os a enaltecerem as qualidades de seus produtos.
Em 1867, sua viúva, Elizabeth, construiu uma igreja Episcopal desenhada por Edward Tuckerman Potter, como sendo um memorial a Samuel Colt e às três crianças que eles perderam ao longo da vida. Em 1975, a então Igreja do Bom Pastor e Casa Paroquial foram citadas no Registro Nacional de Lugares Históricos dos Estados Unidos. Em 2006, o nome de Samuel Colt foi incluído no National Inventors Hall of Fame.






















































Empolgante artigo em que o presente nos remete ao passado e vice-versa.
Rubens
28/03/2023 at 17:52
otimo,bela, informação,e cultura,aos adeptos,interessados,aos modelos colt,do seculos passados e pioneiros,
MARCO ANTONIO ARAUJO FARTO
10/09/2022 at 10:58
Agradeço muito seus elogios. Grande abraço.
Carlos F P Neto
04/03/2022 at 12:40
Excelente artigo, didático, explicativo, sem perder a profundidade e erudição que o assunto merece, parabéns pela qualidade e fluência narrativa…!!! Pela paixão e conhecimento, do autor do mesmo, sugiro-lhe a escrita de um livro em português ricamente ilustrado com a mesma qualidade de texto…Garantia de sucesso do “autor” em qualquer época, pelo assunto tão apaixonante…!!! Abçs, vida longa e boa sorte..!!!
alex almeida helm
27/02/2022 at 6:46
Ademir, leia a nossa Política de Identificações e Avaliações, no menu do nosso site.
Carlos F P Neto
01/12/2020 at 17:59
Ola
Tenho um revólver colt 38, 4 pol/ ano 1903!
Não encontrei na minha pesquisa!
Se possível, gostaria de receber alguma indicação de consulta, sobre essa arma !
Grato
Ademir
Ademir
20/11/2020 at 20:27
Obrigado, caro amigo, por suas gentis palavras !!
Carlos F P Neto
28/02/2020 at 15:59