Fuzis e Carabinas na I e II Grandes Guerras
sads
Dando continuidade à nossa série de artigos sobre armas portáteis, curtas ou longas, que foram utilizadas pelos países mais importantes que participaram da I e II Grandes Guerras, pretendemos descrever agora, de forma resumida, as principais características das armas longas portáteis, sejam elas fuzís ou carabinas, de repetição ou semi-automáticas, que participaram dos maiores conflitos armados da história, a Primeira Grande Guerra (1914-1918) e a Segunda Guerra Mundial, que teve seu início em setembro de 1939 e que se encerrou em 1945. O teatro de operações deste último conflito foi imenso, abrangendo praticamente toda a Europa, parte da Ásia, Japão e norte da África, com diversos países, aliados ou não, participando de forma direta ou indireta, dos combates.
O uso das armas longas em combate tem conotação bem diferente da que ocorria com as armas curtas. As curtas são, tradicionalmente, voltadas à proteção e defesa individual, ao contrário dos fuzís ou carabinas que atuam de forma mais ostensiva e para o ataque, seja ele feito em grupo ou individualmente, devido ao seu maior poder de fogo e maior alcance efetivo. Neste artigo não entraremos no âmbito de armas automáticas de uso coletivo ou portáteis como as sub-metralhadoras e as metralhadoras leves ou pesadas, pois à estas dedicaremos um outro artigo exclusivo. Não se pretende aqui descrever todas as armas utilizadas por um determinado país, o que demandaria um artigo longo demais; a intenção é enumerar a principal ou as principais armas, aquelas que foram utilizadas em toda a duração dos conflitos e com grande participação entre as tropas.
ALEMANHA
A Alemanha, graças à engenhosidade de Herr Peter Mauser, teve o privilégio de poder contar, nas duas Grandes Guerras, com um dos mais respeitados, confiáveis, resistentes e duráveis fuzis de repetição até hoje produzidos. Seu projeto era tão bem elaborado que serviu de inspiração para a grande maioria dos fuzis de ação por ferrolho desenvolvidos em outros países, depois dele. Para entendermos melhor a evolução do fuzil Mauser, vamos retroceder até 1841, quando a arma longa padrão da Prússia e do Exército Imperial Alemão era o fuzil Dreyse, projetado por Johann Nikolaus von Dreyse, chamado popularmente de “needle-gun” – isso se deve ao sistema pouco comum de percussão que se empregava nos seus cartuchos. O Dreyse utilizava um cartucho de papelão tendo numa das extremidades um projétil de chumbo de 15,4mm de diâmetro. Esse projétil possuía uma espoleta montada em sua base, de forma que para ser atingida, o ferrolho possuía um percussor em formato de longa agulha, a qual perfurava a base do cartucho, atravessava toda a carga de pólvora e atingia a espoleta montada na base do projétil.
O fuzil Dreyse “needle-gun”, adotado pela Prússia em 1841 – o primeiro fuzil militar de retrocarga e ação por ferrolho rotativo
Apesar de ter sido utilizado na Guerra Franco-Prussiana e era, na sua época, um dos primeiros fuzís de retrocarga a serem utilizados militarmente, haviam problemas crônicos em seu projeto, principalmente no cartucho, inimigo ferrenho da umidade, além de problemas de corrosão que atacava a agulha do percussor, pois a combustão da pólvora se dava com essa agulha no interior do cartucho. Desta forma, substituiu-se o Dreyse pelo Mauser 1871, adotado pelo governo com o nome de Gewehr 71. Foi incorporado às fileiras militares do Império Germânico, com exceção da Bavária. Foi um dos primeiros fuzis de cartucho metálico, de repetição, que fizeram sucesso no mundo, tendo chegado à casa de pouco mais de um milhão de armas fabricadas. Era um fuzil de ação por ferrolho, um só cartucho disparado de cada vez, no calibre 11mm (11,15X60R), com carga de pólvora negra.

O fuzil Mauser modelo 1871

O enorme cartucho 11,15X60R, utilizado nos fuzis Mauser 1871 e 1871/84
Em 1884, a Mauser, em conjunto com o engenheiro Alfred von Kropatschek desenvolveu, sobre o projeto original do M1871, um novo fuzil, agora de repetição, com carregador tubular sob o cano, no mesmo calibre de 11mm, com capacidade para oito cartuchos. Foi denominado oficialmente de Gewehr 1871/84 e rapidamente iniciou-se a substituição do fuzil 1871, por essa inovação. A possibilidade que se abria agora, aos soldados, equipados com um fuzil de repetição, com recurso de disparar 8 tiros sem recarregar e de forma muito rápida, entusiasmou sobremaneira os governantes do Império Germânico.
Acima, detalhes da ação do Mauser 71/84
Na foto acima, três gerações de fuzís utilizados pela Alemanha, de 1871 a 1888 – o Mauser 1871, o Mauser 1871/84 e o Comission Rifle (Gewehr 1888)
Entretanto, essa alegria iria durar pouco. Em 1886, os franceses, “eternos rivais” do Império Germânico, passaram a utilizar o primeiro fuzil de repetição do mundo que empregava um cartucho de calibre baixo, alta velocidade e carregado com a última novidade: a pólvora sem fumaça. Tratava-se do fuzil Lebel modelo 1886, em calibre 8mm X 60R. Sem conseguir engolir em seco essa “revolução tecnológica” dos franceses, imediatamente uma Comissão Alemã foi designada para desenvolver um novo cartucho rival ao 8mm Lebel, bem como uma nova arma que o utilizaria. Nasceria desta corrida tecnológica o então denominado fuzil da Comissão Alemã de 1888, ou simplesmente Gewehr M 1888. Ao contrário do que muitos acreditam, o fuzil 1888 não é um Mauser e sim, um híbrido que utilizava ação similar ao Mauser 71/84 mas com um carregador tipo Mannlicher para 5 cartuchos. Veja aqui um artigo dedicado exclusivamente à essa arma.
O Comission Rifle 1888, primeiro fuzil a ser adotado pela Alemanha usando cartucho com pólvora sem fumaça
O Exército Imperial Alemão utilizou o fuzil 1888 mesmo após a adoção do Mauser 1898, dez anos depois. Mesmo durante a I Guerra o modelo 88 conviveu com os infantes alemães em diversas de suas unidades e em várias localidades, embora com o passar do tempo começou a ser relegado à segundo plano, destinado à servir em tropas de retaguarda e de segundo escalão.
Acima, um grupo dos “Bavarian Landswehr” posa para uma fotografia, em 1915, portando seus fuzís mod. 1888
Entretanto, durante a atividade da Comissão Alemã em 1888 desenvolvendo o seu próprio fuzil, Paul Mauser desenvolvia duas variantes de uma mesma arma, com ação totalmente remodelada e que foi oferecida à Espanha, em 1893, apresentando inclusive um novo cartucho de calibre mais baixo, o 7mm X 57, o famoso 7mm Mauser que o Brasil também adotaria, em 1894. Esse novo fuzil fez enorme sucesso onde foi vendido, em diversos países como México, Chile, Uruguai, China, Pérsia e África do Sul, além do Brasil e Espanha.
Desgostosos com o desempenho e de vários problemas inerentes ao projeto do modelo 88, em 5 de abril de 1898 o Governo Alemão resolve adotar o Mauser modelo 1898, uma evolução mais reforçada do modelo 1893, com condições de suportar cartuchos de pressão mais elevada. Para isso, foram acrescentados reforços no fechamento do ferrolho. Além disso, para não fugir ao padrão do cartucho já em uso, Mauser fez uma pequena alteração no 8mm já existente, aumentando o diâmetro do projétil de .318″ para .323″ de polegada e com formato pontiagudo (spitzer) ao invés do arredondado. Nascia então o famoso cartucho 7,92mm X 57mm JS, mais rápido e potente que o antecessor.
O Infanteriegewehr M1898, em calibre 7,92X57mm, arma padrão da Alemanha na I Guerra
O fuzil Mauser M1898 rapidamente começou a ser distribuído às tropas, de forma que na eclosão da I Grande Guerra os soldados da Alemanha Imperial entraram nos campos de batalha já equipados com essa arma. O Mauser 1898 demonstrou ser talvez, por sua robustez, precisão, cartucho bem acertado e confiabilidade, o melhor fuzil de infantaria utilizado na I Guerra. Sem desmerecer seus competidores mais próximos, como o norte-americano Springfield 1903 e o britânico S.M.L.E Nº 1 MK III, indubitavelmente o Mauser reunia todas as excelentes características responsáveis por fazer, deste fuzil um padrão em sua classe, facilmente comprovado pela sua dotação em dezenas de países pelo mundo afora. O Lee-Enfield inglês era, sem dúvida, em excelente fuzil mas utilizava um cartucho beirando a obsolescência. O Springfield 1903, como veremos mais abaixo, convenhamos, era “quase” um Mauser, com seu projeto bastante baseado neste último.
Em 1935, o Tratado de Versalhes, assinado após a rendição da Alemanha e que incluía uma série de limitações aos países derrotados, muitas delas relativas à produção de armas de fogo, já não estava sendo levado muito à sério pelas comissões responsáveis por armamento, do já então atuante governo nazista. Algumas limitações contidas no Tratado eram aplicadas ao comprimento de cano de armas longas e curtas, capacidade de munição, alcance e calibre. Mas não foi só por esse motivo que, neste ano, a Wehrmacht adota, como arma padrão da infantaria, a carabina Mauser baseada no fuzil M1898, denominada de Karabiner 98K, o “K” proveniente da palavra Kurz, que significa curta. A bem da verdade, o Exército já estava indo na direção certa quando preferia utilizar um fuzil mais curto, bem mais fácil de manobrar em locais mais apertados, além do que provou-se, durante as batalhas, o quão era desnecessário alguns centímetros a mais no comprimento do cano. Isso pouco representava na eficiência em combate, onde a maior utilização da arma era feita a relativa curta distância.

A Kar98, como era designada, possuía um comprimento total de 1,11 metros, contra 1,25m do fuzil de onde derivava, e peso total de 3,700 Kg contra os 4,090 do fuzil. Parece pouco mas fazia uma grande diferença na maneabilidade e facilidade de uso. Tal qual o G’98, a carabina era uma arma de repetição, sistema de ferrolho rotativo, alimentada por um clipe de 5 cartuchos, encaixado em uma abertura na parte traseira da armação. Após os cartuchos serem empurrados para dentro do carregador, com o uso do polegar, a lâmina era descartada e os cartuchos se alojavam um ao lado do outro, no sistema bifilar (tres de um lado e dois de outro).
À esquerda, o clipe de cinco cartuchos 7,92mmX57
O cartucho era o mesmo do fuzil, já utilizado na I Guerra, o Patrone 7,92mm X 57 JS, um potente cartucho com projétil pontiagudo, que atingia velocidade de cerca de 770 metros/segundo. O carregador da carabina Mauser era totalmente embutido na coronha, mas com uma tampa inferior que podia ser removida para se proceder à limpeza ou inspeção da mola. O sistema também permitia a inclusão de cartuchos um a um, sem uso do clipe. O ferrolho possuía a alavanca de manejo curvada para baixo, ao invés da alavanca reta do fuzil, o que era, sem dúvida, muito mais confortável e rápido de manejar, e por isso, a coronha contava com um rebaixo usinado na posição da alavanca.
Versão “sniper” da Mauser 98K, padrão da Alemanha na II Guerra, com mira telescópica Zeiss ZF-41
A alça de mira, posicionada logo à frente da culatra, diretamente sobre o cano, era regulável em altura, graduada de 100 até 2.000 metros, através de uma corrediça móvel, mas não possuía ajuste lateral. A massa de mira era fixa, e possuía um dispositivo de proteção contra impactos, que fazia também o papel de um tampão para proteção do cano. A coronha era feita em madeira laminada (compensado) que, apesar de mais pesada que a normal, possuía mais resistência às intempéries e empenamento. Alguns exemplares chegaram a utilizar até o olmo e a nogueira, mas não em período de guerra. A soleira era feita de chapa de aço, de boa espessura, e com muita resistência à impactos. Muitas vezes a carabina servia até como uma espécie de ferramenta, muitas vezes para arrombar ou quebrar portas e janelas, de forma que essa soleira necessitava, realmente, ser resistente.
Na foto acima, os dois lados da carabina Mauser 98K – detalhe para a “meia telha” sobre o cano, diferente da telha inteira usada nos nossos fuzis 1908, e o encaixe na coronha para afivelamento da bandoleira.
A bandoleira era montada do lado esquerdo, e não abaixo da arma, como no fuzil. Na parte traseira da coronha havia uma fenda destinada à fixação da bandoleira. Abaixo do cano havia um alojamento que comportava uma vareta de limpeza, a qual, quando rosqueada à mais duas, completava o comprimento total do cano. A baioneta era montada em um suporte tipo trilho, abaixo da boca do cano. Essa baioneta era designada de S84/98 III, com lâmina de 252 mm e comprimento total de 385 mm. Durante a guerra outros tipos de baioneta foram desenvolvidos para essa arma. Esse mesmo suporte para a baioneta servia para se montar um lança-granadas.

À esquerda, carregamento de um Mauser 1898 com o clipe de cinco cartuchos – à direita, cartuchos posicionados com o clipe ainda na posição de encaixe. O ato de se fechar o ferrolho também ocasionava a expulsão do clipe de sua posição.
Entretanto, mesmo utilizando um dos melhores fuzis dentre os adotados pelos países participantes do conflito, a desvantagem era muito grande defronte aos infantes do Exército Norte Americano, praticamente 100% equipados com fuzis semi-automáticos, os M1 “Garand”. O que compensava de certa forma essa desvantagem era a prática alemã de utilização maciça de sub-metralhadoras nos seus batalhões e de tropas das SS: as MP-38 e as MP-40 (veja artigo sobre essas armas aqui em nosso site). Porém, o alcance efetivo de sub-metralhadoras ainda é bem inferior ao dos fuzis, mas não deixava de ser uma compensação.
Em 1940, por solicitação frequente do próprio exército, os fabricantes Mauser e Walther apresentaram suas versões para um fuzil semi-automático. Os modelos avaliados foram designados de G41(M) e G41(W), respectivamente. Em ação, ambos apresentaram diversos problemas, principalmente o modelo da Mauser. O “calcanhar de aquiles” de ambos era o sistema de tomada de gases no cano e o cilindro de ação, para destrancar a culatra. O modelo da Mauser teve vida curta e a Walther, resolveu dedicar mais tempo no projeto, na tentativa de corrigir o problema.
Acima, o Gewehr 41(W), apresentado pela Walther, alimentado por carregador com capacidade para 10 cartuchos calibre 7,92mm X 57. Acabou sendo o escolhido para equipar as tropas por ser mais confiável que seu oponente, da Mauser.
O Mauser G41, dos quais não foram produzidos mais de 7.000 armas , com seu estranho ferrolho posicionado na parte traseira da culatra – por questões de custo, muitas peças eram comuns às Mauser 98K, como coronha, soleira, alça de mira, fuste, braçadeiras, etc. Repare a estranha peça na boca do cano, destinada a recolher parte dos gases para destrancamento da culatra.
Um Gewerhr 41(W) na versão “sniper” com mira telescópica
A comissão alemã designada para avaliar esse projeto, a HWaA (Heereswaffenamt), havia determinado uma série de exigências; a mais controversa delas era que a arma não poderia possuir peças móveis externas. Para isso, em se tratando de arma semi-automática, a alavanca de ferrolho deveria ser do tipo “flutuante”, ou seja, movida para se carregar o primeiro cartucho, mas não poderia se movimentar durante os disparos. Outra exigência: a arma deveria ter uma alternativa de funcionamento manual, caso houvesse algum tipo de engripamento. Além disso, a arma também não deveria ter qualquer orifício no cano destinado à coleta de gases para seu funcionamento, a exemplo do que ocorria e ainda ocorre na grande maioria dos fuzis semiautomáticos.
A Mauser, famosa por sua obcessão quanto à excelência de seus mecanismos, levou essas exigências da HWaA à sua totalidade, embora essa atitude tenha sido a responsável pelo fracasso do projeto. A tomada de gases, por exemplo, era feita por uma peça em forma de cone, colocada na boca do cano, que recolhia parte dos gases para empurrar um pistão e destravar a culatra. O fuzil tornou-se muito complicado, caro de ser produzido e sujeito à problemas de funcionamento. A Walther, por sua vez, que decidiu contrariar as exigências da Comissão, produziu um projeto melhor e mais simples. Levou em conta a exigência de ausência de orifício no cano, por exemplo, mas ignorou peças móveis externamente, o que acabou sendo aceito assim mesmo. Com a arma em combate, a Comissão provou que tomou a decisão acertada. Acredita-se que a produção total dos G41 seja em torno de 120.000 armas.

Combatente alemão na frente russa, leva às costas seu G41.
O cartucho utilizado em ambas as versões do G41W era o padrão 7,92mm X 57 Mauser, inteligentemente mantido por questões de compatibilidade. Entretanto, o desenho contemplava um carregador fixo, que com a capacidade dobrada em relação aos Mausers de repetição, eram carregados por cima utilizando-se dois clipes de 5 cartuchos, os mesmos dos Mauser, o que ocasionava uma lentidão considerável nessa operação. Apesar de terem equipado algumas unidades alemãs na frente russa, o G41W teve pela frente a difícil missão de enfrentar um concorrente muito bom, o fuzil semi-automático russo Tokarev modelos SVT-38 e SVT-40, bem mais confiáveis e mais baratos de se fabricar. Justamente sobre esses concorrentes é que a Walther se baseou para desenvolver um novo fuzil, o Gewehr 43, que começou a ser distribuído às tropas entre 1943 e 1944.
O fuzil semi-automático Gewehr 43W, fabricado pela Walther, uma evolução muito bem vinda e altamente satisfatória do G41.
O G43, além de resolver os problemas relativos à tomada de gases, comuns no G41, apresentava uma enorme vantagem sobre seu antecessor, principalmente em tempo de guerra: a facilidade de ser produzido e seu mais baixo custo. A esta altura, a Alemanha não podia se dar ao luxo de equipar sua infantaria com armas bem acabadas; o importante era a produtividade em ação, independente de sua aparência. Apesar disso, os G43 possuíam acabamento aceitável. Lado a lado com o G41, o G43 era uma outra arma: como produção em massa, era muito mais fácil de ser fabricado, com poucos processos de usinagem; seu carregador era destacável e podia ser carregado fora da arma, contando com a capacidade de 10 cartuchos.
O sistema de tomada de gases para destrancamento do ferrolho, foi muito melhor projetado e a arma oferecia algumas versões oferecendo encaixe para lunetas. Infelizmente, sua produção em série só começou em Outubro de 1943 e a sua distribuição às tropas de linha de frente sofriam tremendo atraso por questões logísticas. O sonho da Wehrmacht de equipar toda a sua tropa com um fuzil semi-automático, tal qual os Estados Unidos, caiu por terra. Não havia mais tempo para isso.
Como grande esforço de guerra, alguns outros fabricantes além de Walther produziram esse fuzil, inclusive grande parte deles fabricados no campo de concentração de Buchenwald, utilizando mão de obra escrava. Acredita-se que grande parte desses fuzis foram sabotados. Vários exemplares, apreendidos pelos soldados norte-americanos após a libertação do campo, provaram ser inconfiáveis e imprecisos. Mesmo tendo entrado no cenário bélico da II Guerra quase no final do conflito, o G43 conseguiu provar que se tratava de um projeto bem elaborado, resistente e confiável, que abriria as portas de uma nova geração de fuzis de assalto alemães, que ainda conseguiram participar nos anos finais da guerra.

Acima, um G43 experimental, de produção da Fábrica de Itajubá, no ano de 1954
Embora não tenhamos muitos dados a respeito, o que infelizmente é causado pela evasividade ou falta de interesse da Imbel em compartilhar informações históricas, em meados da década de 50, mais precisamente em 1954, engenheiros da então Fábrica de Itajubá tiveram a oportunidade de estudar essa arma e inclusive produzi-la em caráter limitado, talvez com a intenção de que pudessem interessar às Forças Armadas Brasileiras. Hoje, conhecem-se exemplares desse fuzil em mãos de colecionadores e negociantes de armas nos Estados Unidos, oferecidos como uma raridade.
Acima, o fuzil G43 produzido pela Fábrica de Itajubá em 1949, denominado de Mosquetão Semi-Automático .30 M954 e abaixo, detalhes da arma (coleção particular)
NASCE O FUZIL DE ASSALTO
Durante todo o conflito da II Guerra ficou bem claro para todos os países participantes de que algo teria que ser mudado, e urgente, na principal ferramenta da infantaria. A Alemanha percebeu, bem como a Inglaterra, e a duras penas, como foi problemático o atraso no desenvolvimento de um fuzil semi-automático. O único país que contou com essa modernidade foi os Estados Unidos, que praticamente entrou na Guerra armado de um fuzil semi-automático em quase toda a sua totalidade de efetivos. No caso da Alemanha, vimos acima que os G41 e G43 entraram tardiamente na luta, com uma participação pífia nos campos de batalha.
Entretanto, desde o início dos conflitos, o eminente projetista Hugo Schmeisser, em conjunto com a C.G. Haenel, já trabalhavam em uma arma com características inéditas, que sem terem a real noção, iria provocar uma revolução no conceito de fuzil de infantaria dali para a frente, no mundo inteiro. Em 1940, a fabricante Walther, empresa com muita engenhosidade e famosa pela qualidade dos produtos se juntou ao esforço conjunto de desenvolver a nova arma. A Walther também já possuía, em seus planos, o desenvolvimento de um cartucho menor para uso em armas automáticas.
O projeto da nova arma baseava-se em princípios básicos: poder de fogo, leveza, portabilidade, cartucho eficiente mas não volumoso, pouco recuo e consequentemente maior controle de fogo, peças de produção rápida e barata e utilização de materiais leves e baratos. Tudo isso junto parecia algo impossível de se conseguir, numa época em que os pesados fuzis de ferrolho usavam coronhas de madeira e abusavam de dispendiosas operações de usinagem em materiais de primeira qualidade.
A intenção era, em resumo, a produção em larga escala de uma arma versátil, barata, que poderia substituir tanto o fuzil convencional, fosse ele semi-automático ou de repetição, bem como as sub-metralhadoras, juntando-se em uma só arma as características importantes de ambas: precisão, potência, alcance efetivo, portabilidade e o poder de fogo das sub-metralhadoras.
Os cartuchos 7,92mmX57 Mauser e o novo 7,92mmX33
O primeiro resultado desse projeto foi a MKb-42 (Machinen Karabiner 42), um modelo fabricado pela Haenel e um outro pela Walther, com as designações (H) e (W) respectivamente, utilizando um novo cartucho denominado de 7,92mmX33, que era essencialmente um 7,92mmX57 Mauser encurtado. Tanto Haenel como Walther produziram um lote dessas armas que foram entregues à algumas unidades do Exército da frente russa, na segunda metade de 1942. O MKb-42 era um fuzil semi-automático com seletor para disparos totalmente automáticos, funcionando no princípio de tomada de gases obtida por um orifício bem próximo à boca do cano, que destrancava um ferrolho um pouco complicado, de cabeça rotativa. A arma funcionava com o sistema de ferrolho fechado.
Em 1943, o Governo Alemão havia determinado, e segundo consta, por ordens do próprio führer, que a fabricação de armas portáteis deveria se limitar à uma lista já pré-definida, lista na qual não constava uma nova “nomenklatur“, como a de “Machinen Karabiner”. Entretanto, indo contra essa determinação, em virtude de que haviam obtido excelente retorno da frente de batalha em relação à essa arma, decidiu-se tocar o projeto em frente, mas com o novo nome de “Machinen-Pistole”, denominação já empregada nas sub-metralhadoras, armas que constavam da tal lista de permissões. Resolvido o imbloglio político, a MP-43, na verdade a mesma MKb-42 sofreu alguns aperfeiçoamentos, na medida em que os técnicos avaliavam o seu comportamento nos campos de batalha. Essas modificações geraram pequenas variações denominadas de MP-43/1 e Mp-43/2.

Acima, a MKb 42 da Haenel, em calibre 7,92mmX33, talvez o primeiro “fuzil de assalto” da história
Em 1944 a designação da arma foi novamente alterada para MP-44, praticamente sem mudança alguma no projeto. Nesta época, um episódio controverso chegou aos ouvidos dos altos dirigentes do Partido Nazista: uma tropa alemã, isolada na frente russa, em vias de ser massacrada pelo Exército Vermelho, consegue ser “bombardeada” com uma carga de MP-44 providencialmente enviada à eles por via aérea, presente de Hermann Göring e da sua Luftwaffe. Com os novos fuzis em mãos, a tropa consegue com maior facilidade abrir caminho por entre tropas russas, atingindo a liberdade. Alguém convenceu o führer a disparar ordens para a produção em massa dessa nova maravilha. Provavelmente o novo nome dado à ela, Sturmgewehr 44 (StG.44), que pode ser traduzido toscamente como fuzil de assalto, tenha saído da máquina de propaganda nazista. Literalmente, a palavra alemã sturm significa tempestade. Estima-se em quase 500.000 armas produzidas neste final de conflito, mas dificilmente pode-se afirmar que a chegada dessas novas armas nas mãos da infantaria pode ter colaborado, de alguma forma, a mudar o curso da guerra.
O Sturm Gewehr 44 em calibre 7,92mmX33, cuja fabricação ficou à cargo da Haenel, Walther e da Mauser – tarde demais para mudar o curso da história
O StG 44 era um fuzil operado a gás, com fogo seletivo e carregadores destacáveis. A armação era fabricada em chapa de aço estampado, com uso de soldas em algumas junções. O conjunto gatilho e mecanismo de disparo era articulado no resto da armação, nos moldes do que se usa até hoje (M-16 e M4, por exemplo), facilitando a desmontagem e limpeza. O sistema de tiro era com o ferrolho fechado, que permite melhor controle e precisão em tiro a tiro. Possuía uma tampa de proteção articulada sobre a janela de ejeção e a mola recuperadora era alojada dentro da coronha de madeira, outra solução que se emprega até hoje na maioria dos fuzis modernos.
Uma das versões mais estranhas e absurdas desta arma, ainda mais partindo da conhecida engenhosidade alemã, foi o modelo chamado “Krummer-Lauf“, grafado também como “krummlauf“, equipado com um cano curvado em cerca de 30º, que felizmente não foi produzido em número significante. Era equipado com uma mira, na verdade um engenhoso conjunto de espelhos, que permitia ao atirador mirar e atirar em um alvo através de uma esquina, por exemplo, sem se expor.
A munição utilizada neste modelo era o mesmo cartucho do fuzil normal, porém com menor carga propelente, que reduzia a velocidade para cerca de 300 metros/seg, minimizando o tremendo atrito que deveria ocorrer no cano da arma.
À esquerda, um sargento do Exército Americano arrisca utilizar um StG 44 Krummerlauf, através de uma janela.
Em resumo, o StG 44 pode não ter tido tempo de participar ativamente de campanhas importantes na II Guerra, mas indubitavelmente foi a arma que abriu as portas para um conceito de arma de infantaria totalmente novo. Caindo de posse dos soviéticos, como aconteceu com frequencia nos últimos anos da frente russa, foi parar nas mãos de Mikhail Kalashnikov, um projetista e mecânico russo, então com cerca de 26 anos. Alguns anos depois, em 1947, e baseando-se no mecanismo e soluções do StG 44, Kalashnikov apresenta ao Governo Soviético sua nova arma, que se tornaria o fuzil padrão do Exército Vermelho a partir dali, com a denominação de AK-47 (Avtomat Kalashnikov 47), hoje o mais difundido e copiado fuzil de assalto no mundo.

O fuzil russo Avtomat Kalashnikov 1947, o AK-47, baseado no projeto do StG 44 e utilizando um cartucho muito similar, o 7,62mmX39 – sem a sofisticação da engenharia alemã, mas extremamente confiável e resistente.
UNIÃO SOVIÉTICA
MOSIN-NAGANT 1891
Durante nossos trabalhos no site Atiradores & Colecionadores, meu amigo e co-fundador do site José Renato M. Figueira desenvolveu um excelente trabalho sobre o fuzil que, durante duas guerras mundiais, equipou o Exército Russo, primeiro na era Czarista e depois na União Soviética. Essa arma é o fuzil Mosin-Nagant, desenvolvido em 1891 pelos seus criadores, Coronel Sergei Ivanovich Mosin e o belga León Nagant, sendo o primeiro o idealizador do sistema de trancamento e o segundo, o projetista do carregador.
Nascia assim, e com um certo atraso em comparação às outras nações, o primeiro fuzil de repetição em pequeno calibre e com carga de pólvora sem fumaça a ser usado naquele país. O cartucho utilizado nessa arma era o 7,62mmx54R, o também chamado 3–Lineyaya Vintovka Obr 1891 (3–Линейaйa Винтовкa Обр 1891), tal como é grafado no alfabeto cirílico. Era um cartucho do tipo “rimmed“, ou seja, com aro na sua base e utilizando um projétil pontiagudo de 7,62mm de diâmetro. Para o carregamento dos cinco cartuchos era utilizado um clipe de metal, sistema muito comum em outros fuzis da época. A nomenclatura “3 linhas” é oriunda do sistema de medidas utilizado pela Rússia na época czarista, onde uma “linha” equivale a 2,54 mm, ou seja, 1/10 de polegada. Portanto, “3 linhas” equivale a 7,62mm.

Acima, clipe metálico para cinco cartuchos 7,62mm X 54R
Nas cargas militares que eram utilizadas na época, atingia por volta de 850 metros/seg. de velocidade na boca do cano e por volta de 3.600 joules de energia. Era sensivelmente mais lento e menos potente do que seus similares da época, como os 7,92mm X 57 alemão e o britânico .303 British, cartuchos esses um pouco mais longos do que o russo. Lembrando aqui que essa geração de cartuchos era a primeira, militarmente utilizada, a ser carregada com pólvora sem fumaça. O cartucho que teve o privilégio de ser o primeiro deles, foi o francês 8mm Lebel (8mm X 50R).
O cartucho 7,62mmX54 R e suas dimensões
Os dois lados do fuzil Mosin-Nagant M1891 em sua concepção original
Tratava-se de um fuzil de ação de ferrolho bem tradicional, com abertura em 90º e trancamento frontal, muito similar a outros existentes na sua época, como os italianos Carcano e o alemão Gewehr 1888. O magazine para cinco cartuchos é bem parecido com o desenvolvido por Mannlicher, e possui uma tampa com dobradiça para permitir ser aberto por baixo. Era municiado via um clipe de metal, encaixado por cima da culatra com o ferrolho aberto; o carregador é do tipo monofilar. Sua coronha em madeira era bem reforçada e de boa qualidade, no estilo “ingles”, sem punho-pistola. O ferrolho era de concepção um pouco complicada demais, desnecessariamente dotado de muitas peças. Na parte posterior possuía um aro serrilhado, de boa pegada, que possibilitava o engatilhamento da arma sem necessitar abrir o ferrolho, caso já houvesse um cartucho na câmara. Além disso, quando o aro era rotacionado, servia de trava de segurança, atuando diretamente no percussor da arma.
Detalhes interessantes do Mosin-Nagant – a tampa do carregador articulada e o ferrolho aberto (Foto J.M. Figueira.)
O maior fabricante dessa arma foi o Arsenal de Tula, situado nas proximidades de Moscou, seguidos dos arsenais de Sestroryetsky e de Izhevsk. Entretanto, a demanda do governo russo era muito alta, algo em torno de dois milhões de fuzis, e a soma de esforços desses arsenais não conseguiria supri-la. Por este motivo, e graças às boas relações que o governo imperial russo tinha com a Europa Ocidental, fechou-se contratos com a fabricante francesa Chatellerault, para fornecimento de cerca de 500.000 armas e com as empresas S.I.G. (Suíça) e a fabricante austríaca Waffenfabrik Steyr.

Acima, detalhe da ação do Mosin-Nagant – o ressalto junto à alavanca do ferrolho servia como elemento de trancamento, bem como de guia-corrediça quando o mesmo era aberto
Logo após o término da guerra contra o Japão, em 1905, e que foi vencida por este último país que havia sido recentemente modernizado, o estoque dos fuzis na Rússia estavam novamente baixos e o Governo Imperial pediu ajuda aos americanos; a Remington Arms e a Westinghouse produziram cerca de 1.500.000 armas. Entretanto, com a eclosão da Revolução Russa em 1917 e o assassinato de toda a família imperial, o embargo imposto pelos países aliados ao novo governo soviético impediu o fornecimento posterior dessas armas. Cerca de 300.000 peças sobraram no estoque dos fabricantes americanos, que conseguiram vendê-los para o governo de seu país para serem utilizados em treinamento de soldados. Muitos desses fuzis, adquiridos pela National Rifle Association foram convertidos para o cartucho americano .30-06 Springfield.
Historicamente, é interessante o fato que durante todos os anos após a Revolução de 1917 até a década de 30, o governo comunista da União Soviética sequer tenha pensado em substituir esse fuzil por outro, mais moderno, com tantas opções que poderia ser copiadas, prática aliás que era empregada pelos soviéticos em diversos outros produtos, desde eletro-domésticos até veículos.
O autor na década de 70, em visita à uma coleção particular, com um exemplar de Mosin-Nagant 91/30.
Além do que, o Mosin-Nagant era uma espécie de “herança” maldita, oriunda dos tempos czaristas, tão odiados e menosprezados pelos revolucionários. Alguns projetos de fuzis semi-automáticos foram levados à cabo a partir da década de 30, mas nunca levados muito à sério até às vésperas da II Guerra.
Alguns anos antes, em 1930, modificações foram feitas no projeto original gerando melhorias significativas: foi denominado de M1891/30. Apesar de que, após a invasão, a produção dos fuzis tenha sido afetada pelo mal acabamento geral, isso não influenciou no desempenho da arma em combate.
Um ano depois, foi idealizado um fuzil “sniper” baseado no Mosin-Nagant 91/30 denominado de 1891/31, equipados com lunetas telescópicas fixas de 3,5X de aumento. Esses rifles foram extensivamente usados na sangrenta e bestial batalha de Stalingrado, onde surgiram dois excelentes atiradores de tocaia, que se transformaram em heróis nacionais: Vasili Zaitsev e Ivan Sidorenko. Ironicamente. um fuzil russo Mosin-Nagant, nas mãos de um finlandes, Simo Häyhä, matou mais de 500 soldados soviéticos. O mais impressionante nisso é que Simo não utilizava mira telescópica.

O Mosin-Nagant na versão “sniper” modelo 91/31 – note a alavanca do ferrolho curvada, para evitar interferência com a luneta, ao se manusear o ferrolho
Em 1938 foi introduzida uma versão mais curta, uma carabina, nos moldes do que alguns outros países já estavam buscando, ou seja, maior portabilidade e melhor maneabilidade em locais reduzidos. Essa carabina já havia tido uma antecessora, em 1910, usada por batalhões de cavalaria e oficiais de engenharia, mas não chegou a ser produzida em grande número. A carabina M38 foi baseada no fuzil 1891/30, do qual herdava toda a ação e o carregador, modificando-se somente o comprimento do cano. De 1939 a 1945 a produção ficou a cargo do arsenal de Izhevsky e a partir de 1940, também produzida em Tula. O comprimento total da M38 era de 1,00 m, contra os 1,21m do fuzil M91/30. A carabina não aceitava a montagem de baioneta e posteriormente à ela, os soviéticos introduziram outra carabina, com pequenas modificações, o modelo 44, a qual possuía uma interessante baioneta articulada, mas fixa à arma lateralmente. No fuste do modelo 44 usinaram um encaixe para que a lâmina ali ficasse parcialmente recolhida.
A carabina Mosin-Nagant M38, versão mais curta do fuzil M91/30
Quando a União Soviética foi invadida pela Alemanha em 22 de junho de 1941, no que concerne à arma longa de uso individual do infante, a União Soviética se viu armada exclusivamente com esses fuzis e os ainda pouco disponíveis fuzis Tokarev, como veremos adiante. Ao final da II Guerra, cerca de 17 milhões de fuzis do modelo 91/30 haviam sido produzidos nos arsenais russos, distribuídos entre as suas variações existentes.
A seguir, uma tabela com as variações produzidas sobre o modelo original de 1891 do fuzil Mosin-Nagant.
| Versão | Fuzil M1891 | Fuzil Dragoon M1891 | Fuzil M1891/30 | Fuzil “Sniper” M1891/30 | Carabina 1910 | Carabina M1938 | Carabina 1944 |
| Comprimento | 1304,8mm | 1238,2mm | 1231,9mm | 1231,9mm | 1016,0mm | 1016,0mm | 1016,0mm |
| Peso | 4,360 Kg | 3,970 Kg | 3,950 Kg | 5,130 Kg | 3,300 Kg | 3,460 Kg | 4,030 Kg(com baioneta fixa) |
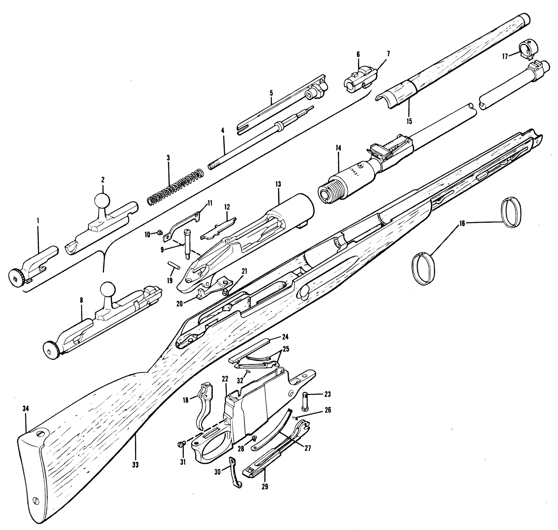
Vista explodida de um fuzil Mosin-Nagant 1891/30
Acima, uma coleção de quase todas as variações disponíveis do Mosin-Nagant
O Tokarev SVT 38 e SVT 40
Fuzil semi-automático Tokarev SVT-38 calibre 7,62mm X 54
A exemplo de quase todos os países beligerantes na II Guerra, a União Soviética também não contava com um fuzil semi-automático para equipar a totalidade, ou pelo menos, a grande maioria de suas tropas. Um projeto desenvolvido em 1938, antes da eclosão da guerra, pelo engenheiro Fiodor Tokarev, havia participado de uma espécie de competição organizada pelo governo, com a aprovação de Josef Stalin, a fim de se escolher um projeto de fuzil de infantaria semi-automático. O vencedor desta contenda foi um fuzil projetado por Sergei Simonov, que foi aceito pelo governo com a denominação de AVS-36. Infelizmente para Simonov, não tardou para que diversos problemas surgissem em sua arma, levando o governo, novamente, a ressucitar o tal “campeonato”. Tokarev apresentou sua arma novamente, e uma vez aprovada, passou a ser adotada pelo Exército Vermelho como SVT-38 (“Samozaryadnaya Vintovka Tokareva – 38″).

Detalhe superior do STV-40 com o ferrolho aberto, onde se pode ver os cartuchos posicionados escalonadamente, numa conformação bifilar.
O fuzil de Tokarev tinha seu funcionamento baseado na tomada de gases no interior do cano, solução empregada pelo fuzil norte-americano Garand e ainda hoje, presente em quase todos os fuzis de sucesso utilizados no mundo. Anteriormente Tokarev já havia tentado aperfeiçoar um fuzil baseado no sistema de recuo simples, mas sem muito sucesso. A produção do SVT-38 iniciou-se, ainda timidamente, nos arsenais de Tula, em 1939. Uma da diferenças fundamentais do sistema de Tokarev em comparação com o fuzil de John Garand era a posição do pistão coletor de gases, em cima do cano e não abaixo, como era no fuzil americano. A coleta de gases era feita por um orifício; os gases acionavam um pequeno pistão que era movido para trás, em um curso de pouco mais de 20 milímetros. Esse movimento do pistão pressionava uma vareta que destrancava a culatra e permitia sua abertura. Seu cartucho era o 7,62mmX54 e a capacidade de seu carregador, que era destacável, era de 10 cartuchos.

Soldados soviéticos na linha de frente, durante a II Guerra – ao fundo vemos os Mosin-Nagant em ação e em primeiro plano, ao lado da metralhadora Maxim M1910, um fuzil SVT-40.
O sistema interno de disparo era bem simples e funcional, e a desmontagem era facilitada para poder ser executada sem uso de ferramentas; em campo, sua manutenção e limpeza eram feitas sem muitos problemas pelos próprios soldados. Na II Guerra, o SVT-38 estreou contra os alemães na chamada Operação Barbarrossa, em junho de 1941. Infelizmente a arma não se comportou de forma adequada e muitos soldados até a abandonavam pelo caminho, assim que conseguissem botar a mão em um velho Mosin-Nagant, perdido pelas redondezas. Oficiais e técnicos atribuíam as falhas a problemas de treinamento e manutenção inadequadas. Cerca de 150.000 fuzis foram produzidos. No final de 1941 entrou em produção um modelo mais bem elaborado, com a promessa de corrigir falhas de seu antecessor; era o modelo SVT-40. Além do arsenal de Tula, as fábricas situadas em Ishevsk e Kovrov se lançaram à produção da arma, cujas mudanças efetuadas no projeto original prometiam facilitar o processo de fabricação. Em 1943 o Arsenal de Tula também produziu uma versão com tiro seletivo, totalmente automática, denominada de AVT-40, mas foi fabricado em pequena quantidade e muito poucos chegaram em mãos da tropa.

Fuzil semi-automático Tokarev SVT-40, sucessor do SVT-38, no mesmo calibre 7,62mm X 54
Com os revezes iniciais da guerra contra a Alemanha, milhares desses fuzis foram perdidos nos campos de batalha; ironicamente, os alemães que não dispunham de fuzis semi-automáticos em quantidade, capturavam os SVT dos inimigos mortos e passavam a utilizá-lo contra os próprios russos. A produção dos SVT continuou durante a guerra, mas os arsenais ainda reclamavam de problemas técnicos de produção. Em 1942, o arsenal de Ishevsk resolver parar de produzir os SVT e voltou a fabricar os Mosin-Nagant. Apesar disso, acredita-se que mais de 1.500.000 fuzis tenham sido fabricados de 1939 até o final da guerra. De qualquer forma, apesar de não ter sido um sucesso, o projeto do SVT tinha seus méritos, de forma que serviu de inspiração para diversos fuzis semi-automáticos no após guerra, como ocorreu com o belga F.N. modelo 1949.
ITÁLIA
PARAVICCINI-CARCANO M1891
Este fuzil, muitas vezes denominado equivocadamente de Mannlicher-Carcano, foi adotado pelas forças armadas italianas em 1891, desenvolvido pelo projetista Salvatore Carcano, do Arsenal de Turim, em 1890. O General Paraviccini, do Arsenal de Terni, era o chefe da equipe de projetistas e líder do projeto, daí seu nome constar da nomenclatura da arma. O fuzil foi baseado, em parte, no sistema de Mannlicher, quanto ao seu carregador, mas lembra também em vários aspectos o fuzil da Comissão Alemã de 1888, o Gewehr 88. Seu cartucho era o 6,5mmX52, um estojo sem aro protuberante (rimmless), o que denota uma tendência avançada para a época. Este cartucho utilizava um projétil de ponta arredondada de 160 grains de peso e podia atingir cerca de 2.400 pés/seg,. de velocidade.

Fuzil Paraviccini-Carcano Modelo 1891 em calibre 6,5mmX52, com sua baioneta, arma padrão do Exército Italiano nas duas Grandes Guerras.
O M91 era um fuzil de ação por ferrolho rotativo, estilo já utilizado e consagrado por diversas armas de sua época, como os Mauser 71/84, o German Comission de 1888, os russos Mosin-Nagant e os Lebel franceses. O ferrolho era bem resistente, com dois ressaltos na sua base e com a alavanca de manejo servindo como terceira trava. A exemplo dos G88 alemães e dos Mosin, utilizava um clipe metálico de 6 cartuchos para a inserção dos mesmos em um carregador baseado no sistema Mannlicher; esse clipe podia ser inserido na arma por qualquer uma de suas extremidades e permanecia no interior do carregador até a utilização do último cartucho, quando então era ejetado através de uma abertura existente na base.

Durante a I Guerra Mundial o M1891, em todas as suas versões, foi a arma longa padrão do Exército Italiano. Antes da eclosão da II Guerra, a Itália chegou a fornecer para o Exército Imperial do Japão os fuzis M1891 até que, por ocasião da invasão da China, toda a produção dos fuzis Arisaka foram requisitadas pelo Exército. Até 1937, o governo japonês manteve um contrato com a Itália de fornecimento dos fuzis M91 para a Marinha Japonesa.
Durante a Campanha do Norte da África em 1924 e na Guerra da Abissínia em 1934, o fuzil foi duramente criticado e a maior parcela de culpa recaía exatamente sobre o seu cartucho, que provou ser ineficaz e pouco potente. Apesar disso, o fuzil foi largamente empregado pelo Exército Italiano em algumas versões mais curtas , como a Carabina denominada de TS (“Truppe Speciali”), utilizadas pela unidades de artilharia e de cavalaria. As versões fuzil, mosquetão e carabina serviram as unidades do Exército Italiano até cerca de 1938, quando surgiu a decisão de se empregar um novo cartucho, mais moderno e potente: o 7,35mmX51. A partir daí os fuzis e carabinas Carcano passaram a ter nova denominação, a de M1891/38.
À esquerda o clipe de 6 cartuchos calibre 6,5mmX52, do tipo Mannlicher
A II Guerra Mundial também apanhou os italianos de surpresa sendo que, em 1940, não havia cartuchos 7,35mm em quantidade suficiente para abastecer todas as tropas. Consequentemente, os cartuchos 6,5mm foram chamados de volta à ativa, sendo que diversos fuzis 7,35mm do modelo 38 tiveram seus canos substituídos pelos de calibre 6,5mm. Além disso, alguns M38 tiveram seus canos substituídos para o cartucho alemão 7,92mmX57, principalmente os que supriram as tropas da África do Norte. Entretanto, o Governo Italiano não tinha condições de massificar a produção dessas armas M91/38 em larga escala, e nem transformar os antigos modelos 1891 para utilizarem os novos cartuchos. Foi neste ambiente caótico que o 8º Exército Italiano, sob comando de Ítalo Gariboldi, enfrentou os primeiros combates na trágica frente russa, solidário ao Exército Alemão, conforme ordens de Mussolini.
![]()
Com o término da II Guerra, o Exército Italiano passou a adotar o US Rifle M1 (Garand) como arma regulamentar, fornecidos inicialmente pelos Estados Unidos e posteriormente , a partir de 1950, produzidos sob licença na Itália pela Beretta, com a utilização de ferramental enviado pelo Governo Americano, material esse utilizado pela Winchester durante o esforço de guerra. Esses fuzis ganharam a designação de Modelo 1952 e posteriormente tornaram-se mais conhecidos por BM59.
Ironicamente, e que depois se tornaria uma tragédia americana, uma grande parte dos fuzis Carcano sobreviventes do conflito foram enviados em massa aos Estados Unidos, e lá vendidos como sobras de guerra a preços irrisórios. Nas décadas de 50 a 60 os modelos Carcano 1891 e 1891/38 eram vendidos em diversas lojas de armas, especializadas em sobras de guerra, por cerca de 10 dólares.
À esquerda os cartuchos 6,5mmX52 e o seu substituto 7,35mmX51
De maneira geral, os fuzis italianos não eram armas muito apreciadas pelos norte-americanos, tal como os Arisaka japoneses. Dentre os demais representantes de armas oriundas da II Guerra estavam os Mausers alemães, esses sim, bem mais valorizados e procurados. Mas, mesmo sem contarem com o prestígio de qualidade e de precisão encontrados nas armas alemãs, e por razões que até hoje ainda permanecem sem resposta, uma carabina Paraviccini-Carcano M91/38 utilizada nos campos da Europa veio cair nas mãos de um ex-fuzileiro naval norte-americano, Lee Harvey Oswald, que a adquiriu através de um anúncio da loja Klein Sporting Goods de Chicago, Illinois, que havia sido publicado na revista American Rifleman, uma tradicional publicação da National Rifle Association. Recebeu a encomenda pelo Correio em 12 de março de 1963, pagando a importância de US$ 19,95. Junto com a arma, encomendou uma simples luneta fixa de 4X de aumento. Além disso, Oswald ainda adquiriu um punhado de munições calibre 6,5mmX52 de fabricação americana, da Western Cartridge Co.
As razões do porque Lee Oswald tenha optado pelo uso tanto de um fuzil como de munição consideradas obsoletas, mesmo durante seu uso na II Guerra, devem ter ido com ele para o túmulo. Qualquer ex-fuzileiro naval americano, com o treinamento que recebeu durante seu serviço, e em sã consciência, teria escolhido “a dedo” algo muito mais eficiente e garantido, ainda mais num país como os Estados Unidos, onde a oferta de armas bem superiores à que usou era, e ainda é, algo corriqueiro.

Acima, dois exemplares da carabina Carcano TS M91, uma delas com sua baioneta.
| M91 rifle | M91 carbine | M38 short rifle | |
| Caliber | 6.5×52 mm | 6.5×52 mm | 7.35×52 mm |
| Overall length | 1295 mm | 952 mm | 1015 mm |
| Barrel length | 780 mm | 450 mm | 540 mm |
| Weight, empty | 3.8 kg | 3.4 kg with integral bayonet | 3.4 kg |
| Magazine capacity | 6 rounds in en bloc clip | ||
FRANÇA
LEBEL 1886
Em 1884, e contando com apenas 30 anos, o químico francês Paul Marie Eugène Vieille apresenta um novo tipo de propelente baseado em nitrocelulose, invenção essa que revolucionaria o mundo bélico dali para a frente. A nova “pólvora sem fumaça” substituiria, doravante, a pólvora negra, utilizada desde então em todos os cartuchos existentes, militares ou não. Prometia quase tres vezes mais energia com a mesma quantidade, maior velocidade, ausência quase total de fumaça e drástica diminuição da corrosão interna de canos e mecanismos. Não só cartuchos de armas portáteis se beneficiariam dela, como também os cartuchos de artilharia. Aproveitando dessa descoberta, o Exército Francês passa a adotar, em 1886, uma nova arma: o primeiro fuzil no mundo, adotado oficialmente, a utilizar um cartucho carregado com pólvora sem fumaça.

Esse fuzil era o Lebel, modelo 1886, e o cartucho era o 8mm Lebel (8mmX50R), um cartucho com aro (“rimmed”) e com uma conicidade muito pronunciada, utilizando um projétil de ponta arredondada de 8mm de diâmetro, encamizado. O novo cartucho nasceu na prancheta do Tenente-Coronel Nicolas Lebel e que acabou tendo seu nome perpetuado na arma que o utilizava. Posteriormente esse cartucho foi modificado, por volta de 1898, utilizando um projétil bi-ogival denominado de “balle-D”, em homenagem ao seu projetista, o capitão Desaleux.
À esquerda o cartucho 8mmX50R Lebel “balle-D”
O fuzil possui um ferrolho similar ao que se utilizava no seu antecessor Gras, de 1874, e contava com um carregador tubular para oito cartuchos, posicionado sob o cano, nos moldes do fuzil alemão Mauser 71/84. Na medida em que o ferrolho era manejado para trás e uma cápsula vazia era extraída, um novo cartucho era elevado do tubo inferior para dentro da câmara, e assim sucessivamente.
Em alguns aspectos isso lembra o mesmo sistema utilizado pelo projetista norte-americano John Browning, no rifle Winchester (sistema de alavanca) modelo 1884. Este sistema de carregador, apesar de ter gozado de tremendo sucesso nas carabinas e rifles Winchester, tinha seus inconvenientes. Os cartuchos dispostos em fila no tubo do carregador mantinham as pontas dos projéteis pressionando as espoletas dos cartuchos anteriores; o tubo, estando totalmente carregado, aumentava ainda mais a pressão da mola espiral e assim, corria-se o risco de uma explosão dentro do carregador. Após a introdução da “balle-D”, pontiaguda, desenvolveu-se uma espoleta mais resistente e espessa, por medidas de segurança.
As Winchester não sofriam muito deste problema pois utilizavam cartuchos com projéteis de chumbo e de ponta chata, pelo menos até o lançamento do modelo 1894 em calibre 30-30W. Porém, se isso realmente acontecia, acredita-se que deviam ser eventos esporádicos.

Acima o fuzil francês Lebel Model 1886 em calibre 8mmX50R
Outro problema do carregador era a utilização de uma longa mola espiral dentro do tubo, destinada a pressionar os cartuchos para trás na medida em que eram utilizados. Com o uso, essa longa mola apresentava fadiga e os últimos cartuchos costumavam enroscar na hora de serem alimentados. A entrada de poeira ou mesmo de água suja de lama, detalhe mais que comum nas trincheiras da I Guerra, causavam o engripamento dos cartuchos no interior do tubo, que era uma peça um pouco complicada de limpar.
O fuzil pesava cerca de 4,400 KG totalmente municiado, com comprimento total de 1,42 m. A partir de 1887 a produção desse fuzil se iniciou a cargo da Manufacture D’Armes Chatellerault e a partir de 1900, contando com os fabricantes M.A.S. (Manufacture D’Armes St. Etiènne) e a M.A.T. (Manufacture D’Armes de Tulle).

Detalhe da caixa de culatra e ferrolho aberto do Lebel 1886, onde se pode ver o carregador sob o cano
Oficialmente o Lebel 1886 permaneceu na ativa até 1936, e durante a I Guerra sofreu algumas modificações, que tentavam corrigir ou melhorar diversos problemas técnicos que a arma apresentava ao longo de sua utilização. Versões foram apresentadas para uso de unidades de cavalaria, em formato mais curto, como a carabina Model 1886R35, que diminuiu consideravelmente o comprimento total da arma para cerca de 1,30 cm. Mesmo após 1936 o fuzil chegou a ser bastante visto e utilizado, até mesmo na II Guerra, principalmente por tropas de retaguarda e pela Resistência Francesa.
BERTHIER
Durante a I Guerra os fuzís Lebel eram suplementados no serviço de algumas tropas pelo fuzil Berthier, que foi introduzido em uso no Exército Francês em 1902. Da mesma forma que o Lebel, utilizava o mesmo cartucho 8mmX50R e uma ação de ferrolho praticamente idêntica, porém, apresentando um carregador vertical embaixo do ferrolho, com capacidade para 3 cartuchos, municiado por um clipe especial que se mantinha no interior da arma até ser descarregado. Para as tropas, essa diferença de capacidade de 8 (Lebel) para 3 cartuchos entre uma arma e outra, era drástica, lembrando que os exércitos inimigos contavam com os Mauser G.98 municiados com 5 cartuchos. Futuramente uma revisão no desenho aumentou a capacidade de 3 para 5 cartuchos, sendo que o carregador, agora, podia ser visto parcialmente pela parte inferior da arma.

Acima o fuzil Berthier modelo 1902, capacidade de 3 cartuchos calibre 8mmX50R – nota-se a abertura retangular sob o fuzil, por onde caía o clipe municiador após o último cartucho ser carregado.
Os fuzís Berthier modelo 1902 e 1907 eram derivados dos chamados “Mousquetons” modelo 1890 e 1892, com poucas modificações porém, menos pesados. Tropas francesas os utilizaram em larga escala no Senegal e na Indochina. Sobre o seu rival Lebel, o Berthier apresentava uma maneabilidade um pouco superior, principalmente no que se referia às miras, mais largas e altas, propiciando uma melhor visada. O modelo 1907/15, mais comumente denominado de modelo 1916, foi o que apresentou o carregador com capacidade aumentada para 5 cartuchos, muito similar ao carregador tipo Mannlicher, utilizado que era em vários outros fuzis militares de sua época, como o russo Mosin-Nagant e o italiano Carcano.

Acima e à esquerda, detalhe do fuzil Berthier 1904/15 com seu carregador ampliado de 3 para 5 cartuchos – à direita, o clipe de 3 cartuchos do Berthier 1902
Após a I Guerra Mundial, técnicos militares franceses decidiram, e já com um certo atraso, pela substituição do cartucho 8mm X 50R por um mais moderno, visto que o mesmo, por seu desenho demasiadamente cônico e com um aro em sua base, não era muito apropriado para ser utilizado nos novos projetos de armas longas militares que estavam em pauta, tanto para fuzis semi-automáticos como para metralhadoras. Em 1929, técnicos militares introduziram um cartucho bem mais moderno, o 7,5mm Model 1929 (7,5mm X 54), que começou a ser utilizado nas metralhadoras FM 24/29 bem como em alguns remanescentes de fuzis Berthier que foram convertidos para uso deste novo cartucho.

Detalhe da ação do fuzil Berthier 1916 que, como se pode perceber, é muito similar à do fuzil Lebel 1886 – note como a alavanca de manejo também age como elemento de trancamento do ferrolho.
MAS 36
Em 1936, a Manufacture D’Armes de Saint Etiènne inciou a produção de um novo fuzil utilizando um novo cartucho pouco mais curto do que já havia sido desenvolvido em 1924 (7,5mm X 57), para a metralhadora leve FM 24/29: o cartucho era o 7,5mm X 54. Comparado ao 8mm Lebel esse novo cartucho era “futurístico”. A intenção da M.A.S. era permitir ao Exército a substituição gradativa e total dos fuzis Lebel e Berthier pelo Modèle 36. Baseado nos modernos cartuchos rivais da época, como o 7,92mmX57 alemão e o 7,5mm suíço, o novo cartucho não possuía aro (“rimless”) e era de perfil pouco cônico, o que lhe permitia a utilização em armas automáticas com muito mais facilidade.

Acima o fuzil francês MAS modelo 36, em calibre 7,5mm X 54
Baseado em comparações inevitáveis com fuzis utilizados por diversos outros países na II Guerra, a M.A.S. chegou a absorver algumas das boas características de cada um para estabelecer o que seria um “fuzil ideal” para suprir o Exército Francês: o sistema de ferrolho com trancamento traseiro eras similar ao inglês Lee-Enfield (o que eliminava problemas de acúmulo de sujeira próximo à câmara); a alça de mira tipo “peep-sight” e a alavanca de manejo curvada para a frente, alinhada com a tecla do gatilho, similar ao U.S. Enfield 1917 e o magazine embutido (integral), para cinco cartuchos, alimentado por um clipe externo, similar ao Mauser 98 alemão. Tudo isso culminou com um fuzil muito estranho, deselegante até, mas bem resistente e confiável. O que ainda causa estranheza foi a teimosia dos projetistas que ainda insistiram, naquela época, em produzir um fuzil dotado de coronha seccionada e com baixa capacidade de munição.

Detalhe da caixa de culatra e do ferrolho do MAS 36
O MAS 36 não possuía nenhum dispositivo de segurança, por um lado um problema sério para ser transportado por soldados com um cartucho na câmara; por outro lado, eliminava o problema de se esquecer de destravar a arma na hora “H”, o que costumava acontecer mais do que se imagina.
Durante a II Guerra, problemas financeiros impediam a produção do fuzil M36 em larga escala, de forma que o Exército não conseguiu se livrar totalmente dos seus arcaicos fuzis, a não ser em determinadas unidades e tropas da linha de frente, para onde os novos MAS eram preferencialmente enviados.
O cartucho 7,5mm X 54 do fuzil MAS 36.
Curiosamente, vários fuzis M36 caíram em mãos de tropas alemãs, que aliás tinham essa característica de “adotar” o armamento e a munição disponível nos países ocupados, por problemas puramente logísticos. Inteligentemente, sabiam que era mais produtivo continuar utilizando o armamento e munição nativos, evitando drenar a produção alemã preferencialmente enviada para a linha de frente, bem como o transporte do material. Esse estranho procedimento ocorreu, inclusive, na Polônia, na anexação da Áustria e na ocupação da Tcheco-Eslováquia e Bélgica. Essas armas recebiam as nomenclaturas padrão utilizadas na Alemanha, de modo que o fuzil MAS 36 era denominado de Gewehr 242(f). A letra entre parênteses significava o país “fornecedor” do equipamento, no caso “Frankreich” (França).
Após a II Guerra o MAS 36 enfrentou combates nos conflitos insurgentes da Indochina e Algéria, bem como na Crise do Canal de Suez. O MAS 36 serviu o Governo Francês até por volta de 1960, inclusive suprindo as forças militares em países colonizados. Quando do surgimento do fuzil semi-automático MAS 49, finalmente ele abandonou as fileiras, levando consigo o fato de ter sido o último projeto de um fuzil de repetição desenvolvido para uso militar.

Fuzil MAS 36, produção em época de guerra, exibindo um péssimo acabamento – as peças em aço eram pintadas de preto, ao invés de oxidadas quimicamente.

Vista explodida do fuzil MAS 36, mostrando a caixa de culatra e carregador em uma só peça, e coronha seccionada em duas partes
REINO UNIDO
Em 1888 o Império Britânico resolve aposentar os veneráveis fuzis Martini-Henry, de um só tiro e de grande calibre, por um fuzil de repetição por ação de ferrolho, a exemplo do que ocorria em praticamente todos os exércitos do mundo. Para tanto, contou com um projeto desenvolvido pelo projetista James Paris Lee, um escocês criado no Canadá e que se tornou, posteriormente, cidadão americano.
Lee idealizou um fuzil de repetição utilizando um ferrolho com trancamento na parte posterior e não na parte frontal, como nos Mausers. Este tipo de ação traz vantagens e desvantagens e a seu favor conta com maior facilidade de limpeza e menos resíduos infiltrados nos rebaixos existentes na proximidade da câmara, tal qual nos Mauser. O sistema de trancamento de Lee também favorecia um manejo mais rápido, pois o curso do ferrolho pode ser mais curto e o ângulo de rotação para abri-lo era de cerca de 60º, ao invés dos 90º do Mauser. Além disso, a posição da alavanca de manejo era inédita para a época, localizada na parte posterior da arma, um pouco atrás da posição do gatilho. O cartucho desenvolvido para esse fuzil foi o denominado .303 British, que nesta época ainda não utilizava a nova pólvora sem fumaça, recém inventada na França.
Fuzil britânico M.L.M. (Magazine Lee-Metford) de 1888, em calibre .303 British, o precursor de uma arma que se tornaria venerável no Império Britânico
O carregador deste fuzil, que podia ser removido (outra característica inédita), comportava 8 cartuchos e necessitava ter um perfil trapezoidal em virtude do cartucho .303 ser dotado de aro (“rimmed”), outra característica que ia na contra-mão da tendência mais avançada de cartuchos sem aro, já existentes na época, como o caso do 7,92mmX57, utilizado no fuzil alemão Gewehr 1888. O raiamento do cano, em número de sete, foi projetado pelo engenheiro William Ellis Metford, e o sobrenome de cada um deles originou a nomenclatura utilizada nessa arma. O Lee-Metford foi produzido até meados de 1906.
Acima, mais um magnífico exemplar do “Long-Lee” britânico em calibre .303 British
Já em 1895, por exigência de comissões técnicas do Exército Britânico, James Lee modificou o seu projeto, para que a partir de agora utilizasse o mesmo cartucho .303 carregado com cordite ao invés de pólvora negra. Para tanto, o raiamento tinha que ser modificado e, aproveitando-se da oportunidade, reforçar toda a estrutura para suportar as pressões mais elevadas, e modificar o carregador para comportar 10 cartuchos, numa disposição bifilar. Este detalhe deu ao novo fuzil a vantagem de possuir a maior capacidade de munição existente em armas deste tipo, durante vários anos.
Detalhe da ação do S.M.L.E Mk IV
Entretanto, o raiamento desenvolvido por Metford não mais se adequava ao novo cartucho, que agora desenvolvia muito mais velocidade que o anterior. Portanto, entra em cena o Royal Small Arms Factory (RSAF), localizada em Enfield, uma fábrica de armas pertencente ao governo que desenvolve um novo raiamento, resultando no fuzil Lee-Enfield Mk I, também denominado de MLE (Magazine Lee-Enfield). Popularmente ele era também denominado de “Long Lee”, para não ser confundido com a próxima geração de fuzis, mais curtos, que viria ocorrer alguns anos depois.
O fuzil Short Magazine Lee Enfield (S.M.L.E.) Nº 1 MK IV em calibre .303 sem carregador
Pouco antes da I Guerra, e baseado em experiências e ocorrências percebidas pelos militares na Guerra dos Boers, o arsenal de Enfield desenvolve uma arma com uma dimensão intermediária entre um fuzil e uma carabina, cerca de 30 cm. mais curto que o M.L.E. Com um comprimento total de 1,13m, a nova arma foi chamada se fuzil curto, ou “short rifle“. Aliás, nota-se sempre uma confusão entre alguns autores, que se confundem com a nomenclatura da arma: S.M.L.E (Short, Magazine Lee-Enfield). A palavra “short” (curto), no caso, se refere ao fuzil e não ao carregador, ou seja, “Lee-Enfield Curto, com Magazine”. De 1903 a 1909, vários Lee-Metford foram transformados em S.M.L.E., com canos mais curtos e com as coronhas modificadas. A produção do que se pode chamar de Enfield “definitivo” iniciou-se em 1907, com o modelo MK III, denominado oficialmente de S.M.L.E. Nº 1, MK III.
Acima, os dois lados de um veterano de várias guerras, nas mãos dos soldados da Comunidade Britânica – o S.M.L.E. Nº 1 Mk III em calibre .303
Desta data em diante, o Nº 1 MK III passa a ser o fuzil padrão das tropas britânicas, mantendo quase todas as características herdadas do Lee-Metford, com melhoramentos feitos no sistema de pontaria e uma alteração executada na caixa de culatra que permitia o municiamento de forma alternativa do carregador, pela parte de cima, utilizando-se clipes. Ainda assim, o carregador para 10 cartuchos permanecia removível, permitindo aos soldados a opção de portar alguns deles, sobressalentes, e devidamente municiados, algo que nenhum fuzil de repetição de sua época era capaz de fazer. Sua silhueta é marcante, com sua peculiar coronha de perfil baixo e um pseudo punho-pistola; era construída em duas partes e seu fuste e telha cobriam totalmente a extensão do cano. Na opinião do autor, trata-se do mais elegante e atraente fuzil de sua época.
Outro exemplar do belíssimo S.M.L.E. Nº 1 Mk III com sua bandoleira de lona
Durante a I Guerra, o suprimento de armas estava muito comprometido e o arsenal de Enfield não contava com capacidade suficiente de suprir todas as tropas britânicas. Um novo projeto havia sido desenvolvido por Enfield, baseado em parte no projeto do Lee-Enfield, mas com algumas simplificações e modificações, tornando-o um fuzil de fabricação menos onerosa e complicada; esta nova arma denominou-se de Pattern 13. Durante a guerra, um acordo entre os Estados Unidos e a Grã-Bretanha para fornecimento de aramamento possibilitou que um novo fuzil derivado do Pattern 13, denominado de Pattern 14, fosse produzido por algumas empresas norte-americanas como a Remington, Eddystone e Winchester. Essa produção se iniciou em 1916 e a arma ganhou a denominação americana de U.S. Enfield M1917, que também acabou por ser utilizado por tropas americanas na I Guerra. Veja o capítulo sobre as armas utilizadas pelos Estados Unidos, neste mesmo artigo.

O fuzil americano U.S. Enfield 1914, ou Pattern 14 para os britânicos, utilizados por ambos os países na I Guerra Mundial
O Pattern 14 começou a ser distribuído entre as tropas britânicas a partir de 1917, mas não caiu muito no gosto dos soldados, mais acostumados com o S.M.L.E, o qual era um pouco mais leve, dispunha do dobro da capacidade de munição e possuía um ferrolho com ação mais rápida do que o “similar” norte-americano. Apesar de parecida, a coronha do Enfield 17 era feita em uma só peça.

Soldados britânicos dando de beber à prisioneiros alemães, portando seus S.M.L.E. de baioneta calada.
Pouco antes da eclosão da II Guerra, o S.M.LE. passou por uma série de mudanças experimentais que resultaram no fuzil denominado de Rifle Nº 4 MK I, adotado em 1939. O fuzil Nº 4 MK I possuía alça de mira posicionada na parte posterior da culatra, aos moldes do Pattern 14 e utilizava um sistema de cano flutuante, destinado a melhorar a precisão e menos suscetível a deformações oriundas da umidade e empenamento comuns em coronhas. Seu cano também era mais pesado e reforçado do que o do Fuzil Nº 1 MK III. Essa arma chegou a ser produzida no Canadá e nos Estados Unidos (Savage Arms e Long Branch), por conta do esforço conjunto de guerra.
Fuzil britânico Lee-Enfield Nº 4 MK I, adotado em 1939 – ferrolho e carregador eram idênticos ao fuzil Nº 1 MK III
Em 1943 criou-se uma versão mais leve e mais curta baseada no Nº 4, que recebeu a denominação de Lee-Enfield Nº 5 MK I, apelidado de “jungle carbine“, ou carabina para uso na selva. Na verdade, tratava-se de um fuzil bem mais condizente e indicado para a guerra na selva, devido a sua maior portabilidade, menor peso e pouco comprimento. Foi retirada a telha superior dianteira do Nº 4, mantendo-se a telha da parte traseira, e a alça de mira utilizada do Nº 4 foi mantida.
Acima, dois exemplares da carabina Lee-Enfield Nº 5 MK I “Jungle-Carbine”
O S.M.L.E e suas derivações foram produzidos até cerca de 1956 e a produção foi sendo diminuída gradativamente até 1974. Chegou-se a produzir uma versão do fuzil, em 1960, para utilizar o cartucho 7,62mm X 51 NATO, mas isso exigiu diversas mudanças além do cano, como alterações no ferrolho, extrator e no carregador. Uma fábrica indiana chegou a produzir esse fuzil até meados da década de 80.
O veterano e idolatrado fuzil S.M.L.E. ficou em serviço de Sua Majestade Britânica e utilizado em quase toda a Comunidade de 1909 a 1974, quando se iniciou a substituição gradativa pelos modernos fuzis L1A1, similares ao belga F.N. FAL, em calibre 7,62mm X 51 NATO. Foram portanto, quase 60 anos de serviços prestados, participando ativamente das duas Grandes Guerras, além dos diversos conflitos armados ocorridos em colônias do Império. A silhueta do soldado britânico portanto o seu S.M.L.E. é muito mais que um ícone, é a afirmação de um projeto bem elaborado e confiável, no qual centenas de milhares de combatentes britânicos depositaram sua confiança e sua vida. Até os dias de hoje comenta-se que, na Inglaterra, estando-se no meio de diversos veteranos de guerra, a maneira mais fácil de arrumar uma grande encrenca e confusão é afirmar que o Lee-Enfield não era preciso ou que não se tratava de uma arma confiável.
JAPÃO
Desde 1898 que o Exército Imperial Japones estava adotando o fuzil de repetição Arisaka Tipo 38, que havia substituído o obsoleto fuzil Murata. O Tipo 38 foi desenvolvido pelo projetista Coronel Nariakira Arisaka, em 1898, um projeto claramente inspirado nos fuzis Mauser alemães. Entretanto, o Tipo 38 usava um cartucho relativamente fraco, 0 6,5mm X 50 que, desde a Guerra com a China, nos anos 30, os militares japoneses já haviam percebido sua inferioridade quando comparados ao 8 X 57mm Mauser, então utilizado pelos inimigos.

Mediante um estudo conjunto entre engenheiros militares e o Arsenal Imperial, resolveu-se pela dotação de um novo cartucho, o 7,7mm X 58, com balística muito superior ao seu antecessor e bem similar ao 7,92mm X 57 alemão. Para esse novo cartucho, o Coronel Arisaka desenvolveu um novo fuzil, o Tipo 99, ainda assim muito parecido e baseado no Tipo 38 e nas ações de ferrolho da Mauser.
Um carregador do Tipo 99 com cartuchos 7,7mm X 58
Apesar da semelhança com o Mauser, o fuzil Arisaka possuía algumas características diferentes, como alças de mira (algumas até dotadas de dispositivos que ajudavam no cálculo da velocidade de aviões (!!), o sistema de engatilhamento do ferrolho e a trava de segurança, bem diferente da tradicional “orelha” utilizada pelos Mauser. Essa trava era um grande aro redondo e recartilhado, na parte traseira do ferrolho, que era girada para a esquerda ou direita usando-se a palma da mão.

Acima, o fuzil Arisaka Tipo 38
Porém, uma das características únicas do Tipo 99 e que não era bem aceita, era a sua tampa do ferrolho, algo realmente desnecessário, destinada a evitar a entrada de sujeira no mecanismo. Devido ao fato de que, com o tempo, ela acabava com muita folga e fazia muito barulho, os soldados simplesmente a arrancavam e jogavam fora. O problema com os dois calibres existentes, um do fuzil Tipo 38 e outro do Tipo 99 gerou quase que um caos, logisticamente falando, durante a II Guerra. Por falta de condições de atender a demanda só com o Tipo 99, o Exército ainda empregava em algumas de suas tropas o Tipo 38, tentando evitar que as mesmas divisões recebessem as duas armas e evitar confusão de calibres.
Na prática isso não funcionou, pois com o caos reinante após 1943 e 1944, vários soldados japoneses lutavam lado a lado com fuzis 38 e 99, utilizando cartuchos diferentes. Não é preciso muito esforço para imaginar o que acontecia. Apesar de que os Tipo 99, de manufatura em tempo de guerra eram muito mal acabados, não resta dúvida de que esse fuzil era extremamente resistente e reforçado, apesar de seu comprimento longo demais para uso em guerras de selva, por exemplo. Por esse motivo, algumas variações do Tipo 99 em versão carabina, mais curtas, foram implementadas durante a guerra.

Acima, o fuzil japonês Arisaka Tipo 99, em calibre 7,7mm X 58

Detalhes do Tipo 99 e sua estranha trava de segurança, um disco serrilhado para ser acionado com a palma da mão.
As últimas armas produzidas no final da guerra eram tremendamente mal acabadas, faltando acabamento superficial do aço, sem a soleira da coronha, miras rudimentares, marcas de usinagem aparentes e madeira de péssima qualidade. Alguns desses fuzis são perigosos para uso, hoje em dia. Há vários casos na campanha americana no Pacífico que relatam a “explosão” de alguns desses fuzis em mãos de soldados americanos que gostavam de experimentá-los. Durante a guerra o Japão também produziu milhares de Tipo 99 para fins de treinamento, onde as peças de metal nem recebiam tratamento adequado contra desgaste e corrosão. Talvez por essas histórias é que esse fuzil granjeou tão má fama durante a guerra, de certa forma desmerecida.

Uma carabina derivada do fuzil Tipo 99 em calibre 7,7mm X 58
Após a guerra, uma enorme quantidade de fuzis Tipo 38 e 99 foram confiscadas pelos norte-americanos, e grande parte deles foi enviado aos Estados Unidos para serem vendidos como souvenirs, ou sobras de guerra. Os fuzis japoneses possuíam o desenho de um crisântemo gravado sobre a câmara, que era o símbolo Imperial Japones. A grande maioria desses fuzis tiveram esses símbolos eliminados após a guerra, ou por raspagem do material, feita utilizando-se limas ou grosas, ou pela gravação sobreposta de algarismos “zeros”, com o intuito de deformar a figura. Há duas versões sobre esse detalhe; uma delas indica que a ordem para destruição do símbolo imperial nos Arisakas partiu do próprio imperador, para evitar que o símbolo japones não fosse, de certa forma, vulgarizado no exterior. No entanto, fontes mais abalizadas indicam que a ordem partiu mesmo do “staff” do General Douglas Mc Arthur, que também era contrário, por respeito, à banalização do símbolo imperial.
O Símbolo Imperial Japones gravado sobre a câmara de um Tipo 38, uma raridade quando encontrado intacto.
Um Tipo 38 com o símbolo Imperial raspado.
Durante a Guerra chegou-se a desenvolver no Japão um projeto de fuzil semi-automático baseado no M1 Garand norte-americano. Protótipos foram construídos e denominado de Tipo 4, que era a versão preliminar, e o Tipo 5, a versão mais definitiva. Interessante citar que um dos pontos fracos do Garand serviu como inspiração para não se incorrer no mesmo erro: o magazine com clipe ejetável. No Tipo 5, optaram por um carregador incorporado que era municiado por dois clipes, em sequencia, de 5 cartuchos, os mesmos clipes do tipo Mauser que eram utilizados nos Arisaka Tipo 99. Foram feitos pouco mais de 200 protótipos e que mostraram diversos problemas durantes os testes. A guerra acabou para o Japão antes que essas armas tivessem chance de entrar em combate.
Fuzil semi-automático japonês Tipo 5, baseado no M1 Garand – acervo do National Firearms Museum
ESTADOS UNIDOS
Entrando no conflito só a partir do ataque japonês ao arquipélago do Havaí, em 7 de dezembro de 1941, os Estados Unidos tiveram uma grande vantagem de poder ter tempo suficiente para se equiparem, além do fato de que seu parque industrial já estava em plena capacidade de produção bélica, encarregado que era do fornecimento de armamento e equipamentos aos países aliados. Assim sendo, os EUA foram privilegiados quanto ao seu arsenal e partiram para o teatro do Pacífico e Europeu muito bem equipados.
Voltando um pouco na história, a dotação do primeiro fuzil de repetição por ação de ferrolho feita pelos Estados Unidos ocorreu em 1892, com o fuzil Krag-Jörgensen, em calibre .30-40, escolhido que foi por uma comissão militar localizada em Governors Island, Nova York, dentre mais de 50 outros modelos testados como os Lee, Mannlicher, o alemão Mauser e o suíço Schmidt-Rubin. Inusitadamente foi da longínqua Noruega que veio a arma que acabou vencendo a contenda, projetada pelos engenheiros Ole Herman Krag e Erik Jörgensen.
O fuzil norte-americano Krag-Jörgensen, em calibre .30-40
Uma das características mais marcantes e diferenciadas dessa arma era o seu sistema de carregador, que era o que se podia chamar de tipo “caixa”, ou “box-magazine“. A alimentação dos cartuchos se dava através de uma espécie de tampa articulada, na lateral da arma, e a capacidade era de cinco cartuchos. O mais interessante desse sistema que, ao contrário de qualquer outro fuzil de ação de ferrolho existente, permitia a inclusão de cartuchos adicionais, a qualquer momento, e sem precisar abrir o ferrolho.
Outro detalhe era o sistema denominado de “cut-off magazine“, que consistia em uma placa deslizante que podia ser posicionada acima dos cartuchos no interior do carregador, evitando que os mesmos fossem levados à câmara. Era uma opção para o uso da arma em tiro único, sem que houvesse necessidade de se estar com o carregador vazio. O Arsenal de Springfield produziu cerca de 500.000 fuzis Krag entre os anos de 1894 a 1904. Serviu razoavelmente bem o Exército Americano na Rebelião dos Boxers, nas Filipinas e na Guerra Hispano-Americana. Nesta última guerra o fuzil Krag provou ser bem inferior operacionalmente aos que eram utilizados pelo outro lado da contenda, os espanhóis, já equipados com os fuzis Mauser de 1893 em calibre 7mm X 57.
Detalhe do sistema de ferrolho e carregador do fuzil Krag-Jörgensen – o ferrolho era bem similar ao sistema Mauser de 1893, porém mais frágil.

Detalhe do carregador tipo caixa do Krag-Jörgensen, com sua tampa lateral aberta para carga ou descarga
O fuzil tinha dois problemas principais que incomodavam os técnicos militares: a lentidão para se municiar o carregador e a fragilidade do sistema de ferrolho, com um só ressalto de trancamento, que não suportava cartuchos com maiores pressões internas. O cartucho .30-40 Krag, que como indica a nomenclatura era carregado com 40 grains de pólvora sem fumaça, não era muito potente em comparação com similares já usados na Europa, como o 7,92mm X 57 Mauser. Em 1899 tentou-se implementar um cartucho mais potente nessa arma mas isso resultou em problemas técnicos. Chegaram a desenvolver um sistema de carregamento para ele, utilizando-se clipes similares aos da Mauser, mas também sem muito sucesso. Após a Guerra Hispano-Americana de 1898 o Governo Americano decidiu que era hora de mudar, principalmente porque perceberam a eficácia e confiabilidade dos fuzis Mauser modelo 1893, em uso pela força inimiga.
SPRINGFIELD M1903
Aproveitando o período pós guerra, em 1899, o Departamento de Guerra dos Estados Unidos teve a chance de estudar atentamente alguns exemplares dos fuzis Mauser 1893 capturados durante o conflito. Depois de vários protótipos, produziu-se em 1901 uma versão quase definitiva da arma, muito similar ao seu rival alemão. Essa similaridade, apesar de alguns pequenos detalhes, ocasionou posteriormente o pagamento de royalties, pelo Governo Americano, à empresa Mauser-Werke, na Alemanha, algo em torno de US$ 200.000,00 em valores da época.
Depois de vários testes e algumas modificações oriundas de problemas de manufatura e funcionamento, esse novo projeto foi finalmente aceito e em 21 de junho de 1903, as Forças Armadas Norte-Americanas finalmente adotaram o fuzil Springfield, denominado oficialmente de U.S. Rifle Caliber .30-03 Model 1903, uma arma de ação de ferrolho similar à utilizada pela Mauser, alimentação por clipe de 5 cartuchos efetuada por cima da arma, com o ferrolho aberto.
O fuzil Springfield modelo 1903, em calibre .30-06, e seu clipe estilo Mauser, contendo 5 cartuchos.
Por volta de janeiro de 1905 já se haviam produzidos mais de 80.000 fuzís no arsenal de Springfield, pertencente ao Governo Americano. Ainda neste ano, o próprio presidente Theodore Roosevelt, um aficionado por armas, sugeriu algumas mudanças na alça de mira e no formato e encaixe da baioneta. Além disso, uma modificação muito mais importante foi efetuada. Um novo cartucho, ligeiramente modificado, foi introduzido em substituição ao .30-03: era o nascimento do cartucho .30-06 Springfield, cartucho que acompanhou as Forças Armadas americanas até a década de 60. A maior diferença entre esses dois cartuchos estava no projétil, anteriormente de ponta arredondada e pesando 220 grains, substituído por um projétil pontiagudo de 150 grains que atingia 2,800 pés/segundo de velocidade. Os fuzis anteriores tiveram que passar por um processo de remanufatura, principalmente ajustes na alça de mira, para se adequarem à balística do novo cartucho.
Apesar de ser considerado por muitos como uma cópia, é inegável que o espírito inventivo dos engenheiros americanos colaborou, e muito, para até podermos afirmar que a cópia superava o original em vários aspectos. Tiveram a chance de corrigir detalhes que poderiam ser considerados como falhas, no projeto Mauser. Naquele fuzil, por possuir o ressalto traseiro do percussor liso, a arma só consegue ser engatilhada levantando-se e baixando-se a alavanca de manejo do ferrolho. No Springfield, em caso de falha de munição, por exemplo, o infante podia optar só por puxar o ressalto do percussor para tráz, visto que o mesmo possuía uma forma anelar e era recartilhado em toda a sua volta.
Detalhe do ressalto traseiro do percussor, recartilhado para facilitar ser armado sem o uso da alavanca de manejo.
Outra importante modificação foi efetuada no sistema de retém do ferrolho. No fuzil Mauser, a peça responsável por isso possui tão somente a função de reter o ferrolho dentro da armação, bem como servir de alojamento para o ejetor. Uma vez essa peça articulada para fora, o ferrolho pode ser retirado da arma. No Springfield, os projetistas idealizaram uma tecla articulada com tres posições: uma das posições “ON”, a superior, é a de uso normal, que retém o ferrolho em seu curso máximo.
Detalhe da tecla lateral, seletora de tiro “um a um” e de uso normal
Na posição central, o ferrolho pode ser retirado da arma. Na posição “OFF”, inferior, o curso total do ferrolho é limitado, mas ainda assim permite a extração de um cartucho deflagrado, mas não consegue realimentar a arma com um cartucho contido no carregador. A intenção dessa posição é permitir ao atirador poder municiar a arma com cartuchos inseridos de forma avulsa, manualmente, num sistema de tiro-a-tiro, e sem utilizar a carga de 5 cartuchos contida no carregador.
O clipe municiador de 5 munições também não consegue ser inserido na arma com essa tecla na posição “OFF”.

Detalhe do ferrolho e caixa de culatra do Springfield M903 – muito similar às ações da Mauser, mas também, muito bem reforçadas. Note o grande ressalto existente na lateral do cilindro do ferrolho, agindo como mais um elemento de trancamento.
Apesar de ter sido utilizado largamente como o fuzil de dotação do Exército Americano na I Grande Guerra, juntamente com seu companheiro, o fuzil Enfield 1917, o Springfield ainda chegou a ser utilizado no início da II Guerra, por algumas unidades no Pacífico, Norte da África e mesmo na Europa, devido ao fato de que, no ataque surpresa de Pearl Harbor, o fuzil semi-automático M1 “Garand” ainda não estava totalmente disseminado pelas tropas. Em 1942 os principais fornecedores dessa arma ao governo eram, além do Arsenal de Springfield, a Remington e a Smith-Corona Typewriter Co., com sua fábrica em Siracusa, Nova York.
Esses fuzís enfrentaram problemas de corrosão interna em seus canos, principalmente os que participaram de campanhas nas selvas do Pacífico. O uso de espoletas corrosivas e o excesso de umidade na região castigaram efetivamente o raiamento dessas armas, sendo que grande maioria delas foram recolhidas para a substituição dos mesmos. Os U.S. Marines (Fuzileiros Navais) o utilizaram na batalha de Guadalcanal e os Rangers do Exército Americano até o preferiam em detrimento ao novo Garand, para uso em algumas missões específicas.
Porém, após Guadalcanal, os U.S. Marines perceberam rapidamente que uma batalha de selva como aquela era muito mais propícia para fuzis semi-automáticos do que para os de repetição, de forma que, rapidamente, o Governo tentou corrigir o problema enviando os novos Garand, primeiramente para os Rangers e posteriormente para as demais unidades.
Nota-se também que o fuzil Springfield fez parte do equipamento padrão fornecido pelo Exército Norte Americano à Força Expedicionária Brasileira, anexada que foi ao V Exército, para operar no teatro de guerra a partir de 1944, na Itália. Apesar de que o fuzil semi-automático Garand também ter sido utilizado pela FEB, consta que a maioria dos nossos pracinhas utilizaram o M1903 nos campos de batalha.
O coronel Gilberto Pessanha, que, como capitão foi comandante da companhia de Manutenção Leve da FEB, responsável por suprimentos, às Unidades de Combate e de Serviço, exceto o material especializado da Engenharia” (BIBLIEX, 2001, vol. 8, p. 80), relata que “Apesar de todo o nosso empenho junto à Base Peninsular, muitos itens de material, em vista de se terem tornado “críticos”, devido ao recompletamento das unidades americanas para a invasão do sul da França, deixaram de ser recebidos ou tiveram redução nas quantidades a serem distribuídas “, e dá como exemplo os fuzis automáticos Garand – “básico das unidades de Infantaria, como arma individual, foram substituídos, na maior parte, por fuzis “de repetição” Springfield, semelhante ao nosso Mauser – 1908”.
U. S. ENFIELD 1917
Com a eclosão da I Grande Guerra, os Estados Unidos ingressaram no conflito com o Springfield 1903. Um problema surgiu, entretanto. Não havia quantidade suficiente de fuzis deste modelo para equipar toda a tropa. Isso levou o Governo Americano a tomar uma atitude emergencial e utilizar um substituto, recorrendo ao fuzil Enfield modelo 1917, que já estava sendo produzido para a Inglaterra sob contrato, mas em calibre .303 British. Essa arma se denominava Pattern 1914. Para se evitar problemas de suprimentos com essa mudança de cartuchos, resolveu-se alterar o ferramental e começar a produzir os então denominados Enfileld 1917, em calibre padrão .30-06.
Acima, o fuzil U.S. Enfield mod. 1917
Inicialmente os Enfield começaram a ser enviados às tropas americanas que estavam situadas na França. Em virtude de alguns contratempos de adaptação dos soldados com o novo fuzil, o que era perfeitamente normal, a imprensa americana da época chegou a divulgar que o Governo Americano estava equipando os seus soldados com uma arma de qualidade e desempenho inferior, o que não era absolutamente verdade.

Esse fuzil era muito bem construído e robusto, mas excessivamente pesado em relação ao Springfield. Entretanto, provou nos campos de batalha na Europa as suas muito boas características, oriundas de um bom projeto.
O Enfield 1917 possuía o mesmo sistema de carregamento via clipes de 5 cartuchos (apesar de que seu carregador comportava seis cartuchos, que podia ser inserido posteriormente); seu ferrolho com alavanca de desenho pouco comum era muito confortável e de rápido manejo, e ainda dotado de excelente alça de mira regulável em altura, localizada na parte posterior da culatra. Os fabricantes principais do 1917 foram a Remington Arms Co. (Illinois), a Winchester Repeating Arms (Connecticut) e a Eddystone Rifle Plant, subsidiária da Remington na Pensilvânia.
Detalhe da bem elaborada alça de mira, considerada bem superior em relação à do Springfield 1903
Durante os anos de conflito, esses dois fuzis conviveram nos campos de batalha, mas com a produção dos Springfield 1903 aumentando dia a dia com a participação de vários fabricantes, a presença deles, no cenário da guerra, era muito mais significativa.
Mesmo assim, estima-se que logo após a armistício, cerca de 1.100.000 fuzis Enfield 1917 haviam sido enviados à Europa, cerca de 800.000 para equipar as tropas regulamentares e por volta de 60.000 para os fuzileiros navais. O restante ficava na reserva, guardados em arsenais. Nos meses iniciais da II Guerra, em 1939 e 1940, os Enfiled 1917 ainda eram vistos em grande quantidade nos diversos centros de treinamento do Exército Americano, e acredita-se que no início da participação americana, no final de 1941, essas armas ainda eram utilizadas para essa finalidade.

Detalhe do ferrolho (com seu desenho único) e culatra do fuzil Enfield M1917 – note as grandes “orelhas” laterais para a proteção da muito boa alça de mira e o bem posicionado dispositivo de segurança.

Soldado americano descansa em um cemitério, num raro momento de paz e uma chance de dar uma boa verificada em seu Enfiled 1917.
Com o fim da guerra, os EUA continuaram fabricando o Springfield M1903 sendo que por volta de 1919, cerca de 3.000.000 de fuzis estavam em circulação nos arsenais do Exército, Marinha e Aeronáutica. Com fama de ser muito preciso, o M1903 acabou se tornando um excelente fuzil para uso de snipers, os atiradores de elite do Exército e da Marinha.

Entretanto, em meados de 1920, o Departamento de Guerra Americano voltou a dar ênfase a um velho sonho que alimentava já a algumas décadas; o desenvolvimento de um fuzil semi-automático, com maior poder de fogo e eficiência nos mais variados tipos de combate, que viria a se tornar a arma padrão do infante norte-americano.
E foi então que a partir dessa época o U.S.O.D. (United States Ordnance Department) começou a avaliar vários protótipos de fuzis semi-automáticos, dentre eles o Thompson Semi-Auto Rifle, desenhado pelo mesmo projetista da famosa sub-metralhadora, e o fuzil Roth.
O Roth utilizava um sistema denominado de “primer-system”, usando um cartucho dotado de uma espoleta especial que, ao se projetar para fora da cavidade durante o disparo, impulsionava um pequeno êmbolo no ferrolho para possibilitar o destrancamento e abrir a culatra. Era um sistema complicado e não muito confiável. Pior, exigindo um cartucho totalmente diferente dos comuns, deixava o governo com um problema de criar mais um cartucho diferente do .30-06, que já estava mais do que consolidado nas Forças Armadas.
À esquerda, Jean Garand e seu primeiro protótipo.
Porém, e felizmente, entrou em cena um projeto de um desconhecido canadense, oriundo da província de Quebec, nascido em família francesa, chamado Jean Cantius Garand, que se muda para os EUA ainda na puberdade. Mais tarde, já como funcionário do arsenal de Springfield, Garand começou a trabalhar no projeto de um novo fuzil que viria a ser tornar, por volta de 1936, em um padrão para a época. A esta altura, Jean Garand ainda não tinha a exata noção do impacto de seu projeto; tornar-se, sem dúvida alguma, no melhor, mais eficiente e confiável fuzil semi-automático utilizado na II Guerra.
US RIFLE M1 GARAND
A importância dessa arma para o Exército Americano e talvez, até, pelo impacto que teve no desfecho de diversas batalhas, faz do Garand um verdadeiro ícone no universo dos fuzis militares. Portanto, temos aqui em nosso site um capítulo dedicado exclusivamente à essa magnífica arma, sem sombra de dúvida o melhor e mais eficiente fuzil utilizado no conflito, por qualquer dos países envolvidos.
Originalmente Jean C. Garand havia desenvolvido seus protótipos para uso do calibre .276 Petersen, que não era o calibre padrão do Exército Americano. Foi só por volta de 1930 que o Gen. Douglas MacArthur, então chefe do Staff do Aberdeen Proving Group, afortunadamente, pediu para que Garand alterasse o fuzil para o cartucho .30-06 Springfield. Durante os anos de 1931 e 1932, Garand trabalhou árduamente para melhorar e solucionar alguns problemas de quebras de ferrolho e mal funcionamento em geral. Em Agosto de 1933, o protótipo denominado de T1E2 foi enviado para testes de campo nas unidades de cavalaria e infantaria do Exército.

Diversos problemas foram relatados e mais uma vez, modificações tiveram de ser feitas. Finalmente, em 9 de janeiro de 1936, o fuzil foi oficialmente adotado pelo Governo Norte-Americano com o nome oficial de U.S. Rifle Caliber .30, M1. tornando-se o primeiro fuzil semi-automático a ser adotado como arma regulamentar por qualquer país do mundo, até então. O início da produção em massa foi meio conturbado, com diversos problemas que, aos poucos, foram sendo solucionados. Por volta de 1939, a produção normalizada já era uma realidade e o Arsenal de Springfield já produzia os fuzis a razão de cem por dia. O componente mais crítico da arma ainda era o cilindro e êmbolo de gas, o que ainda em 1940, forçava algumas alterações.
Foto: o controverso clipe de metal para 8 cartuchos
Com o ingresso dos USA no teatro de operações do Pacífico, após o incidente de Pearl Harbor em dezembro de 1941, a indústria americana partiu para a produção em massa do M1, a todo o vapor, envolvendo além do Arsenal de Springfield tradicionais fabricantes de armas americanos como Remington, Winchester e Harrington & Richardson, dentre outros.
Desta forma, os Estados Unidos se tornou o único país do conflito, tanto do lado aliado ou não, a possuir praticamente toda a sua infantaria equipada com um fuzil semi-automático. Isso dava aos Estados Unidos uma significativa vantagem no poder de fogo da infantaria contra o inimigo, lembrando que a Alemanha, Itália e Japão utilizavam fuzis de repetição, em mãos da maioria dos combatentes. No caso da Alemanha, a presença de armas como os Gewehr 41 e 43 era muito tímida perante o que se via no lado do combatente americano. No cenário aliado, tanto França, Inglaterra como Rússia também não possuíam este tipo de arma equipando a maior parte de seus infantes.

O fuzil Garand M1 é uma arma semi-automática, sem opção para tiro seletivo; isso quer dizer que mesmo se mantendo pressão sobre o gatilho, após um disparo, é necessário que se alivie a pressão e se pressione novamente para efetuar o disparo seguinte.
Seu sistema de recuo se baseia na tomada ou aproveitamento parcial dos gases oriundos da combustão da pólvora para executar o ciclo completo da arma, ou seja, a ejeção do cartucho deflagrado e a inserção de novo cartucho na câmara.
Na foto, um detalhe do sistema de “coleta” de gases por um orifício no cano, pouco antes do projétil abandonar o interior do cano .
No caso do M1, essa tomada é feita através de um orifício bem próximo à boca do cano, na parte inferior do mesmo. Parte dos gases penetrando por esse orifício entram em um cilindro vedado onde se move um êmbolo, ou pistão, o qual é pressionado para traz e ligado a uma espécie de varão. O deslocamento deste varão libera o ferrolho, fazendo-o girar uns 20 graus no sentido anti-horário e liberar seus dois ressaltos dos respectivos encaixes nas paredes da armação. O fuzil empregava um clipe de metal com capacidade de 8 cartuchos, que era inserido pela parte superior do ferrolho. Uma vez encaixado, o ferrolho se fechava já com a inserção de um cartucho na câmara. Após o último disparo, o clipe era ejetado para fora, por cima, com um ruído característico que se tornou uma marca desse fuzil e motivo para controvérsias, pois o inimigo aprendeu que, ao ouvir aquele ruído, a arma estaria descarregada.
Durante toda a atuação das Forças Armadas Norte-Americanas na II Guerra, de 1941 a 1945, com milhões de fuzis produzidos e distribuídos entre as tropas, o Garand teve uma reputação irrepreensível. Mesmo com alguns problemas, pois além do problema dos clipes (a arma não funcionava sem o uso desses clipes) e o problema crônico de entupimento do pistão de gás por excesso de resíduos de pólvora, nada disso tira de John Garand e de sua excelente arma o brilho e fama que conseguiu angariar ao longo de vários anos de serviço e participação maciça em dois grandes conflitos. Após a II Guerra, o Garand ainda esteve presente na Guerra da Coréia e mesmo a partir de 1959, quando começou a ser substituído pelo M14, (a bem da verdade o mesmo fuzil com alguns melhoramentos), ainda participou em menor escala na Guerra do Vietnã.
É inquestionável a importância que essa arma teve para a história mundial e principalmente para os Estados Unidos; cabe notar aqui que até hoje, o Marine Corps dos USA ainda utiliza o M1 Garand, em solenidades de gala ou cerimônias de acompanhamento e escolta do presidente Norte-Americano. Sem dúvida, uma grande honra oferecida à uma arma ímpar e venerável, que reinou absoluta nos campos de batalha da Europa.
Para saber mais, acesse o artigo exclusivo sobre o Garand M1, aqui mesmo, em nosso site.
BROWNING AUTOMATIC RIFLE (BAR)
Esta é outra arma que, embora não tão importante como o Garand, serviu como equipamento de apoio à guarnições e batalhões do exército, principalmente visando cobrir a deficiência que os EUA tinham no campo das metralhadoras leves. Como ocorre com o Garand, temos em nosso site um artigo específico para ele.
Um pouco antes dos Estados Unidos entrarem em combate na I Guerra, já era assunto corriqueiro no Departamento de Guerra americano de que o contingente a ser enviado à Europa não dispunha de uma arma automática leve, de tiro contínuo, destinada à proteção e ao chamado tiro de cobertura. A metralhadora Browning calibre .30-06 não era, decididamente, uma arma que se podia chamar de portátil. A metralhadora Benet-Mercie, usada na Guerra do México, havia provado sua baixa sustentação de tiro e falta de confiabilidade.
Uma alternativa que chegou a ser implantada já em campos de batalha foi o fuzil-metralhador francês C.S.R.G., mais conhecido como Chauchat, do qual falamos em nosso artigo sobre o M1 Garand. Infelizmente, o uso do Chauchat resultou em um enorme fracasso, devido ao péssimo desempenho dessa arma em mãos dos soldados americanos. Essa arma era denominada C.S.R.G., iniciais que significam Chauchat, Suterre, Ribeyrolle et Gladiator. Os tres primeiros nomes são os dos seus projetistas e o último, do fabricante da arma, Établissements des Cycles “Clément-Gladiator”, um fabricante francês de bicicletas. Apesar de sua aparência estranha, era bem revolucionário em sua concepção, tanto que fazia enorme sucesso militar no cenário da I Guerra mas, curiosamente, só nas mãos dos franceses.
Acima, um fuzil metralhador C.S.R.G. em calibre 8mm Lebel, (8mmX50R) e adotado pelos Estados Unidos em 1917
O modelo enviado aos USA para posteriormente ser distribuído às tropas foi adaptado para o calibre .30-06 Springfield, ao invés do padrão 8mm X 50R, cartucho que era utilizado pela França em seus fuzis de repetição Bertier e Lebel. Essa arma atuava no sistema de longo recuo, utilizando um ferrolho com trancas rotativas. A modificação para o cartucho .30-06, muito mais potente que o original 8mm, não lhe fez muito bem e assim, padecia de numerosos engasgues. Era, a bem da verdade, uma monstruosidade com 1,09 metro de comprimento e 9Kg de peso.

Acima, soldado norte-americano lança mão da sua fiel e infalível “nineteen-eleven”, a Colt 1911 cal.45, depois de ter lutado algum tempo com um outro “inimigo”, o fuzil Chauchat
O modelo mais comum possuía um carregador em forma de meia lua, muito trabalhoso de municiar e capacidade para 16 cartuchos. Um dos modelos utilizados pelos Estados Unidos usava um carregador retilíneo para 30 cartuchos. A arma teve sua avant-première em 21 de outubro de 1917, na região de Sommerville. Relatos da época fazem alusão à alguns soldados norte-americanos, que optavam por abandoná-los na lama das trincheiras, trocando-os pelos simples, mas mais efetivos, fuzis Springfield M1903. Os americanos o chamavam de Show-Show ou até mesmo de Shoo-Shoo, mas esses nomes eram muito menos utilizados do que outros tantos mais, os quais prefiro omitir aqui. Eu creio que essa arma não possui rival, na história do armamento bélico utilizado nos Estados Unidos, quanto à péssima fama adquirida em combate. O carregador meia-lua possuía enormes janelas laterais, desenvolvidas para que o atirador pudesse acompanhar melhor a capacidade de cartuchos restantes. Entretanto, lama, areia e cascalhos eram o que as trincheiras mais ofereciam de pior aos soldados e às suas armas, e esses carregadores se entupiam com isso. Além do mais, eram frágeis e entortavam facilmente quando derrubados ao chão.
A freqüencia de engasgues dessa arma era imensurável; a bem da verdade, o Chauchat não prometia um mal funcionamento constante; ele realmente garantia isso. Tornou-se assim num grande fracasso, o que acelerou mais ainda o plano de se desenvolver, com a máxima urgência, uma nova arma para subst
Diante desse quadro, em 1917, surge a figura do brilhante projetista John Browning, que apresenta um projeto de um fuzil-metralhador, ou fuzil automático propriamente dito. Uma simulação executada com tiro automático de varredura sobre supostas tropas inimigas, em campo aberto, deixou a platéia tão extasiada e entusiasmada que até esqueceram-se do fato muito importante que, até aquele momento, somente uma arma daquele tipo existia.
A metralhadora de Browning, refrigerada à ar, também foi rapidamente adotada em serviço, logo após a demonstração. Para John Browning, o episódio foi uma espécie de coroação pelos seus méritos, mais que merecida, pois não era praxe para o pessoal do Departamento de Ordenança adotar uma nova arma com tanta facilidade. A empresa Colt Firearmrs, a Marlin-Rockwell e posteriormente a Winchester passaram a produzir o então chamado BAR (Browning Automatic Rifle) a toque de caixa, para tentar suprir a demanda requerida pelo governo.
Acima os tres modelos básicos do Fuzil Automático Browming: modelo 1918, 1918A1 e 1918A2 – neste último, note o monopé incorporado abaixo da coronha e o bipé montado na dianteira.
Apesar de que somente em setembro de 1918 o fuzil chegou às mãos de soldados norte-americanos na França, ainda assim deixou uma significante impressão nos militares aliados, sendo que a própria França encomendou 15.000 dos fuzis Browning para substituir os seus tradicionais Chauchat. O próprio filho de John Browning, o 2º Tenente Val Allen Browning promoveu diversas sessões de demonstração da arma aos aliados. Assim, verdadeiramente, o B.A.R. não chegou a ter participação em muitas ações nos campos de batalha da I Guerra; entrou em cena um pouco tarde, e havia até uma certa relutância do próprio Exército dos Estados Unidos em distribuí-lo às tropas, para evitar que caíssem em mãos inimigas. Apesar disso, acredita-se que cerca de 85.000 armas participaram do conflito.
Durante o curto período de paz na Europa, de 1918 a 1939, as Forças Armadas Norte-Americanas foram introduzindo gradativamente o B.A.R. em suas fileiras. A Marinha americana e o grupo de Fuzileiros Navais também adotaram a arma; interessante citar que nos arsenais dos navios, cada exemplar do fuzil era acompanhado de um cano sobressalente. Na Marinha, os fuzis chegaram a se manter em serviço até meados de 1960 e chegaram a participar dos conflitos no Haiti e na Nicarágua.
Após a entrada dos Estados Unidos na II Guerra Mundial, o Departamento de Ordenança já havia definido, em 1938, que o BAR M1918A2 fosse adotado como arma regular e destinado a equipar um homem de um batalhão composto de oito soldados, esses últimos portando basicamente o fuzil M1 Garand. Porém, todos esses integrantes possuíam treinamento básico no manuseio do B.A.R. para o caso do seu atirador ser morto ou ferido. Algumas unidades de infantaria equipavam os batalhões com mais de um “BAR man“, como eram então chamados seus atiradores, e um ou dois asssitentes (ammo bearers) transportando carregadores municiados extras.
Com o uso constante nos campos de batalha, alguns problemas começaram a surgir com os fuzis, a começar com emperramentos constantes no mecanismo de retardo da cadência de fogo. Técnicos que analisavam esses casos chegaram a conclusão de que isso era devido ao costume dos soldados limparem a arma na posição vertical, com a coronha apoiada no solo, e todo o resíduo de solvente, óleo adentravam o mecanismo que era montado na coronha. Outro fator grave era o entupimento e a corrosão dos componentes da regulagem de tomada de gases, que ao contrário do que ocorreu no Garand, nunca foram substituídos por peças feitas em aço inoxidável.
Apesar de todos esses percalços, estivessem nas mãos de soldados nos campos da Europa como de marines nas ilhas do Pacífico, o B.A.R. , sem dúvida alguma, marcou sua presença na história da guerra. Cumpre ressaltar que essas armas continuaram em serviço na Guerra da Coréia, onde com a ajuda de outros fabricantes como a Royal Typewriter Co. de Hartford, o governo supriu as forças americanas com mais de 60.000 armas. Os problemas com os componentes da tomada de gases do cano continuaram, sendo que esforços foram dispendidos no sentido de eliminá-los, o que ocorreu com a substituição das peças por outras descartáveis, feitas em nylon, o que também evitava o tedioso trabalho de constantes desmontagem do conjunto para limpesa.

Fuzil Automático Browning M1918A2 em calibre .30-06 Springfield
Seu peso descarregado era de cerca de 8,8 Kg, dependendo da versão e de seus acessórios instalados, com o comprimento ao redor de 1,22 m. De acordo com suas versões, a cadência de disparos poderia variar de 300 a 650 tiros por minuto; em alguns modelos, essa velocidade podia ser selecionada através de uma chave, inclusive com a opção de tiro semi-automático. A opção de trabalhar com o ferrolho aberto, característica muito comum em metralhadoras e em quase todas as submetralhadoras, serve para se evitar o efeito denominado de “cook-off“, ou seja, o aquecimento demasiado de um cartucho repousado na câmara muito quente, podendo o mesmo entrar em auto-detonação. Entretanto, o sistema de ferrolho aberto não é muito bom no aspecto de precisão, devido ao seu deslocamento muito grande na hora do disparo.
Veja muito mais detalhes, inclusive sobre o funcionamento desta arma, aqui mesmo, em nosso artigo exclusivo.
US M1 CARBINE

Primeira versão da carabina M1 distribuída às tropas americanas, ainda com a alça de mira simples, em L, e sem engate para baioneta.
A idéia de prover os oficiais de baixo escalão do Exército dos Estados Unidos com uma arma leve, facilmente transportada e com muito bom poder de fogo, a fim de suprir as desvantagens inerentes do uso de uma só arma curta de defesa, no caso a pistola Colt 1911, não começou exatamente durante a guerra, e sim, por volta de 1938. Já naquele tempo o Departamento de Ordenança do Governo dos USA já havia requerido formalmente o desenvolvimento de uma carabina semiautomática para uso de oficiais, que daria à eles uma arma de maior alcance e precisão do que uma pistola. Entretanto, só em 1941 que a ideia foi levada adiante, e o projeto foi lançado oficialmente, abrindo essa participação para diversos fabricantes de armas.
Acima, os dois lados de uma arma cativante e muito apreciada pelos oficiais americanos na II Guerra – a carabina .30 M1, a versão inicial utilizada na II Guerra, sem o encaixe para baioneta sob o cano.
Inicialmente a Winchester Repeating Arms não apresentou e nem se interessou em participar do projeto, uma vez que estava muito ocupada às custas de aperfeiçoar e começar a produzir os protótipos do seu Military Rifle M2 em calibre .30-06, apesar de que, como sabemos, o M1 Garand já havia sido escolhido como o fuzil padrão do Exército. Mas, tal qual outras armas similares, o M2 seria uma alternativa ao Garand. Com a ajuda de David Marshall Williams, um assassino confesso que ainda estava cumprindo pena na Caledonia State Prison, na Carolina do Norte, mas que já havia trabalhado em um projeto de um fuzil semiautomático, a Winchester terminou o projeto M2, anteriormente iniciado por Ed Browning, irmão do já falecido e lendário John Browning, e submeteu-o à apreciação dos Fuzileiros Navais. O sistema de pistão a gás de pouco recuo usado neste fuzil, que era um projeto de Williams, juntamente com o desenvolvimento de um cartucho menor e mais leve que o .30-06, foram a mola mestra para o primeiro protótipo da carabina.

David Marshall Williams, trabalhando no projeto da M1, ainda durante o cumprimento de sua pena. Williams faleceu em 1975 devido ao mal de Ahlzheimer. Williams, envolvido com destilaria ilegal durante a Lei Seca, foi condenado a 30 anos de prisão pelo assassinato do xerife Alfred Jackson Pate em 1921.

Carabina .30M1 de produção pós-II Guerra – note o engate para baioneta sob o cano, alça de mira regulável e “telha” metálica ao invés de produzida em madeira.
Com relação ao novo cartucho, a Winchester já havia desenvolvido um, mas nesta época já obsoleto, o denominado 32 Winchester Self Loading, utilizado em uma das primeiras carabinas semiautomáticas desse fabricante. Sobre esse cartucho a Winchester criou um novo e mais moderno, para uso na nova carabina, com um projétil de 7,7 mm de diâmetro, 110 grains de massa e com uma velocidade inicial de quase 1.900 pés/seg. Era um cartucho totalmente sem aro (rimless) e levemente cônico, mas não a ponto de obrigar o uso de um carregador curvo. De acordo com o solicitado pelo governo, a capacidade do carregador deveria ser de, no mínimo, 15 cartuchos. A energia desse cartucho era cerca de duas vezes maior do que o .45ACP da Colt 1911, mas com cerca de 3 vezes menos potência do que o .30-06 do Garand. Seu uso efetivo se situava em torno de 200 metros, muito mais extenso, portanto, que o geralmente empregado numa pistola, algo em torno de 50 metros.
À esquerda o cartucho .30M1
Ao examinar o fuzil M2, que já era muito parecido com a futura carabina M1, o Major René Studler, do Departamento de Material Bélico, imaginou que seria possível executar uma redução de dimensões naquela arma, uma vez que utilizaria um cartucho bem menor, daí resultando uma arma bem mais leve e menor. A meta de peso a ser atingida era algo em torno dos 2,200Kg. William Roemer mais quatro outros engenheiros da Winchester começaram a trabalhar sobre a idéia de Williams e no novo cartucho .30. O resultado foi apresentado aos técnicos do Exército, que acharam a arma excelente. Dado o sinal verde, a Winchester começou a aprimorar o projeto com a ajuda de Williams e, em outubro de 1941, a fábrica foi comunicada oficialmente que a carabina havia sido a escolhida dentre outros modelos concorrentes, testados que foram exaustivamente.
O desenho final, juntando-se todas as soluções e idéias de diversos técnicos e engenheiros, resultou em uma arma muito bem construída, com um sistema de ferrolho rotativo e de tomada de gases na porção mediana do cano, muito similar ao do M1 Garand, e mais do que eficiente e resistente para o cartucho empregado. A arma foi muito bem aceita no Exército e pelas tropas em atividade na II Guerra, pela grande maneabilidade, capacidade de munição aceitável e carregador destacável.

Acima, o primeiro modelo utilizado de alça de mira, com apenas duas posições, 150 e 300 jardas.
A alça de mira, inicialmente, era bem simples, tipo peep-sight, mas sem ajuste lateral e com duas graduações de 150 e 300 jardas, efetuadas por intermédio de uma peça em formato de L, articulada. Durante a guerra, essas miras foram substituídas por miras ajustáveis lateralmente e verticalmente, também do tipo “peep-sight”, similar ao do fuzil Garand.
A arma era muito bem aceita na tropa. Os oficiais subalternos e algumas vezes até mesmo sargentos em comando de pelotão a utilizavam com bastante frequencia. Seu baixo recuo permitia uma sequencia de disparos em alta velocidade, quase sem ser necessária a correção da visada, o que era quase impossível de se conseguir com um fuzil M1. Seu peso ficava em torno de 2,400Kg descarregada, com um comprimento de 90 cm.

US Rifle M1 Garand e a US Carbine M1, lado a lado para comparação.
A coronha de madeira era dotada de um engate para a bandoleira, que trespassava a coronha de lado a lado. A bandoleira de lona era inserida nessa ranhura, dava-se a volta em uma especie de tubo de metal oco, que servia como almotolia para óleo lubrificante, e retornava para o mesmo lado para fixação nas fivelas. A almotolia servia então como apoio para a bandoleira.

Bandoleira de lona e a almotolia de óleo para fixação da bandoleira na coronha.
Detalhe da culatra da carabina M1, com a alça de mira tipo “peep-sight” – a similaridade com a culatra do fuzil M1 Garand é inequívoca
Acima a carabina .30M1A1 com coronha “esqueleto” dobrável e a M1 com a bolsa de lona para dois carregadores adicionais
Além da M1, mais tres versões produzidas em tempo de guerra se destacam: a M2, a M3 e a M1A1, esta última dotada de coronha dobrável, para uso de unidades de paraquedistas. A M2 tinha um dispositivo seletivo para fogo contínuo ou semi-automático. Para tanto, foi equipada com um carregador maior, para 30 cartuchos. Devido ao dobro da capacidade do carregador normal, o de 30 era ligeiramente curvado para a frente, pois agora a leve conicidade do cartucho já fazia uma certa diferença. Esse carregador recebeu o apelido de “banana-clip“. A M3 era, na verdade, igual à M2 mas com trilhos adaptadores para montagem de luneta. Um interessante acessório era uma bolsa de lona, presa por tiras elásticas à coronha, que permitia transportar dois carregadores adicionais de 15 cartuchos.

Carabina .30 Versão M2, com seletor para tiro semi-automático ou automático, com carregador para 30 cartuchos – uma carabina com pretensões de sub-metralhadora

Lado esquerdo da carabina M2, mostrando a alavanca seletora de tiro. Diversas M1 foram transformadas em M2, que é o caso dessa arma fotografada, pois as modificações eram simples de serem executadas. Nota-se o martelo na posição engatilhado, e sua mola. Abaixo do cano percebe-se a mola recuperadora.
Durante o esforço de guerra a produção se distribuiu entre vários fornecedores, como a General Motors, IBM, Underwood, Quality Hardware & Machine Co., Rock Ola, Inland Mfg. Division (outra divisão da GM), entre outras. Estima-se em cerca de 6 milhões de carabinas .30M1 produzidas, o que concede à essa arma a honra de ser a arma militar mais produzida nos USA até hoje. A Winchester fabricou por volta de 900.000 armas, mas a maior produtora foi a Inland, com mais de 2.000.000 de carabinas produzidas.
Não se tem relatos em grande escala de problemas ou críticas dessa arma quando participando do teatro de operações na II Guerra, exceção feita em alguns casos onde a potência do cartucho deixava um pouco a desejar. O que precisa-se levar em conta é que essa carabina, geralmente na mão de um comandante de batalhão, lutava lado a lado com o Garand, o que deixaria mais óbvia a desvantagem de seu pequeno cartucho. Porém, a maneabilidade e a capacidade de 15 cartuchos amenizava essa situação, de alguma forma.
Um caso interessante é o que ocorreu com o Major-General James M. Gavin (foto), que era o comandante da 82ª Airborn Division do Exército Norte-Americano, durante a desastrada Operação “Market-Garden”, em setembro de 1944, onde a intenção era despejar uma quantidade, que até hoje nunca foi superada em nenhuma guerra, de paraquedistas na região de Arnhem, na Holanda, para evitar que os alemães tomassem e destruíssem as pontes sobre o rio Reno. Esta operação foi uma conjunção de esforços do Exército Britânico, Canadense, Norte-Americano e até uma brigada de paraquedistas polonesa.
Gavin, nessa época Brigadeiro General, contando nesta ocasião com 37 anos de idade, era o mais jovem general do exército americano. Ele havia sofrido um incidente de tiro com sua M1 em uma de suas missões anteriores, de forma que preferia utilizar o bem mais incômodo, porém mais potente, fuzil Garand M1 em suas missões posteriores.
Nessa foto acima, vemos o Major General James Gavin se preparando para embarcar para a Holanda, com sua pistola Colt 1911 na cintura e seu fuzil Garand ao chão. Abaixo, o fuzil M1 utilizado pelo general, exposto em um museu pertencente ao Exército Americano. O general nova-iorquino faleceu em Maryland, em 1990, com 82 anos de idade.
Carabina M1 de fabricação Rock Ola
Detalhe da culatra de uma M1 de fabricação Underwood
O Exército Americano ainda utilizou as M1 e M2 na guerra da Coréia mas em bem menor escala, e também equipou algumas de suas unidades nos primeiros anos da guerra do Vietnã. Aliás, rapidamente, foi percebido nesses últimos teatros de operações as vantagens da carabina, no que se referia à leveza e tamanho, muito mais apropriadas para a guerra na selva do que um fuzil de tamanho padrão como era o Garand.
Ainda foi disponibilizada a versão denominada de M3, a mais desconhecida delas, idêntica à M2 mas com uma usinagem adicional para incorporar uma mira telescópica. Entretanto, além de já contar com os M14, mais curtos que o fuzil M1 e já sendo introduzidos os novos M16, a carabina M1 não teve quase nenhuma participação naquele conflito. Após as guerras, a Winchester e a Inland continuaram com a produção endereçada às vendas para o mercado civil norte-americano, que aliás foram muito boas. Ainda hoje existem fabricantes norte-americanos dessa arma, como a Auto Ordnance, a antiga fabricante das sub-metralhadoras Thompson. Em sua fábrica de Worcester, MA, produzem uma cópia fiel da carabina M1 em tres variações, uma delas com coronha dobrável.
Abaixo uma relação dos diversos fabricantes da M1 durante a II Guerra com seus respectivos números de série:

Vista explodida da U.S. M1 Carbine .30M1 – um projeto eficiente, confiável e simples de manutenção
*** *** ***
































































Obrigado, amigo.
Carlos F P Neto
13/01/2018 at 16:26
Ótima publicação.
Francisco
13/01/2018 at 14:53
Romão, está dentro de nossos planos, em breve. Grande abraço.
Carlos F P Neto
05/11/2015 at 9:51
Ja que você fez essa ótima matéria sobre fuzis seria possível e de bom grado também fazer uma matéria sobre metralhadoras e submetralhadoras da primeira e segunda guerras. Serei grato se fissese
romaobrzinski@outlook.com.br
04/11/2015 at 22:12
Robson, não temos conhecimento disso. Grato pelo contato.
Carlos F P Neto
07/05/2015 at 23:06
ola., vejo que vcs entendem de armas, gostaria de saber se há algum fuzil calibre 352 usado pelas forças armadas brasileiras, se houver quais as especificaçoes. obrigado
Robson Jesus
07/05/2015 at 18:01
Mateus, realmente o AVT soviético foi produzido no arsenal de Tula em 1943, mas não chegou a ser distribuído às tropas em grande quantidade. Grato pelo depoimento e um abraço.
Carlos F P Neto
03/12/2013 at 19:43
Acho que os russos tinham um modelo automático da svt-40,o nome era avt-40. E o interessante é que ainda no final da segunda guerra, os alemães ainda usavam o gewehr 71,mas esses eram usados pelos volkssturm.
Mateus Fontenelle
03/12/2013 at 12:15
Mateus, realmente os japoneses desenvolveram um fuzil similar ao Garand, o Tipo 4 e depois o Tipo 5. Interessante que, tecnicamente, havia um ponto que era até melhor do que o Garand. O carregador era integral, municiado com dois clipes sucessivos de 5 cartuchos, os mesmos clipes do tipo Mauser que eram usados no Arisaka. Porém, não tiveram tempo de solucionar os problemas durante os testes.
Carlos F P Neto
29/11/2013 at 16:37
Pelo que eu me lembro os japoneses tinham um projeto de uma arma que seria semelhante ao m1 garand, na verdade era uma cópia dela.Seu nome é fuzil tipo 4 ou 5 pelo que eu tinha visto.
Mateus Fontenelle
29/11/2013 at 12:45