Carabina CBC “Impala” (Rev. 1)
A CBC, Companhia Brasileira de Cartuchos, é uma empresa presente no cenário brasileiro há cerca de 70 anos. Ela é oriunda da antiga F.N.C.M, Fábrica Nacional de Cartuchos e Munições, fundada pelos imigrantes italianos Costabile e Nicola Matarazzo em 1926. A F.N.C.M. foi uma empresa historicamente importante para o Estado de São Paulo, pois na época da Revolução Constitucionalista, foi a fornecedora dos cartuchos utilizados pelas Forças Revolucionárias do Estado. Nessa oportunidade, saíam desta fábrica cerca de 30.000 cartuchos de calibre 7X57mm Mauser, por dia. A F.N.C.M. estava instalada em pequeno barracão, contando com cerca de 20 funcionários e só fabricava cartuchos de caça.
Em 1936 a empresa teve seu controle acionário transferido para a Duperial, que era acionista da Remington Arms, tradicional empresa norte-americana de armas e munições, e da ICI (Imperial Chemical Industries), empresa britânica, tendo seu nome alterado para Companhia Brasileira de Cartuchos. Em 1953, a C.B.C. inicia no Brasil a fabricação dos cartuchos de fogo circular calibre .22, nas versões Curta e Long-Rifle (LR).
Atualmente o seu complexo industrial abrange uma fábrica em Santo André, SP, com 28.000m² de área construída e uma unidade mais moderna em Ribeirão Pires, próximo à São Paulo, com 30.000 m² de construção e 1.800.000m² de área total, com cerca de 2.000 funcionários. Nesta unidade de Ribeirão Pires, aliada à um belíssimo cenário natural, a CBC mantém o seu Centro de Treinamento Tático (CTT), onde além de atividades de treinamento, acontecem várias etapas do Campeonato Paulista de Fuzil Esportivo, utilizando para isso a pista com 230 metros de comprimento.
Foto: Cartuchos cal. 22LR fabricados pela CBC. O da direita é da época do início da produção destas munições no Brasil.
Sua produção atingia a marca de 2,5 milhões de cartuchos por ano. O calibre .22, pela sua baixa complexidade e baixo custo de fabricação, é o calibre mais utilizado no mundo nas áreas de tiro esportivo e caças pequenas.
Por ser provido de sistema de ignição circular, mundialmente conhecido como “rim-fire”, não utiliza espoleta externa e com isso a construção do cartucho é muito mais simples e menos dispendiosa. Com isso, é também o cartucho de arma de fogo mais acessível, economicamente.

Carabina Remington mod. 511, produzidas nas décadas de 1940 a 1960, base para o projeto das CBC mod. 122 e posteriormente da carabina Impala.
Com a popularização do uso deste calibre em tiro esportivo e de diversão (plinking) e no rastro de outras empresas nacionais que lançaram armas leves para essa finalidade, a CBC entra, na década de 60, no mercado de fabricação de armas com modelos que fizeram sucesso, como os rifles semi-automáticos modelo 66 Nylon, na verdade um modelo oriundo da Remington, e as carabinas da linha 122, também baseadas no projeto Remington das carabinas Mod. 511, de repetição por ação de ferrolho.

As carabinas Impala modelos Master 422 e Match-Master 322, de cima para baixo.
Porém, uma lacuna ainda existia no mercado; as carabinas fabricadas pela Rossi, empresa localizada no Rio Grande do Sul e da CBC, em São Paulo, não atendiam muito bem as exigências do atirador do tiro esportivo mais sério no calibre 22, que até então tinha que importar essas armas de fabricantes que ofereciam modelos mais refinados.
Pensando nesse nicho de mercado, justamente na faixa de atiradores praticantes das provas de carabinas .22 com alvos posicionados a 25 metros, a CBC resolve, em 1983, lançar uma nova linha de carabinas esporte, a que deu o nome de Impala. Essas armas possuem, na verdade, uma ação de ferrolho derivada do rifle modelo 122, mas com ligeiras modificações, com um sistema de gatilho totalmente novo e mais bem elaborado.
Dois modelos foram apresentados: o modelo Match-Master 322 e o Master 422. A diferença que mais se destaca entre eles é o desenho do cano e o do carregador. O 322 é oferecido com um cano bem mais pesado, estilo “bull-barrel”, pesando só o cano 1,760 Kg e com carregador para seis cartuchos embutido na coronha. O 422 possui o cano mais leve, com um peso de 1,280 Kg, menos espesso, e seu carregador com capacidade de 10 tiros, pode ser retirado através de uma abertura na parte inferior da coronha, bem ao estilo dos modelos 122. Porém, no 422 pode-se carregar com o magazine removido da arma; no 322, a carga de cartuchos só pode ser feita com a culatra aberta, inseridos um a um no carregador, que não é removível. O magazine aceita munições calibre 22 em três tamanhos, Curta, Longa e Long-Rifle.
Pela faixa de preço em que se situavam os dois modelos, bem acima da média das demais carabinas do mercado na época, e pela pequena diferença existente no valor entre as duas versões, era de se supor que o modelo 422 não seria tão bem aceito rm relação à sua versão mais cara. Esse detalhe até hoje é percebido, quando se observa a presença praticamente unânime dos modelos 322 nos estandes de tiro. Por esse motivo, vamos nos dedicar neste artigo, especificamente, sobre o modelo 322, o chamado “Match-Master”.
A Impala modelo Match-Master 322 (Arma e foto do autor)
A coronha, em estilo Monte-Carlo, é surpreendentemente bem acabada e balanceada para uma arma nacional. Além de estar provida de um amortecedor (recoil-pad) de borracha na soleira, do tipo ventilado, a empunhadura do tipo pistola é trabalhada com um acabamento antiderrapante, granulado, de cor preta, dando à arma um aspecto bem chamativo e sofisticado.

Na foto à esquerda, uma adaptação feita pelo autor, utilizando-se o “recoil-pad” de borracha original da Impala, modelo tipo ventilado, originalmente fixo à coronha, porém montado a um Bisley Adjusted Butt-Plate, acessório que pode ser importado dos USA.

As últimas versões produzidas desta arma foram fornecidas de fábrica com soleiras de borracha sólidas, mas dispondo de regulagem de altura.
O guarda mato, apesar de ser feito em plástico, possui um acabamento externo ranhurado, antideslizante, e o perfil da coronha o acompanha até a parte inferior. Com isso, além de baixar mais o ponto de apoio para as mãos do atirador, dá à arma uma aparência imponente e robusta.
No fuste, parte inferior ao cano, há um trilho de alumínio, muito bem usinado, fixado com parafusos, com a largura interna de 1/2″ (12,5 mm), que permite a instalação de um suporte para bandoleira, com um “knob” em alumínio zigrinado, fornecido como padrão. Dessa forma, a bandoleira poderia ser ajustada no comprimento com muita facilidade.
Esse trilho serve também para se adaptar outros acessórios como “champignon”, contra-pesos, etc. Retirando-se o conjunto cano e culatra, fixados por dois parafusos, verifica-se que há cavidades na coronha especialmente feitas para a colocação de pesos. O mesmo se verifica na parte posterior, acessível com a retirada da soleira.
Pode-se desta forma, balancear melhor a arma de acordo com a preferência do atirador. Por experiência própria, o autor adicionou cerca de 300 gr. de chumbo ao alojamento traseiro da coronha, conseguindo com esse peso, o ponto exato de equilíbrio da arma na região da culatra.
A arma utiliza o sistema chamado de cano flutuante, ou seja, o
mesmo é fixado tão somente à culatra da arma e não toca a coronha em nenhum ponto; portanto a vibração normal do cano por ocasião do disparo não é transferida para a coronha, bem como o cano não sofre com possíveis e mínimas deformidades, oriundas da madeira.
À esquerda, detalhe do bem acabado “knob” feito em alumínio anodizado, com um anel oxidado em preto para se fixar a bandoleira. Esse “knob” pode ser deslizado em toda a extensão do trilho para um ajuste mais simples e rápido.
No início da produção, os elementos de pontaria eram um ponto fraco da arma e a CBC procurou, com o tempo, minimizar esse problema lançando alças de mira mais sofisticadas nos modelos posteriores. Em todos os casos, a massa de mira é do tipo túnel, montada sobre duas canaletas usinadas no cano, podendo ser facilmente removida. O túnel possui um anel rosqueado, que possibilita a retirada e a troca do tipo de retículo ou massa que se deseja. A alça de mira, no entanto, deixava a desejar, e muito, por ocasião das primeiras armas fabricadas.
À esquerda, o modelo preliminar de alça de mira, sem clicagem e totalmente incompatível com a aplicação destinada à arma; à direita, o modelo posterior da alça de mira, com regulagens clicadas em ambas as direções.
Na verdade era a mesma alça de mira usada nas carabinas de ar comprimido 245 e 345 da CBC, muito simples, embora com correção lateral e vertical. Pecavam, porém, por não serem do tipo clicadas e sim, com ajustes contínuos, o que dificultava o acerto com precisão. Felizmente a CBC lançou, paralelamente, e à venda primeiramente como acessório, uma alça de mira bem superior, com ajustes clicados em ambas as direções, o que finalmente deu à arma um aparelho de pontaria mais preciso e de acordo com a sua finalidade.
A culatra possui na sua parte posterior, sobre a abertura de ejeção, ranhuras usinadas de dimensão padrão para a montagem alternativa de lunetas telescópicas ou outros sistemas de pontaria. Para isso, a CBC também apresentava opcionalmente um sistema de “peep-sight” interessante e facilmente adaptado. Devido à altura maior do sistema, era necessária a instalação de dois extensores feitos em material sinterizado, fornecidos com o dióptro, para se elevar a massa de mira.
Esses extensores fornecidos, peças 6558 e 6559 na vista explodida, servem também para a montagem de lunetas, no padrão de 11 mm, não sendo desta forma necessária a remoção da alça de mira.
De modo geral esse aparelho é bem construído. Os ajustes são milimétricos, clicados com escala de ajuste (não muito precisa), e são fornecidos dois discos (dióptros), um com orifício de 1,0 mm de diâmetro e outro de 1,2 mm. Além disso, acompanha um disco maior de borracha para ser aplicado aos dióptros, servindo como proteção e apoio mais confortável ao olho. Infelizmente esse sistema de dióptro se torna um tanto inútil, em virtude de que as provas de competição oficiais para carabinas 22, para alvos a 25m, exigem miras abertas e não permitem sua utilização e, claro, passa longe dos atiradores sérios a intenção de se utilizar a Impala em provas oficiais de 50m, onde o dióptro é aceito, mas onde teria que se competir com carabinas importadas de categoria incompatível.
O dióptro opcional, na sua caixa original e em foto em detalhe
O ferrolho, como já dito antes, era basicamente o mesmo dos rifles 122. O desenho e manejo está um pouco longe de ser considerado perfeito. Muitas peças móveis, uma certa fragilidade na construção da alavanca de manejo e uma desmontagem muito demorada e complicada, que lança mão de um arame de aço para que seja feita a fixação da parte posterior ao corpo do ferrolho. Esse corpo não possui movimento rotativo (como nas ações dos fuzis Mauser); o que executa o trancamento da culatra é um ressalto existente na própria alavanca em si. O percussor é exposto pela parte inferior, o que permite facilmente a entrada de sujeira. O sistema permite que a arma seja engatilhada somente com o movimento de se erguer e baixar a alavanca, o que é bem prático. Como sinalização de segurança, uma vez engatilhada a arma, um pino dotado de um anel vermelho fica exposto na parte posterior, facilmente visível ao atirador.
A carabina Impala com uma luneta Bushnell 6-24X40 – note a utilização dos dois calços montados sobre os trilhos, para evitar que seja necessária a remoção da alça de mira.
A trava manual fica do lado direito, em local cômodo, mas não atua diretamente no ferrolho, e sim, no sistema de gatilho. Não é uma trava eficiente a ponto de evitar um disparo acidental provocado por um impacto maior recebido pela arma. A maneabilidade do ferrolho não é ruim, mas é um pouco áspera quando se compara a modelos importados e mais refinados. Há um jogo de finas arruelas de aço, servindo como espaçadores, na junção da alavanca com o corpo do ferrolho que, com o tempo, sofrem desgaste e podem começar a roçar na armação da culatra. A extração do cartucho é feita através de dois extratores fixados por uma mola de aço em forma de braçadeira. Mesmo com muito uso e excesso de resíduos de pólvora, é difícil a ocorrência de cartuchos que não consigam ser extraídos. O ejetor é bem posicionado e expulsa de forma eficaz e para longe, o cartucho detonado. Se necessitar desmontar, atenção para o fato de que os dois extratores não são idênticos; portanto, repare bem na posição de ambos para remontar corretamente.
Dioptro original da CBC, montado na arma
A retirada do ferrolho se faz através de um retém em forma de botão, situado do lado oposto à alavanca do ferrolho, que girado em qualquer sentido, se trava na posição, exibindo um anel colorido para visualização. Além desse retém, ainda é necessário que o gatilho seja pressionado para que o ferrolho deixe seu alojamento.

Culatra aberta onde se vê o pino traseiro do ferrolho, sinalizador de arma engatilhada, bem como o botão retém para retirada do ferrolho da culatra. Nota-se também a tecla da trava se segurança com seu ponto vermelho de alerta.
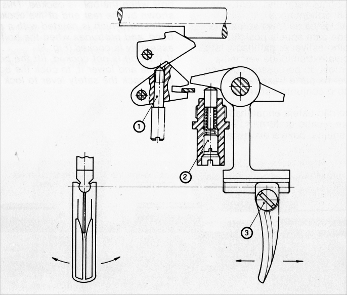
O sistema de gatilho é uma revolução, em se tratando de uma carabina para uso em provas não olímpicas, feita no Brasil. Claro que, comparado a sistemas mais sofisticados, encontrados em armas para uso de competição feitas principalmente na Europa, deixa bastante a desejar. Porém, justiça seja feita: para a finalidade a que essa arma se destina, é um aparelho de muito bom projeto. Pela primeira vez no Brasil se tem uma arma com possibilidade de ajuste múltiplo, tanto na pressão, tamanho do curso e posição da tecla.

Desenho esquemático mostrando o funcionamento do sistema de gatilho da carabina Impala. O parafuso 1 regula a sensibilidade, o 2 regula a pressão da mola de retorno (peso do gatilho) e o 3 ajusta a inclinação lateral e posição longitudinal do gatilho. A peça cilíndrica, ao alto do desenho, é o percussor, que neste esquema se desloca da direita para a esquerda.
Medições feitas indicam a possibilidade mínima de ajuste de pressão em torno de 500 a 600 gramas, podendo chegar a um máximo de 1,200 gramas. Apenas como comparação, algumas carabinas para uso em competição de nível Olímpico podem ter ajustes mínimos na casa de 20 a 30 gramas. Porém, em carabinas para a finalidade a que se destina a Impala, a pressão do gatilho é suficientemente leve. A tecla do gatilho pode ser ajustada, através de um parafuso, de forma a incliná-la para qualquer um dos lados ou deslizá-la no sentido longitudinal, regulando a distância em relação ao comprimento do dedo do atirador. Pelos dois orifícios situados na parte inferior do guarda-mato pode-se, com o uso de uma chave de fenda, fornecida como acessório, regular a pressão da mola do gatilho e a sensibilidade do disparo.
Esse último parafuso fica, entretanto, numa posição muito desconfortável para acesso. A regulagem da sensibilidade do gatilho pode ser feita da seguinte forma: coloca-se um cartucho detonado na câmara e fecha-se o ferrolho. Em seguida, introduz-se uma chave de fenda pelo orifício e gira-se o parafuso no sentido horário, até o disparo da arma. Em seguida, volta-se o parafuso cerca de 1/4 de volta no sentido anti-horário e experimenta-se a pressão nesta posição. Nunca se deve deixar esse ajuste demasiadamente sensível sob risco de se obter disparos acidentais.

Vista inferior do guarda mato com os dois orifícios para a entrada de chave de fenda reguladora de pressão e sensibilidade. Note o parafuso lateral da tecla do gatilho que possibilita a sua regulagem lateral e de distancia. Na base do guarda-mato, o furo mais perto do parafuso de fixação à coronha acessa o parafuso da regulagem de sensibilidade do disparo; o furo posterior acessa o parafuso de ajuste da pressão da tecla do gatilho. À direita, vemos um detalhe da coroa do cano e túnel da massa de mira com insertos removíveis.
Abaixo seguem as características dos modelos Impala:
| Características | Match Master 322 | Master 422 |
| Comprimento do cano | 666mm | 666mm |
| Comprimento total | 1100mm | 1100mm |
| Peso do cano | 1,760 Kg | 1,280 Kg |
| Peso total | 4,360 Kg | 3,400 Kg |
| Capacidade | 6 tiros | 10 tiros |
| Distância entre miras | 600mm | 600mm |
| Número de raias | 6 | 6 |
| Passo das raias | 406mm | 406mm |
Vista Explodida da Impala 322/422 – clique para aumentar a imagem
O conjunto cano e culatra pode ser removido da coronha facilmente. Há dois parafusos a serem retirados, o 5895 e o 2225, somente. Cuidado com a tecla do gatilho que ficará um pouco vulnerável após a desmontagem.
No caso da 322, o carregador, que é o mesmo utilizado na 422 e no rifle 122, pode ser retirado para limpeza.
Aqui se vê bem os dois parafusos de ajuste do gatilho. O central, passando por um orifício bem maior, é o ajuste da sensibilidade; um excesso aqui pode ocasionar disparos involuntários. O outro parafuso, embitido dentro de um cilindro, é o ajuste da mola de pressão.,
Um dos acondicionamentos mais utilizados pela CBC para essas carabinas era uma caixa de isopor, com os encaixes internos para a arma e acessórios, moldada em duas partes. Envolvendo essas metades, uma capa de nylon com zíper e alça para transporte. Os acessórios que acompanhavam a arma, de série, eram o suporte para bandoleira, dois espaçadores para montagem do dióptro e/ou lunetas, duas chaves de fenda para desmontagem e ajustes, selos promocionais da Impala e da CBC, uma flanela personalizada e o manual com instruções e vista explodida. O dióptro era um acessório vendido à parte, bem como jogo de insertos de diversas medidas e desenhos, para serem substituídos na massa de mira.

Embalagem original em isopor moldado – note que a arma só pode ser guardada sem o ferrolho.
Embora o peso da 322 possa parecer excessivo, com seus 4,400 Kg, desde que corretamente posicionada, a arma pode ser utilizada por atiradores jovens sem qualquer dificuldade, com a vantagem da boa estabilidade obtida com seu equilíbrio perfeito.
Conclusão: o autor é proprietário de uma Impala do modelo Match-Master 322, adquirida nova no ano de 1984. Essa arma conta hoje com aproximadamente 3500 tiros. A conservação sempre foi levada a sério, com limpeza parcial após a utilização em treinos e competições, e uma limpeza mais abrangente com desmontagem parcial a cada 6 meses. Utilizando-se munição sempre nova, das marcas Eley, CBC, Remington e Lapua, pode-se afirmar que a incidência de falhas por nega é raríssima. Falhas de alimentação e ou ejeção são também muito raras.
A regulagem de sensibilidade do gatilho possui um limiar onde o disparo acidental pode ser possível. Em alguns casos de ajuste nesse nível, a arma recusa-se a engatilhar durante o manejo, ou seja, o percussor é liberado no ato de trancamento do ferrolho. Porém, o disparo acidental, nesses casos, é impossível pela própria construção do ferrolho. Isso é resolvido, simplesmente, por cerca de ¼ de rotação do parafuso de ajuste, no sentido anti-horário.

Detalhe do bonito e eficiente acabamento “anti-derrapante” do punho tipo pistola. O pequeno pino que se observa na parte posterior do gatilho é uma adaptação feita pelo autor, possibilitando a regulagem do curso de escape do gatilho após o disparo. (Foto e arma do autor)
O grupamento observado durante todos os anos de uso, praticamente não se alterou. O cano continua em estado de novo, não se notando desgaste de raiamento. Enfim, trata-se de um produto nacional com qualidade condizente com sua aplicação, com alguns pontos que poderiam ter sido melhorados no decorrer da produção. Este autor já ouviu, de algumas fontes, de que os primeiros modelos da Impala, alguns afirmam que sejam até o serial 1000, tinham os seus canos produzidos pela Anschutz e importados pela CBC. Alguns afirmam que o produtor era a Walther, ambos fabricantes alemães de armas de alta qualidade e precisão. Porém, tal afirmação é inverídica. Os canos eram produzidos pela própria fábrica da CBC, na época em Sto. André, SP, e rigorosamente testados quanto ao seu grupamento. Isso me foi devidamente confirmado por um funcionário que trabalhou na CBC por mais de 20 anos, e que viu tanto o início da produção da Impala , como o seu término.
A linha Impala foi desativada pela CBC em 1993, com cerca de 4.000 armas produzidas. Sem dúvida, de lá para cá, nenhum outro fabricante brasileiro, nem a própria CBC, lançou uma carabina esporte tão bem construída que superasse a Impala. A lacuna, pois, infelizmente permanece, deixando muitos praticantes deste tipo de tiro sem muita escolha e opções no mercado.















Eu comprei um Impala Match Master 322 no ano de 1997, e tenho todos os acessórios. Perdi a conta de quantos disparos eu cometi, certeza + de 5mil, e ele ainda continua em estado de zero! Auto padrão de construção, uma excelente arma, já colocaram 10mil nele, mais não vendo ! Uma vez aconteceu um disparo pela culatra, e sumiu 1 peça o extrator e partiu a braçadeira de aço dos extratores, sorte que consegui outra com um armeiro .
LEANDRO
08/08/2024 at 23:16
Porque uma munição mais quente, não se comporta bem no 322, ela geralmente da excesso de pressão e estoura pela culatra. so funciona bem com munição standard.
wesley
19/10/2021 at 17:49
Arma realmente melhores a que estão colocando no comercio
Pedro Arnoldo Berger
18/09/2021 at 13:43
Tenho uma a trinta anos e levantei competições contra CZ, Reminton, entre outros com cano bull simplesmente magnifica pelas armas de hoje.
Pedro Arnoldo Berger
18/09/2021 at 13:40
Tive um 122.2 muito parecidos realmente..
Ótimo artigo e arma espetacular pena que a produção de armas no Brasil foca atualmente em um público não tão exigente e quando se quer é preciso se pagar altíssimos encargos de importação.
Manoel Sampaio
16/05/2021 at 8:52
Olá, trata-se do guia da mola do percussor.
Carlos F P Neto
18/02/2021 at 19:22
gostaria de saber o nome dessa peça traseira do ferrolho,onde aparece esse pontinho vermelho.
jovenil martins barbosa
18/02/2021 at 19:16
Prezado Giovani, infelizmente não é cambiável, o suporte de fixação do mecanismo é bem diferente, e para piorar o ferrolho também possui alterações no ângulo de escape. A única saída é tentar melhorar o sistema original, que não é muito fácil devido à limitação e simplicidade mecânica.
Carlos F P Neto
21/12/2019 at 12:31
Prezado Carlos, boa noite.
Recentemente adquiri uma CBC 122 (modelo graneado preto, com culatra em inox). A arma é precisa mas o gatilho, sofrível… Gostaria de saber se o gatilho da impala é intercambiável com esse modelo.
Agradeço antecipadamente pela resposta.
Giovani.
Giovani Bergamin
17/12/2019 at 21:35
Olá Fernando, valor comercial médio de 6 mil reais. Abraços.
Carlos F P Neto
12/07/2019 at 21:05
Olá ,
Encontrei uma impala mache master em ótimo estado , com todos acessórios citados, varias miras e várias peças sobressalentes…
Quanto seria o preço junto a ser pago nessa arma?
Estou pensando em fechar negócio…
Fernando González
19/06/2019 at 0:52
Mario, o sentido das raias da Impala é destrógiro. Peças e acessórios não são fáceis de encontrar, mas não temos indicações sobre isso. Teria que procurar no comércio ou na própria CBC. Abraços.
Carlos F P Neto
24/09/2018 at 22:07
Ola Bom Dia
Tens alguma informação sobre o sentido de giro das raias da Impala 322:
Apenas curiosidade, Existe alguma hipotese de adquirir uma alca e massa de mira do tipo fabricado como acessorio? As antigas sao bem ruins!
Grato
MARIO LUCIO OZELAME
24/09/2018 at 13:30
E uma triste notícia, mas a única maneira de resolver isso é encontrar um bom coronheiro e mandar fazer uma coronha nova. Não é algo barato, pode gastar aí pelo menos uns 2 mil, mas uma arma dessas hoje vale de 4 a 5 mil, no mercado de atiradores, estando registrada para algum CAC. Caso não esteja, não sei se compensa fazer a coronha.
Carlos F P Neto
25/02/2018 at 9:48
Boa noite, recentemente encontrei uma 422 no sitio que era de um tio meu e ela esta bastante estragada principalmente a coronha que foi praticamente destruida por cupins. Haveria algum modo de conseguir peças para recupera-la a exemplo da Alça de Mira, e do guarda – mato? Agradeço qualquer ajuda ou indicação. CAC 6ªRM
NICOLA DE VITA NETO
25/02/2018 at 2:19
Prezado, não avaliamos armas gratuitamente, leia antes por favor a nossa política de avaliações, no menu do site.
Carlos F P Neto
21/12/2017 at 11:32
Caro amigo, você é uma pessoa de sorte. Parabéns.
Carlos F P Neto
05/08/2017 at 21:22
Após ler esse artigo , felizmente me foi oferecida uma Impala essa semana , na caixa original gigante de isopor, e case de nylon azul marinho com o símbolo da CBC no centro , além de manual flanelinha original , adesivo cbc autocolante , e tudo de direto, não podia dispensar , agradeço ao autor do post pela bela explanação do produto.
maloide100
05/08/2017 at 19:38
Comprei uma essa semana na caixa original , flanelinha original da cbc, manual, com uns 500 disparos talvez, no modelo 422 , um achado, o preço vocês já devem ter uma ideia kkkk, agradeço ao autor do post , pois sem ele ficaria em duvida é perderia o negócio.abcs.
maloide100
05/08/2017 at 18:46
Olá, 49cm incluindo a câmara.
Carlos F P Neto
24/04/2017 at 20:25
Ola, alguém sabe o tamanho exato do cano da nylon 66. Grato
Cesar brandao
24/04/2017 at 0:18
Não tenho ideia, infelizmente.
Carlos F P Neto
18/04/2017 at 0:03
Olá tbm, se você saber onde vende a alça de mira de rifle cbc calibre 22lr modelo 122 me informe por favor ok
Roberto Anerth
17/04/2017 at 23:31
Exatamente como consta do manual.
Carlos F P Neto
08/04/2017 at 19:56
Prezado Carlos,
Alguns leitores postaram uma dúvida sobre o número de raias (seis ou oito) das Impala.
O cano de 8 (oito) raias foi empregado pela CBC não nas Impala, mas na CBC 122.2 “Sniper”, cujo cano era mais longo e recebia a mesma massa de mira da Nylon 66.
Erick Tamberg
07/04/2017 at 11:20
Caio, o número de raias sempre foi de seis, tanto na 322 como 422.
Carlos F P Neto
28/08/2016 at 15:14
Caro autor , uma dúvida,…o modelo 322 não tinha 8 raias no cano??
Caio
28/08/2016 at 14:53
Idalício, infelizmente fica difícil ajudá-lo. Hoje há uma infinidade de modelos disponíveis no mercado, com ampla faixa de preços, a maioria delas que não tivemos oportunidade de avaliar, sequer examinar nas mãos. O ideal mesmo é você visitar algumas lojas e pesquisar, perguntar, coletar informações e decidir pelo melhor custo-benefício.
Carlos F P Neto
02/05/2016 at 23:04
Bom dia! Qual a melhor luneta, ou qual você me indicaria (4X32) para uso em uma carabina puma cano octogonal calibre .38?
Idalício
02/05/2016 at 12:15